Will not start?

Tiny
MARNIELYNN
  • MEMBER
  • 1995 PONTIAC FIREBIRD
  • 3.4L
  • V6
  • 2WD
  • AUTOMATIC
  • 20,000 MILES
As I look at the module on my left I have three male pins and a connector with six male pins on my right I have a connector with two male pins. I do not what plugs into this connector.
Sunday, October 23rd, 2022 AT 2:23 PM

3 Replies

Tiny
JACOBANDNICKOLAS
  • MECHANIC
  • 110,192 POSTS
Hi,

By chance, could you take a couple of pictures and upload them for me to see what you are describing? I'm not sure what module, harnesses, and wiring you are referring to.

Thanks, and I'll watch for your reply.

Take care,

Joe
Was this
answer
helpful?
Yes
No
+2
Sunday, October 23rd, 2022 AT 9:56 PM
Tiny
MARNIELYNN
  • MEMBER
  • 3 POSTS
Looking at the ignition control module on the left side, two connections on the right side is one connection. I am missing what connects to the right side the connector is missing as is any wires. I do not know where the wires go or how to get a connector. Thanks
Was this
answer
helpful?
Yes
No
Tuesday, October 25th, 2022 AT 6:36 PM
Tiny
JACOBANDNICKOLAS
  • MECHANIC
  • 110,192 POSTS
Hi,

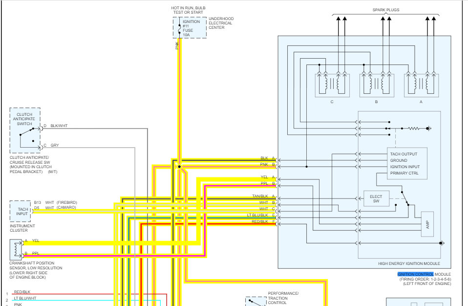
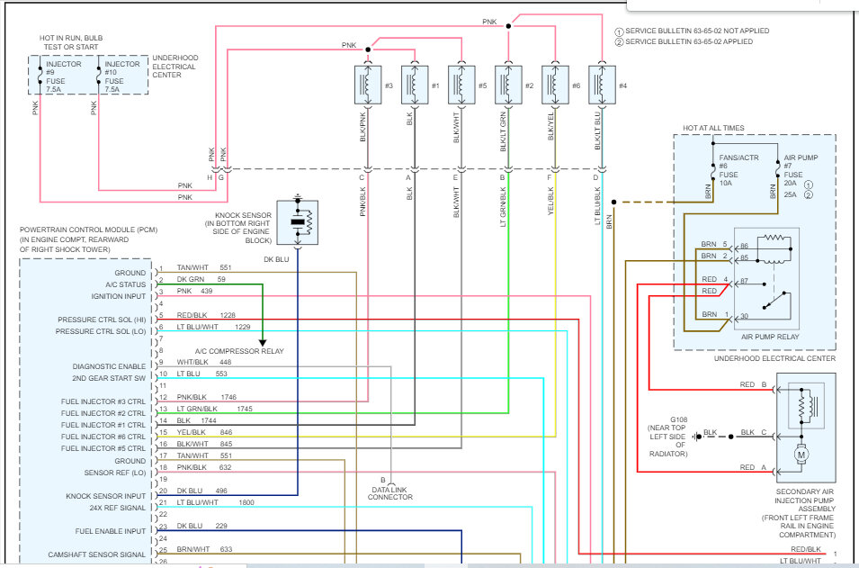
Without knowing wiring colors, that is a tough one for me to answer. So, here is what I've done.

If you look below, I attached the wiring schematic related to the ignition control module. I highlighted all wires related to the module and where they go. Look at the wires you have on the module now and determine which ones are missing based on the schematic.

Let me know if this helps.

Take care,

Joe

See pics below. Note: the schematic was two pages, but I had to cut each one in half to make them readable for you. I did overlap them so you can follow from one to the next.
Was this
answer
helpful?
Yes
No
+1
Tuesday, October 25th, 2022 AT 8:16 PM

Please login or register to post a reply.