Will not start

Tiny
BKOPTA
  • MEMBER
  • 2004 GMC SIERRA
  • 4.3L
  • V6
  • 2WD
  • MANUAL
  • 130,000 MILES
I have 12 volts at the starter but hit the key and nothing. With the key on the fuel pump doesn't kick on. Key on the gauge lights are really dim and flicker. If I plug in my scanner it won't stay connected long enough to even gather the VIN. Any ideas?
Friday, March 19th, 2021 AT 8:51 AM

3 Replies

Tiny
KASEKENNY
  • MECHANIC
  • 18,907 POSTS
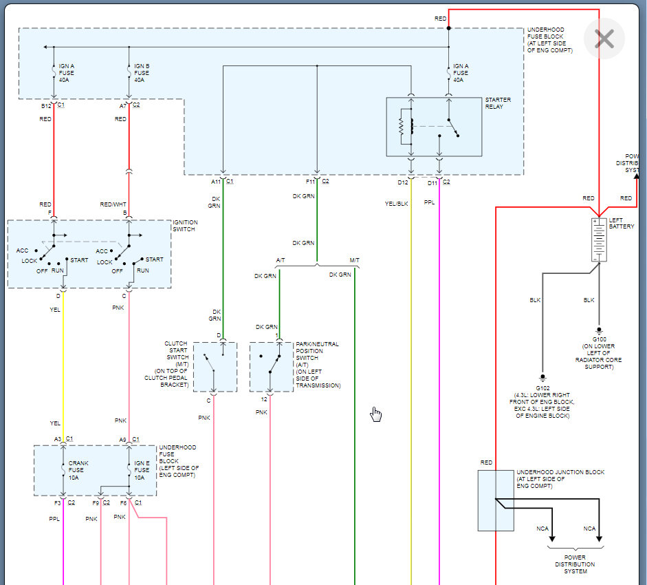
This sounds like the PCM is offline. However when you say you have 12 volts at the start, I suspect that is on the battery feed wire? What do you have on the control wire when you try to start the engine?

The way we need to start is pick a system and fix that and more then likely it will correct all the other issues but if you try to look at all the issues at once it gets too much.

We need to check the purple wire shown in the diagram when turning the key.

I assume you will not have voltage which means we need to check the relay. Remove the relay and check power at the two pins shown in the last attachment below.

Here are some guides that will help with this:

https://www.2carpros.com/articles/how-to-check-wiring

https://www.2carpros.com/articles/how-to-check-an-electrical-relay-and-wiring-control-circuit

You should have 12 volts on both of these with the key on. If you don't then we have an issue there. If you do then we will need to check the PCM which we can get to after we check all this.

Let me know if you have questions with this.
Was this
answer
helpful?
Yes
No
+1
Saturday, March 20th, 2021 AT 8:23 AM
Tiny
BKOPTA
  • MEMBER
  • 2 POSTS
I got it to start. Fuel pump still is not turning on but the truck will start and run for a second and shut off. Monday I'm going to drop the tank and see if I have power at the pump or not. I'll keep you posted.
Was this
answer
helpful?
Yes
No
Saturday, March 20th, 2021 AT 9:17 AM
Tiny
KASEKENNY
  • MECHANIC
  • 18,907 POSTS
Sounds great. Clearly if the pump is not coming on then it appears you are on the right path. Thanks. Let us know what you find.
Was this
answer
helpful?
Yes
No
+1
Sunday, March 21st, 2021 AT 3:44 PM

Please login or register to post a reply.