Will not start

Tiny
NOTSPECIAL77
  • MEMBER
  • 2003 DODGE STRATUS
  • 2WD
  • MANUAL
  • 148,000 MILES
But dash lights and radio come on. I lost the key fob last year, so I disconnected the lights that come on when the door opens. And I've taken put the relay for the horn. All done last year. But now it won't start, and it was running fine since I did all that. Help!
Friday, October 29th, 2021 AT 2:19 PM

3 Replies

Tiny
JACOBANDNICKOLAS
  • MECHANIC
  • 110,194 POSTS
Hi,

When you try to start it, does the starter engage or does nothing happen? Also, do any other of the electrical components work other than the dash lights and the radio?

Take a look through these two links. See if anything helps. One is for a starter not working and the other is a crank no start condition.

https://www.2carpros.com/articles/starter-not-working-repair

https://www.2carpros.com/articles/car-cranks-but-wont-start

The links explain the most common causes related to the issue.

Let me know exactly what is happening so I know which direction to go.

Take care,

Joe
Was this
answer
helpful?
Yes
No
Friday, October 29th, 2021 AT 9:23 PM
Tiny
NOTSPECIAL77
  • MEMBER
  • 3 POSTS
No nothing happens. No sound, no grinding, no nothing. Not even a little sound. And the overhead lights work as well. Or what lights are you referring too?
Was this
answer
helpful?
Yes
No
Friday, October 29th, 2021 AT 10:21 PM
Tiny
JACOBANDNICKOLAS
  • MECHANIC
  • 110,194 POSTS
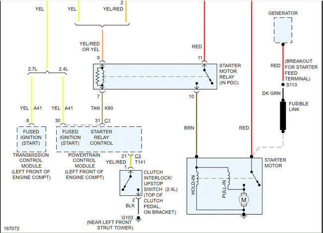
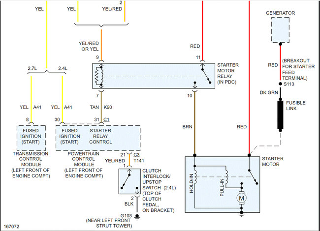
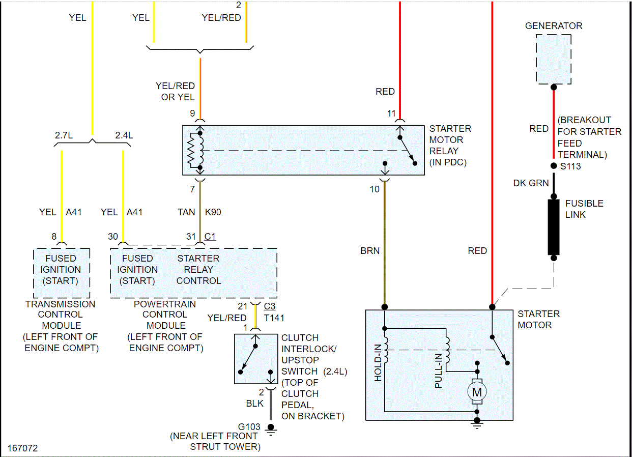
If it is a manual transmission, then it should be a 2.7L V6. Let me know if that's wrong.

I attached the wiring schematics below. First, check fuse 8 in the under-hood fuse box. In addition to checking the fuse, make sure there is power to and from it. Here is a link you may find helpful:

https://www.2carpros.com/articles/how-to-check-a-car-fuse

If that checks good, go to the starter relay in the same under-hood fuse box and switch it with a different relay having the same part number. If there isn't one, here is a link that shows how to test a relay:

https://www.2carpros.com/articles/how-to-check-an-electrical-relay-and-wiring-control-circuit

If that checks good, then go to the clutch switch. When the key is in the start position, the yellow wire should have power. If it does, depress the clutch and check for power out at the yellow wire with a red tracer.

Let me know what you find or if you have other questions.

Take care,

Joe

See pics below. Note: Pics 1 and 2 are the schematic. I had to cut the pic in half to make them readable. I did overlap them so you can follow from one to the next. Pic 3 shows the fuse and relay locations in the PDC under-hood.
Was this
answer
helpful?
Yes
No
Friday, October 29th, 2021 AT 10:36 PM

Please login or register to post a reply.