Will not start?

Tiny
MATTHEWLFREDERICK
  • MEMBER
  • 1986 DODGE RAM
  • 5.4L
  • V6
  • 2WD
  • AUTOMATIC
  • 60,000 MILES
My son started the vehicle in the morning to go to school. Come out for lunch and he went to start. The truck wouldn’t start put a new starter on it and still nothing any other issues that I can look at.
Monday, January 23rd, 2023 AT 3:27 PM

5 Replies

Tiny
CARADIODOC
  • MECHANIC
  • 34,463 POSTS
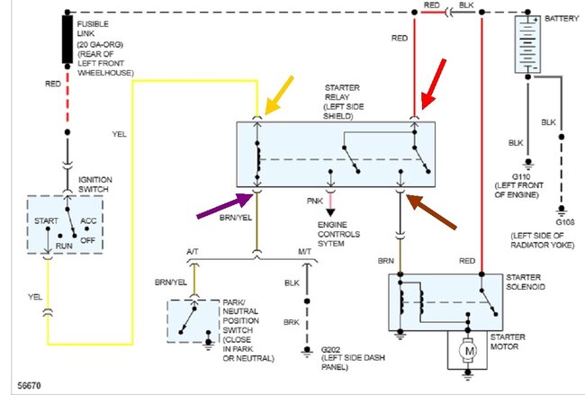
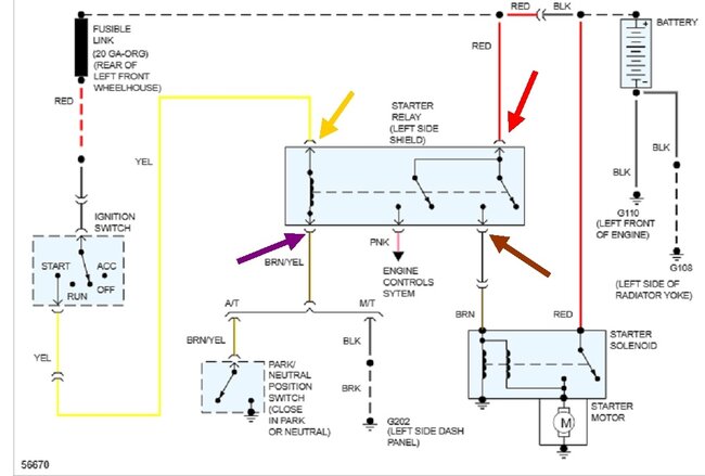
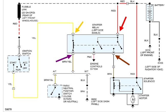
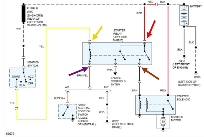
Based on the new starter, can I assume it is not cranking the engine? If that is correct, can you hear if the starter relay is clicking? Try cranking it while it's shifted into "neutral". The relay is circled in red in this drawing. It's on the driver's side inner fender. Feel if it clicks when a helper turns the ignition switch to "crank".

If it does not click, we'll need a test light or digital voltmeter. If you're not familiar with using them, check out these articles:

https://www.2carpros.com/articles/how-to-use-a-test-light-circuit-tester

https://www.2carpros.com/articles/how-to-use-a-voltmeter

They're using an "auto-ranging" meter here. That's an expensive feature you don't need. You can find both of these tools for less than ten dollars at Harbor Freight Tools, Walmart, or any hardware store or auto parts store. I can help with setting up a standard voltmeter.

The entire starter system can be broken down into four parts, each with a test point at the starter relay's socket.

First let me know about the clicking relay.
Was this
answer
helpful?
Yes
No
Monday, January 23rd, 2023 AT 4:40 PM
Tiny
MATTHEWLFREDERICK
  • MEMBER
  • 3 POSTS
I have replaced that also. Can I test ignition itself and or the neutral safety on the transmission?
Was this
answer
helpful?
Yes
No
Tuesday, January 24th, 2023 AT 10:29 AM
Tiny
CARADIODOC
  • MECHANIC
  • 34,463 POSTS
Replaced what? The starter solenoid? Starter relay?

Did you feel or listen if the starter relay clicks? Please tell me these things so I know how to proceed.

The starter system can be broken down into four parts, each with a test point in the starter relay's socket. Those parts include the ignition switch and the neutral safety switch. That's why I'm going to describe those tests once I know which part of the circuit isn't working.
Was this
answer
helpful?
Yes
No
Tuesday, January 24th, 2023 AT 10:43 AM
Tiny
MATTHEWLFREDERICK
  • MEMBER
  • 3 POSTS
I replaced the starter, and the relay switch can’t get no clicking from the starter. No sound from the relay switch.
Was this
answer
helpful?
Yes
No
Tuesday, January 24th, 2023 AT 10:56 AM
Tiny
CARADIODOC
  • MECHANIC
  • 34,463 POSTS
Dandy. Don't overlook a bad battery as I've done a few times. It should measure 12.6 volts if it's good and fully-charged. Here's what I put together last night:

Starter Relay Doesn't Click

When probing a terminal in the relay's socket, just touch it lightly. If you stuff the probe into the terminal, you run the risk of spreading it. That can cause intermittent operation in the future. Start out with the test light's wire clipped to the battery's negative cable or to any paint-free point on the engine or body sheet metal. Touch the probe to each of the four terminals in the socket. The light should light up full brightness on only one of them. That would be the wire with the red arrow in the first diagram.

Note that in this diagram there's a fifth terminal, (pink wire), in the starter relay's socket. Disregard that one. We're still just interested in four of the terminals.

Next, touch the probe on each of the remaining three terminals while a helper holds the ignition switch in the "crank" position. Again, the test light should light up on only one of those three. That's the wire coming from the ignition switch, (yellow arrow). A bright test light while in the "crank" position indicates the ignition switch is okay.

For the last two terminals, move the test light's clip to the battery's positive cable. We're looking for ground circuits now. Touch it to the last two terminals in the relay's socket. Those are the brown and purple arrows in the diagram. It should light up on both of them. One circuit goes to ground through the starter solenoid, (brown arrow). The last one goes to ground through the neutral safety switch, (purple arrow).

One of those four terminals should not respond to the test. Tell me which one that is, then we'll figure out where to go next.

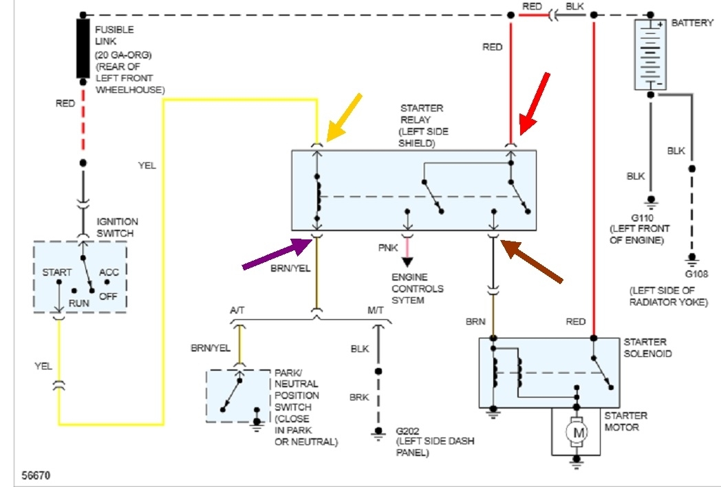
This first diagram is a simplified version. The second one is for the same thing, but in original form right out of the service manual. That OEM diagram is the only one I can find that shows the starter relay's connector. Some confusion has been added in that two of the wires plug in separately. We're still interested in four of those five wires, but now, since we know the problem lies in the low-current part of the system, we only have to worry about two wires, the yellow one coming from the ignition switch, (S2 14YL), and the brown / yellow wire, (S4 18BR / YL). To be valid, when testing on these wires, they should be unplugged from the relay.

To recap, put the test light's ground clip on the battery's negative post or on the engine or body, then check for 12 volts on the yellow wire when the ignition switch is in "crank". If you do find 12 volts, move the test light's ground clip to the battery's positive post, then probe the brown / yellow wire. The test light should light up full brightness when the transmission is shifted into "park" or "neutral". It must turn off when shifted into any other gear.

Let me know what you find.
Was this
answer
helpful?
Yes
No
Tuesday, January 24th, 2023 AT 11:34 AM

Please login or register to post a reply.