Will not start

Tiny
CHUCK LAROCHE
  • MEMBER
  • 2007 TOYOTA VAN
  • 6 CYL
  • 2WD
  • AUTOMATIC
  • 13,500 MILES
Started truck it ran at idle for 3 to 5 minutes then stopped, turned key to start no warning lights in dash and wont restart wont crank. Battery is fully charged.
Tuesday, November 16th, 2021 AT 5:53 PM

3 Replies

Tiny
KASEKENNY
  • MECHANIC
  • 18,907 POSTS
Just to be sure we are on the same page, was this vehicle starting and running properly before this started or has it been sitting a while?

Here are a couple guides that will get us started with this:

https://www.2carpros.com/articles/starter-not-working-repair

https://www.2carpros.com/articles/car-cranks-but-wont-start

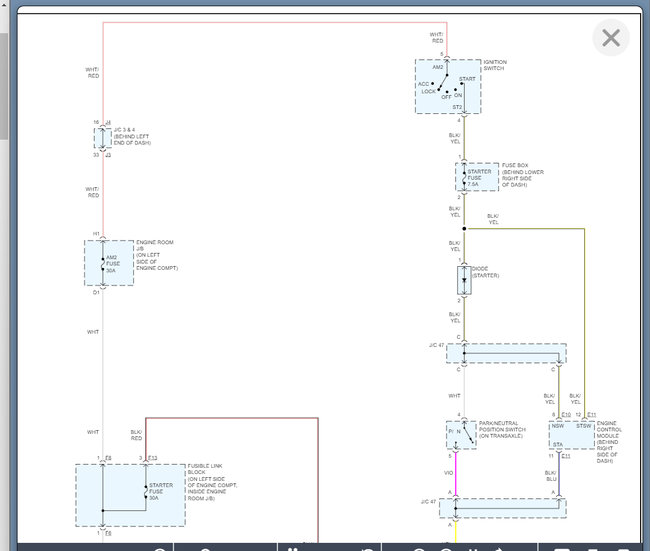
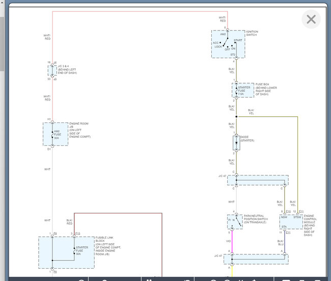
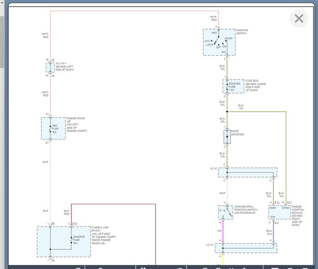
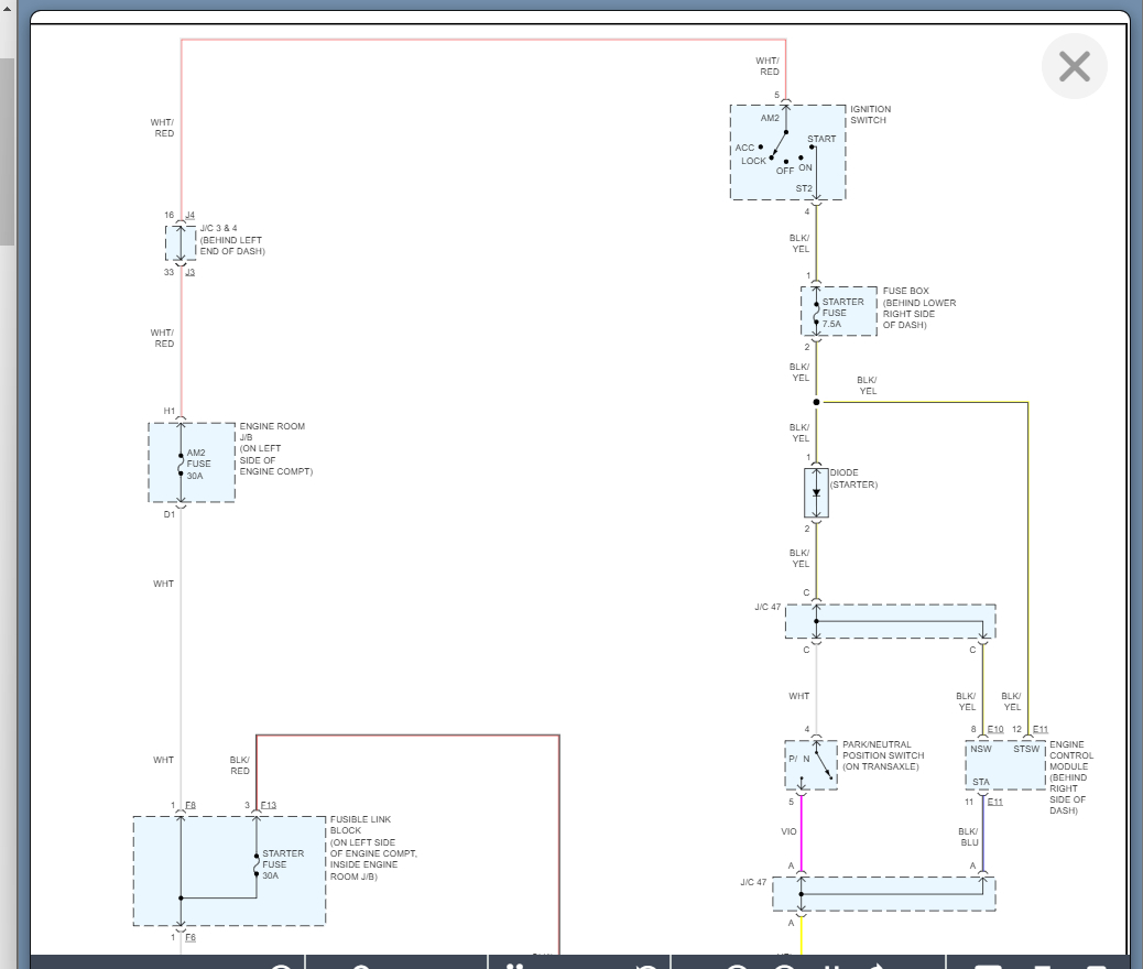
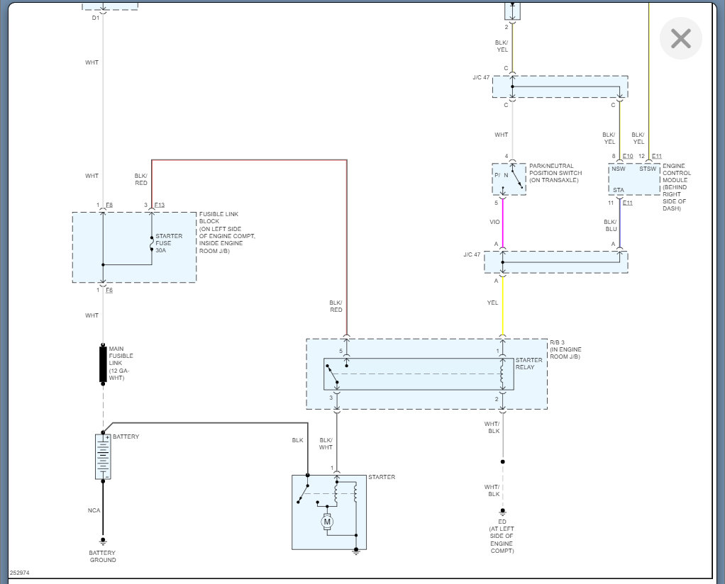
However, I am attaching the wiring diagram below. We need to find out if you are getting voltage at the starter when you are cranking the engine.

https://www.2carpros.com/articles/how-to-check-wiring

If you have voltage on both wires at the starter then the starter is the issue.

However, if you don't then we need to dig further into the starting system starting with the relay.

Please run through this and let us know what you find, and we can go from there. Thanks
Was this
answer
helpful?
Yes
No
Wednesday, November 17th, 2021 AT 6:38 PM
Tiny
CHUCK LAROCHE
  • MEMBER
  • 1 POST
Thanks, I will check this in the morning I will let you know.

Thanks
Was this
answer
helpful?
Yes
No
Saturday, November 20th, 2021 AT 10:27 AM
Tiny
KASEKENNY
  • MECHANIC
  • 18,907 POSTS
Sounds great. Let us know how it turns out. Thanks
Was this
answer
helpful?
Yes
No
Saturday, November 20th, 2021 AT 3:07 PM

Please login or register to post a reply.