Will not start

Tiny
CHRISTINA CALLANS
  • MEMBER
  • 1999 FORD EXPEDITION
  • 1,700,000 MILES
New starter, new solenoid battery good fuses good. Still won't start.
Friday, August 14th, 2020 AT 7:10 PM

9 Replies

Tiny
JACOBANDNICKOLAS
  • MECHANIC
  • 110,194 POSTS
Hi,

I would be happy to help, but I need more information. First, does the starter engage and turn the engine? Second, is this a 5.4L V8 or the 4.6L V8?

If the starter isn't engaging, did you check the starter relay? Have you checked to see if there is power to the starter? I ask because there is a fusible link between the battery and starter relay that may have failed.

Take a look through this link and let me know if anything helps. It deals with the starter motor not working. If that isn't what is happening, let me know.

https://www.2carpros.com/articles/starter-not-working-repair

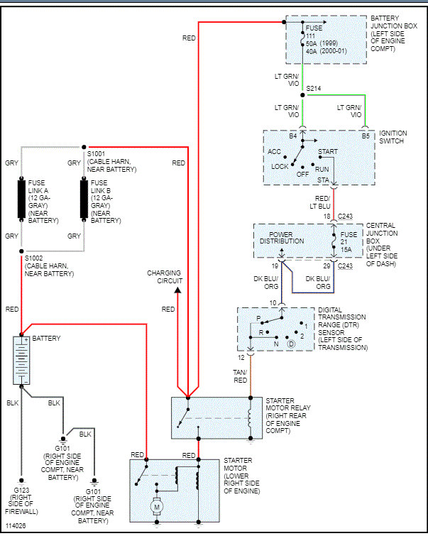
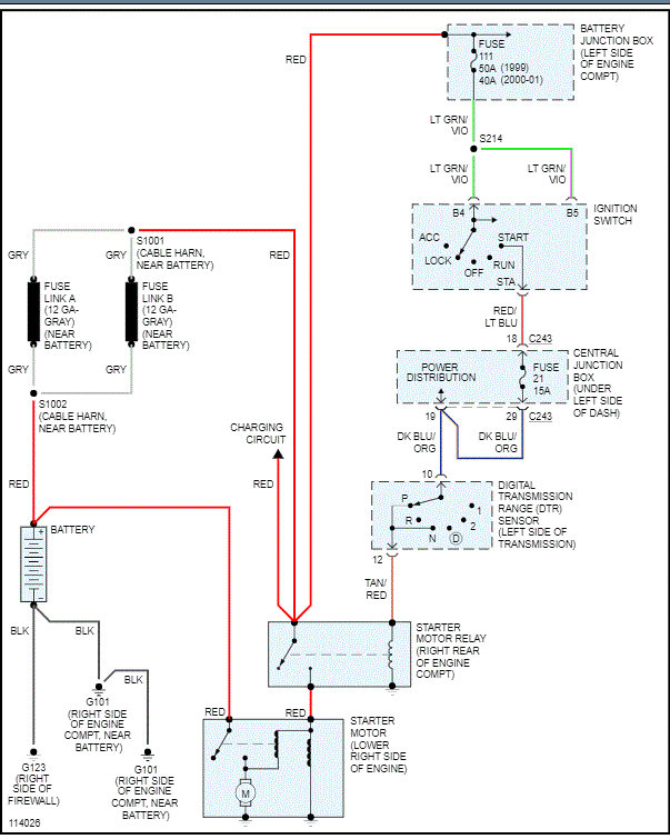
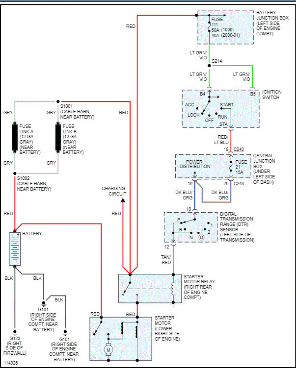
Also, I attached a pic of the wiring schematic for you to see.

Let me know.

Joe

Was this
answer
helpful?
Yes
No
Friday, August 14th, 2020 AT 8:58 PM
Tiny
CHRISTINA CALLANS
  • MEMBER
  • 5 POSTS
  • 1999 FORD EXPEDITION
  • 5.4L
  • V8
  • 4WD
  • 170,000 MILES
Put in new starter and starter solenoid, checked fuses, battery is good. Sounds like it wants to start. Tried to start in neutral didn't start. My dashboard goes on but gas not working, also put a new selector wire in too.I have a full tank of gas dashboard not registering it.
Was this
answer
helpful?
Yes
No
Wednesday, August 19th, 2020 AT 11:02 AM (Merged)
Tiny
ASEMASTER6371
  • MECHANIC
  • 52,796 POSTS
Good morning,

Does the engine crank when you turn the key to start?

https://www.2carpros.com/articles/car-cranks-but-wont-start

Do you have a voltmeter to test the battery voltage?

https://www.2carpros.com/articles/car-battery-load-test

Roy
Was this
answer
helpful?
Yes
No
Wednesday, August 19th, 2020 AT 11:02 AM (Merged)
Tiny
CHRISTINA CALLANS
  • MEMBER
  • 5 POSTS
Please help me.
Was this
answer
helpful?
Yes
No
Wednesday, August 19th, 2020 AT 11:02 AM (Merged)
Tiny
ASEMASTER6371
  • MECHANIC
  • 52,796 POSTS
I am trying but you must give me information to help you.

Please read my previous post and answer my requests so I can help.

Roy
Was this
answer
helpful?
Yes
No
Wednesday, August 19th, 2020 AT 11:02 AM (Merged)
Tiny
CHRISTINA CALLANS
  • MEMBER
  • 5 POSTS
  • 1999 FORD EXPEDITION
  • 5.4L
  • V8
  • 4WD
  • AUTOMATIC
  • 170,000 MILES
I put a new starter in a new solenoid in checked fuses battery is good. My truck still won't start. Sounds like it wants to start. Don't want to put in shop don't really have the cash to do so.
Was this
answer
helpful?
Yes
No
Wednesday, August 19th, 2020 AT 11:02 AM (Merged)
Tiny
JACOBANDNICKOLAS
  • MECHANIC
  • 110,194 POSTS
Hi,

Is the starter engaging and turning the engine, but it just won't start? Let me know. Until I hear back from you, here is a link you may find of interest. It discusses the most common causes of a crank no start condition.

https://www.2carpros.com/articles/car-cranks-but-wont-start

Let me know.

Joe
Was this
answer
helpful?
Yes
No
Wednesday, August 19th, 2020 AT 11:02 AM (Merged)
Tiny
CHRISTINA CALLANS
  • MEMBER
  • 5 POSTS
  • 1999 FORD EXPEDITION
  • 5.4L
  • V8
  • 4WD
  • 170,000 MILES
If the battery terminals need to be replaced would the truck even turn over?
Was this
answer
helpful?
Yes
No
Wednesday, August 19th, 2020 AT 11:02 AM (Merged)
Tiny
JACOBANDNICKOLAS
  • MECHANIC
  • 110,194 POSTS
Hi,

That really would matter how bad the cable or terminal is. Can you take a picture of what it looks like so I can see it? Also, explain what is happening.

Let me know.

Joe
Was this
answer
helpful?
Yes
No
+1
Wednesday, August 19th, 2020 AT 11:03 AM (Merged)

Please login or register to post a reply.