While driving everything turned off then car stalled

Tiny
PREACHAZ
  • MEMBER
  • 2007 SATURN OUTLOOK
  • 3.6L
  • 6 CYL
  • AUTOMATIC
  • 150,000 MILES
Was driving down the road everything inside truck turned off, then stalled. Replaced battery and alternator. Now battery isn't keeping charge.
Saturday, May 9th, 2020 AT 11:46 PM

1 Reply

Tiny
ASEMASTER6371
  • MECHANIC
  • 52,796 POSTS
Good morning,

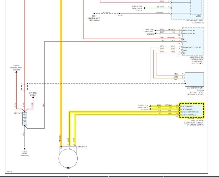
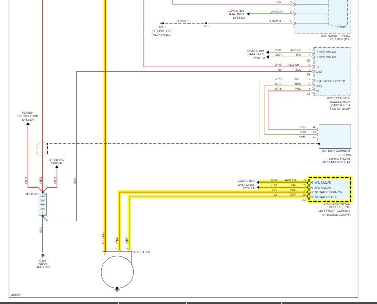
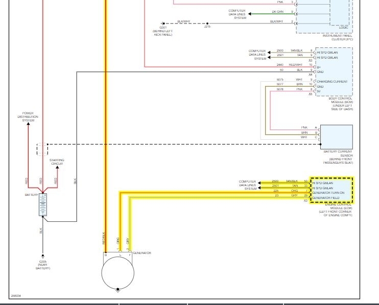
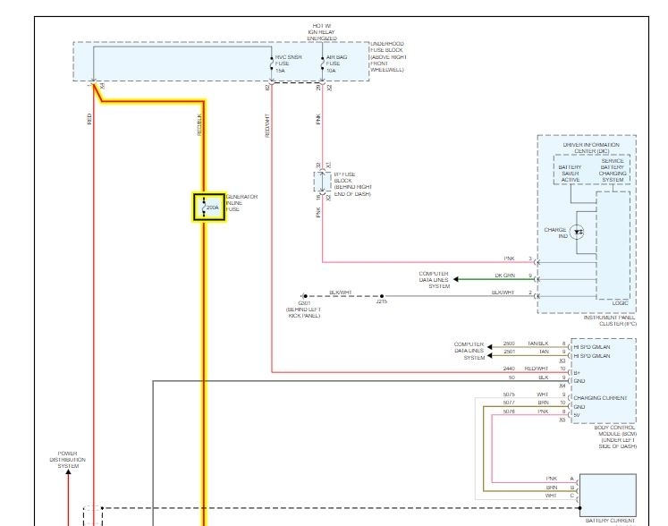
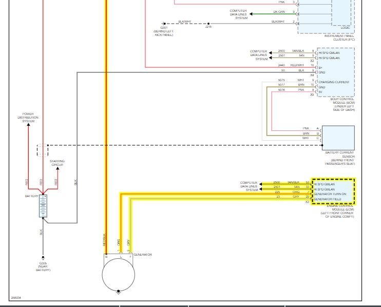
It sounds like the alternator is not working but need to test it to confirm.

https://www.2carpros.com/articles/car-battery-load-test

https://www.2carpros.com/articles/how-to-check-a-car-alternator

Do you have a voltmeter to do some simple testing?

https://www.2carpros.com/articles/how-to-replace-an-alternator

https://www.2carpros.com/articles/how-to-check-wiring

Roy

1. Disconnect the negative battery cable.
2. Remove the drive belt.
3. Reposition the battery positive junction block cable boot (1).
4. Remove the battery positive junction block cable to generator nut (2).
5. Remove the battery positive junction block cable terminal (3) from the generator stud.

imageOpen In New TabZoom/Print

6. Disconnect the engine wiring harness electrical connector (1) from the generator.

imageOpen In New TabZoom/Print

7. Remove the power steering reservoir inlet hose clip (1) from the power steering fluid reservoir hose clip bracket (2).

imageOpen In New TabZoom/Print

8. Loosen the idler pulley bolt (1) and slide the pulley out as far as possible.

imageOpen In New TabZoom/Print

9. Remove the generator nuts (3).
10. Remove the air conditioning (A/C) compressor/evaporator hose bracket (2) from the left generator stud.
11. Remove the power steering fluid reservoir hose clip bracket (1) from the right generator stud.
12. Remove the generator and idler pulley together from the vehicle.
13. Remove the idler pulley from the generator.
Was this
answer
helpful?
Yes
No
Sunday, May 10th, 2020 AT 4:09 AM

Please login or register to post a reply.