Sunday, February 2nd, 2020 AT 11:36 AM
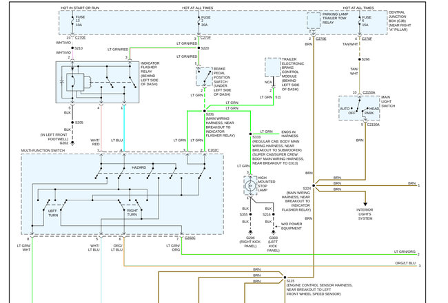
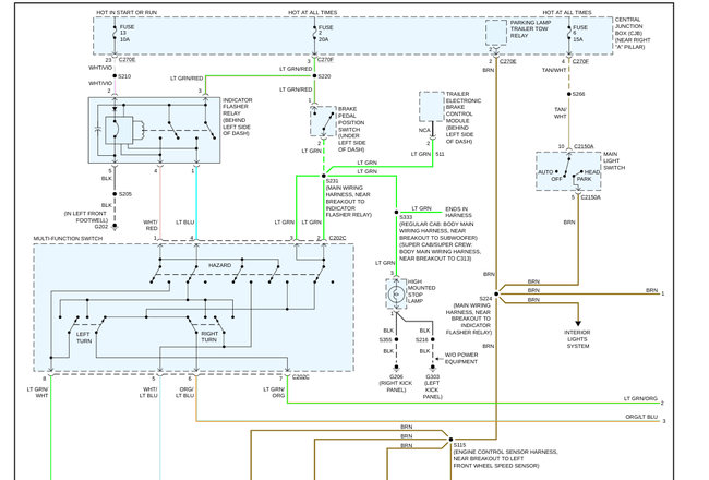
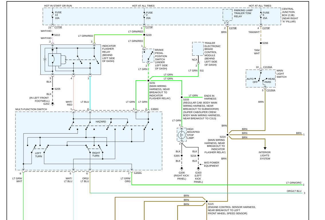
Will not shift out of park. No dash lights running. When I turn on turn signal cab light flashes too. I know my front headlight is burnt out. Blower for heat isn’t kicking on either. Fuses? Short maybe? Brake switch or shift interlock?








