After swapping engines there is no crank, no start and codes P0707 and P0706

Tiny
SCHYLER BENNETT
  • MEMBER
  • 2015 FORD ESCAPE
  • 2.0L
  • 4 CYL
  • TURBO
  • 4WD
  • AUTOMATIC
  • 70,000 MILES
I had someone swap out my engine with another stock engine because mine stopped working. Now my car won’t crank and the gear shift display on my dashboard won’t read what gear it’s in. P0707 and P0706 are the codes it gives. No wiring seems to be broken/unplugged. Any ideas on what to check?
Thursday, September 10th, 2020 AT 2:14 AM

1 Reply

Tiny
ASEMASTER6371
  • MECHANIC
  • 52,796 POSTS
Good morning,

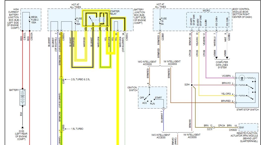
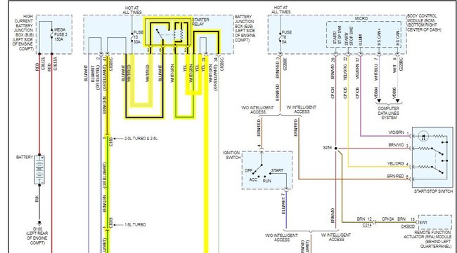
I attached a wiring diagram of the starting system for you to view.

https://www.2carpros.com/articles/how-to-check-wiring

If you have a voltmeter, we need to do some testing to see why this will not start.

https://www.2carpros.com/articles/how-to-check-an-electrical-relay-and-wiring-control-circuit

Roy

Transmission Range (TR) Sensor

Base Part Number: 7F293
Special Tool(s)/ General Equipment

image

Removal

1. Remove the main control cover.
Refer to: Main Control Cover See: Fluid Pan, A/T > Removal and Replacement > Main Control Cover (307-01 Automatic Transmission - 6-Speed Automatic Transmission - 6F35, Removal and Installation).

2. Disconnect the selector lever cable end from the manual control lever.

imageOpen In New TabZoom/Print

3. Remove the manual control lever nut and the manual control lever.

imageOpen In New TabZoom/Print

4. Disconnect the TR (transmission range) sensor electrical connector.

imageOpen In New TabZoom/Print

5. Remove the TR (transmission range) sensor detent spring bolt and the TR (transmission range) sensor detent spring.

imageOpen In New TabZoom/Print

6. NOTICE: Do not drive the manual control shaft pin through the manual control shaft. The manual control shaft pin will contact the transmission case causing damage to the transmission case.
NOTE: If the roll pin remover does not pull the roll pin far enough to clear the manual shaft, the roll pin can be pulled from the TR (transmission range) sensor with a pair of channel locks.

Using the roll pin remover, remove and discard the TR (transmission range) sensor roll pin.

imageOpen In New TabZoom/Print

7. If the roll pin did not clear the manual shaft by pulling it with a roll pin remover, remove the roll pin from the TR (transmission range) sensor with a pair of channel locks.
Use the General Equipment: Locking Pliers

imageOpen In New TabZoom/Print

8.
Remove the TR (transmission range) sensor in the following sequence.

1. Hold the TR (transmission range) sensor in place and slide the manual shaft outward until the manual shaft is out of the transmission case.

2. Remove the TR (transmission range) sensor from the transmission, leaving the park pawl actuating rod attached to the TR (transmission range) sensor.

image

Was this
answer
helpful?
Yes
No
+1
Thursday, September 10th, 2020 AT 4:04 AM

Please login or register to post a reply.