Monday, August 22nd, 2022 AT 5:01 AM
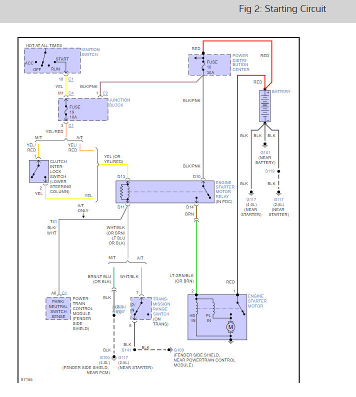
The vehicle listed above is a Cherokee. The battery is fully charged, I've had the starter tested and it is good. My problem is it won't do anything when I try to start it. The dash lights come on when I turn the key on, and it makes a dinging sound. Also, my windows have stopped working.











