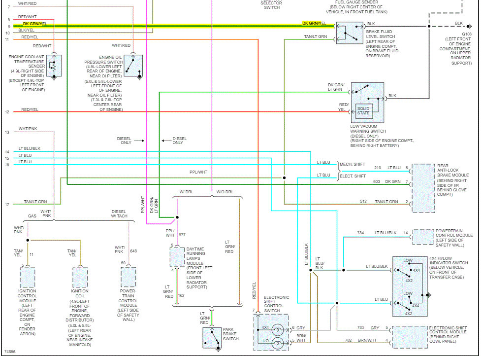
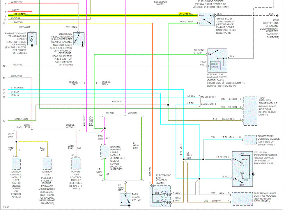
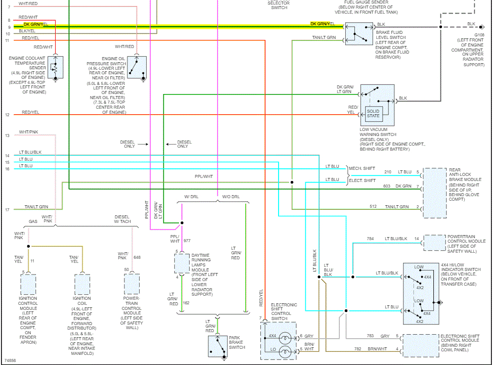
All other gauges work fine, as well as warning lights when I start the truck. I reviewed the wiring diagram in my Haynes manual, however it leaves a lot to be desired. I think I located the black wire with the light blue stripe and it is identified as a ground. Have not found what the green with yellow stripe wire is. Not sure about the accuracy of the diagram though. I will say, I checked all of the fuses related to any of the speed sensors, transmission controls, etc. And all fuses are fine. I cannot figure out what is wrong. I would appreciate some guidance. Thank you
Tuesday, November 30th, 2021 AT 11:22 AM







