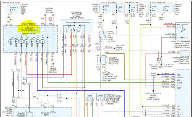
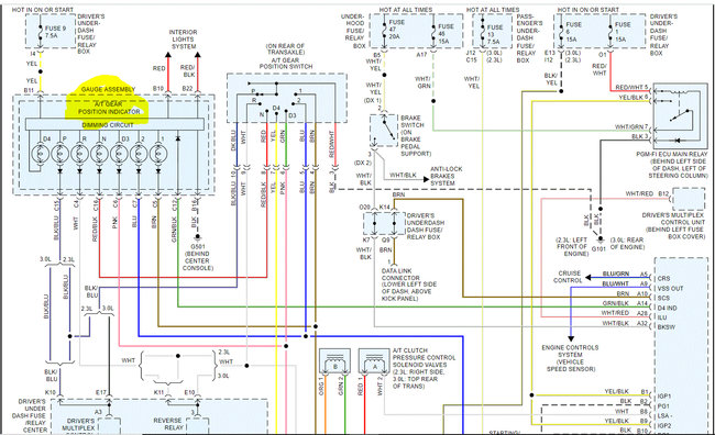
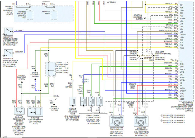
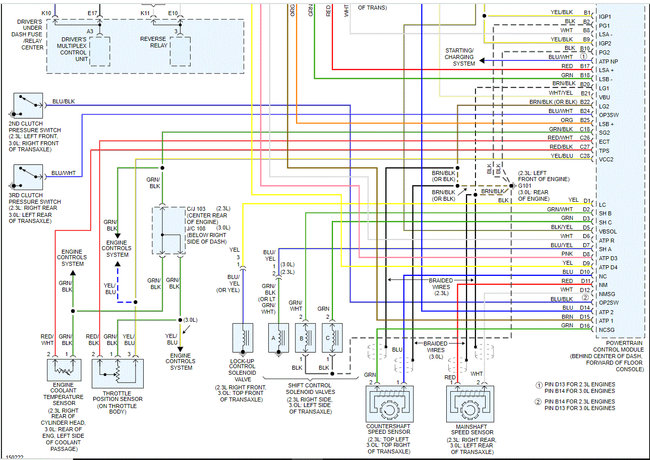
Thursday, April 22nd, 2021 AT 6:46 PM
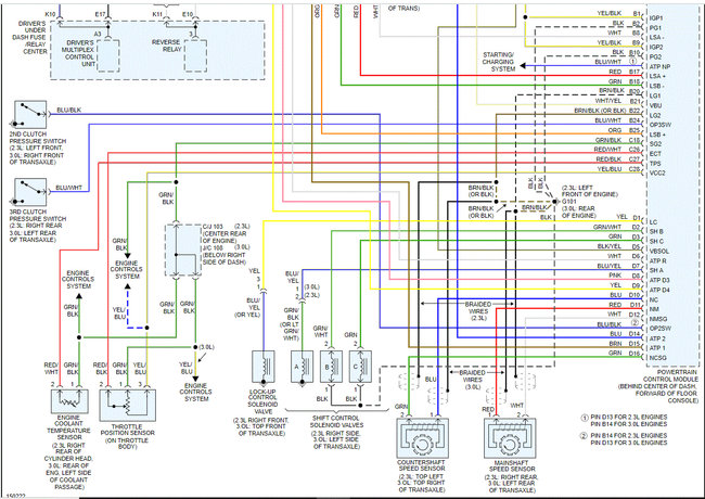
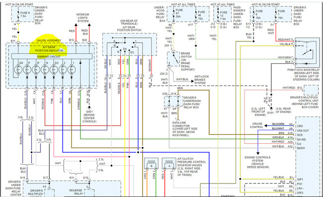
I had to add the extra components to the harness and repin a few of the connectors adding pins at the PCM as well. However it seems I'm still experiencing a few issues. All the gears engage and are indicated but the D5 light is flashing even though the connector is fine the pins are fine and the solenoid is working.


