Friday, August 13th, 2021 AT 4:21 PM
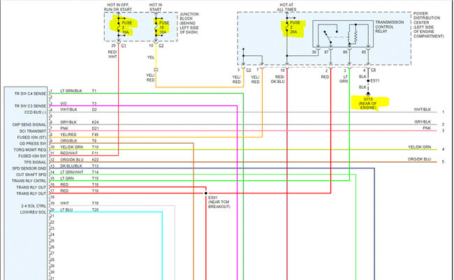
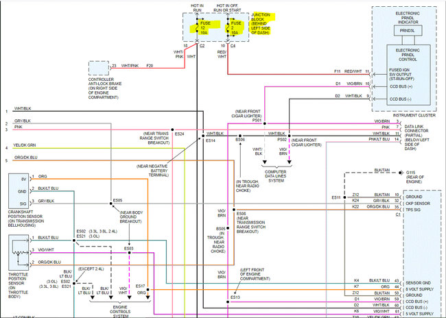
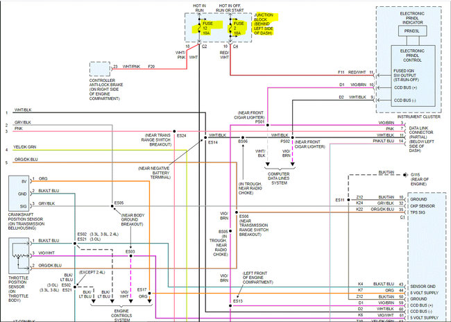
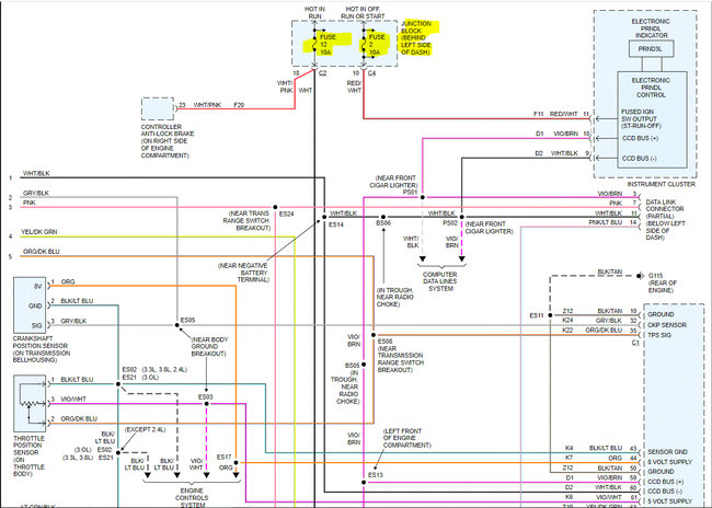
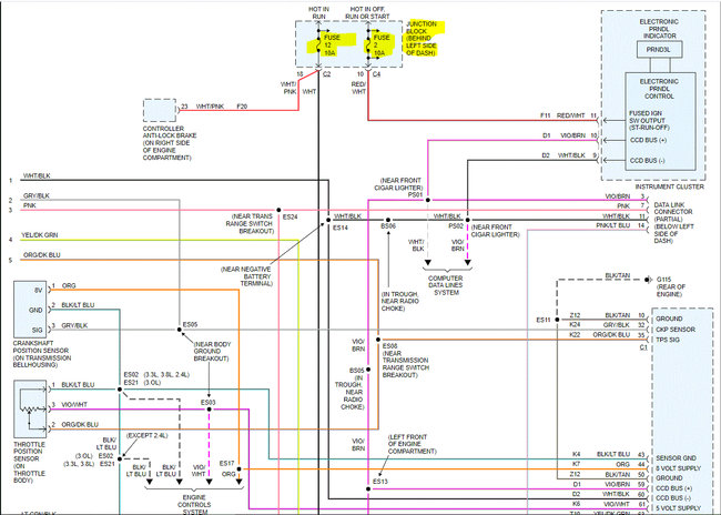
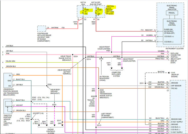
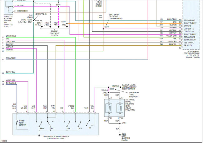
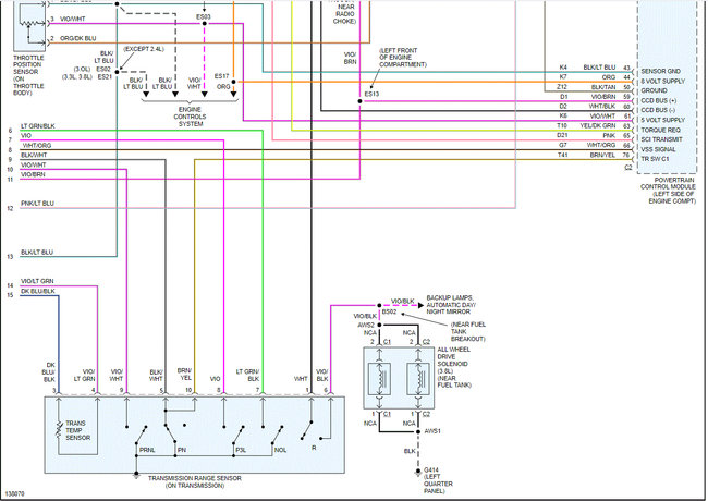
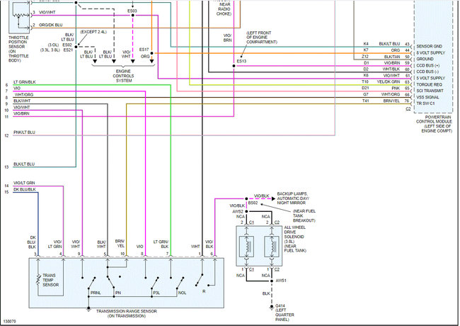
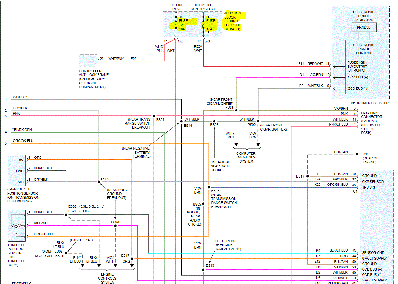
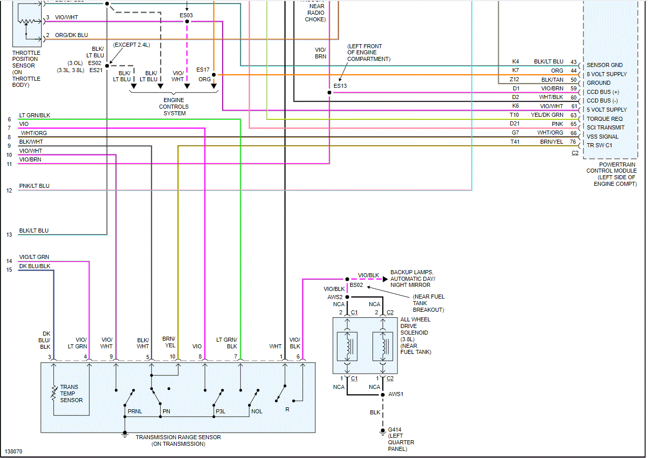
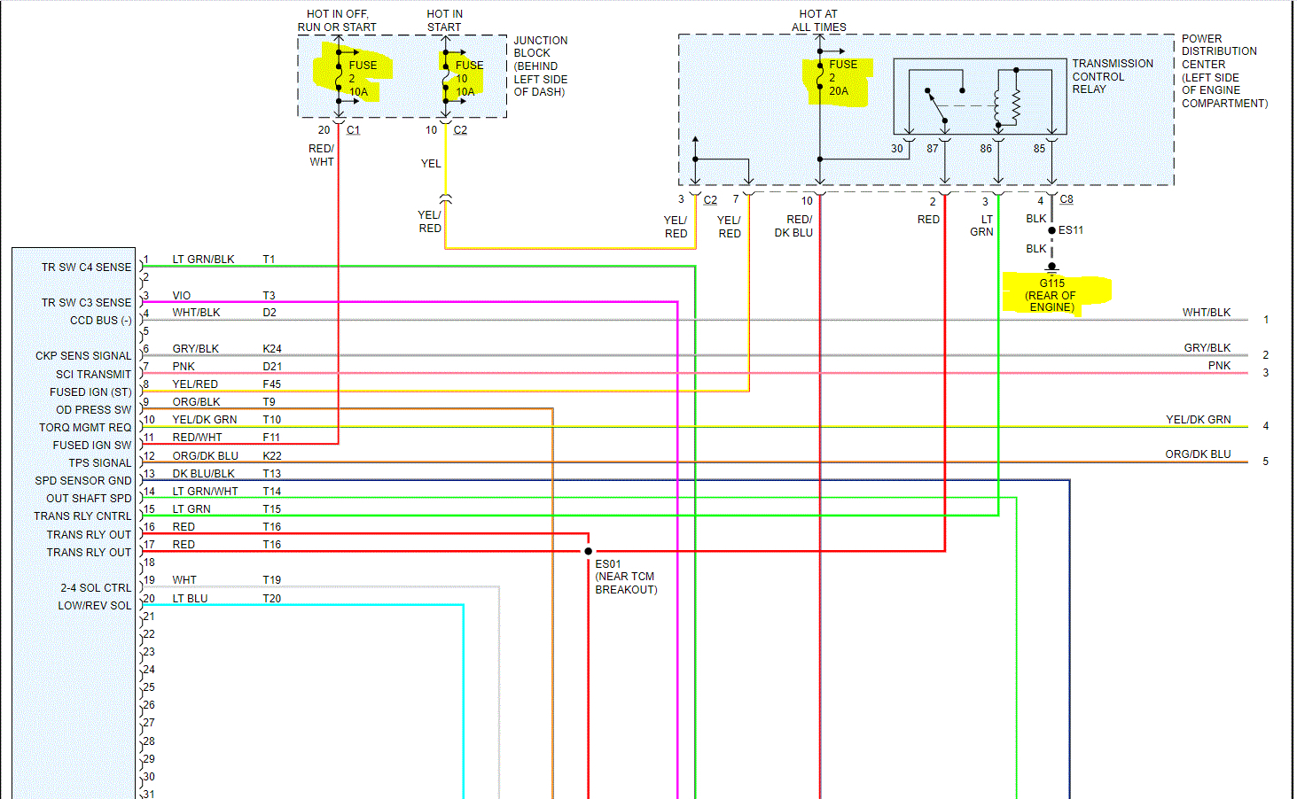
Hello, I hope you can help. I ran something over on the road and it cut my big wiring harness by my transmission clean in half. About 57 or so solder connections later I have her running again but now stuck in limp mode. My codes are p0700 and p1782 I have found that one of the speed sensors got yanked in half as well. I have replaced that one but still in limp. I'm in need of a wiring diagram to check my work and was also wondering g if the TCM and speed sensors are bench testable. Nothing else seems to jump out at me that it's broke so I think I have to check all the wires pertaining to my codes for continuity. And help you guys can give would be greatly appreciated. Thanks, Jay
























