Wiring Diagram to CAN bus needed?

2007 MAZDA 3
200,000 MILES • 2.3L • 4 CYL • 2WD • AUTOMATIC
Avatar
HUDUMASAUD
  • MEMBER
  • 45 POSTS
My vehicle is having problems and codes i get are usually related to wires contained under the high-speed CAN (HS CAN). Can someone help me with a guide on how to get to that CAN bus to see if the wires are intact and if it's a panel or something.
Jun 3, 2023 at 10:29 PM
Repair Safety Notice: This information is for general instructional purposes only. Vehicle repair can be dangerous. Verify all information, follow manufacturer service procedures, use proper tools and safety equipment, and consult a qualified repair shop when needed.
Advertisement
Avatar
AL514
  • AUTOMOTIVE REPAIR CONTRIBUTOR
  • 5,479 POSTS
Hello, what was the code you are getting? The wiring diagrams for this vehicle are not the greatest, but if you are getting a code for a specific module that would make things easier. The canbus network wires are always going to be a twisted pair of wires. Will most likely be the only pair of twisted wires going to each module in the wiring harness. The HS (high speed) canbus will be for high priority modules, ECM, TCM, ABS, type modules. I will post the information bus diagrams to show the network but post any codes you can of possible.
There are some tests you can do with a multimeter if you have one. Also do you have your own scan tool? If so, can it read more than just the engine computer?

Also, can you look at the tag under the hood and see if your vehicle is a California Emissions or Federal. The tag will be on the bottom side of the hood or right in front where the hood latch is.

https://www.2carpros.com/articles/can-scan-controller-area-network-easy
Jun 5, 2023 at 8:22 AM
Advertisement
Avatar
HUDUMASAUD
  • MEMBER
  • 45 POSTS
The codes are P0606, U0101, U0121, and U0155. i had to change the PCM and TCM but the problem still persists. I also used a multimeter to diagnose the OBD port for voltage and resistance and it all returned fine. And yes. I have and OBD 2 scanner.
Jun 5, 2023 at 8:44 AM
Avatar
AL514
  • AUTOMOTIVE REPAIR CONTRIBUTOR
  • 5,479 POSTS
Okay, can you do a full system scan, or does it just scan the PCM? What scan tool is it? If you can do a full system scan, there should be modules that are not communicating correctly. The Terminating resistors for this vehicle are in the PCM and in the Instrument Cluster
Also, what kind of issues are happening with the vehicle? Stalling out? no start?

I have a voltage test for you on the CANBUS wires at the PCM connector, they are going to be a twisted pair of wires and let's see if the canbus High is shorted to a power source.
The diagrams 1,2 are the network bus wiring, you can see the PCM canbus network wires in the 2nd diagram, the 3rd diagram shows those 2 wires, with the key On and the PCM still connected, if you can back probe the PCM connector at those two wires, but one at a time, they will be twisted, but check the blue/red wire and see what voltage you have on that wire first. And then check the grey/blue wire voltage reading and see if either are reading higher than 5 volts.
Jun 5, 2023 at 8:58 AM
Avatar
AL514
  • AUTOMOTIVE REPAIR CONTRIBUTOR
  • 5,479 POSTS
You already checked the terminating resistors in the network? These are the Flow Chart steps for communication issues, but I think you're going to find one side of the network might be shorted to a power source due to the P0606 code.
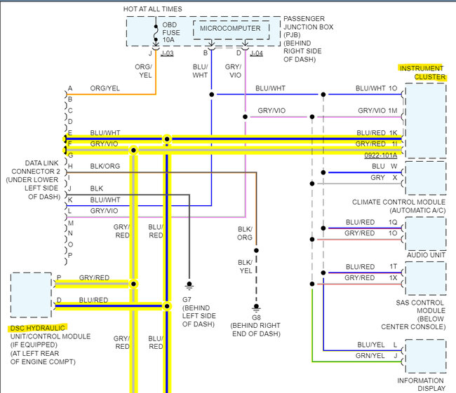
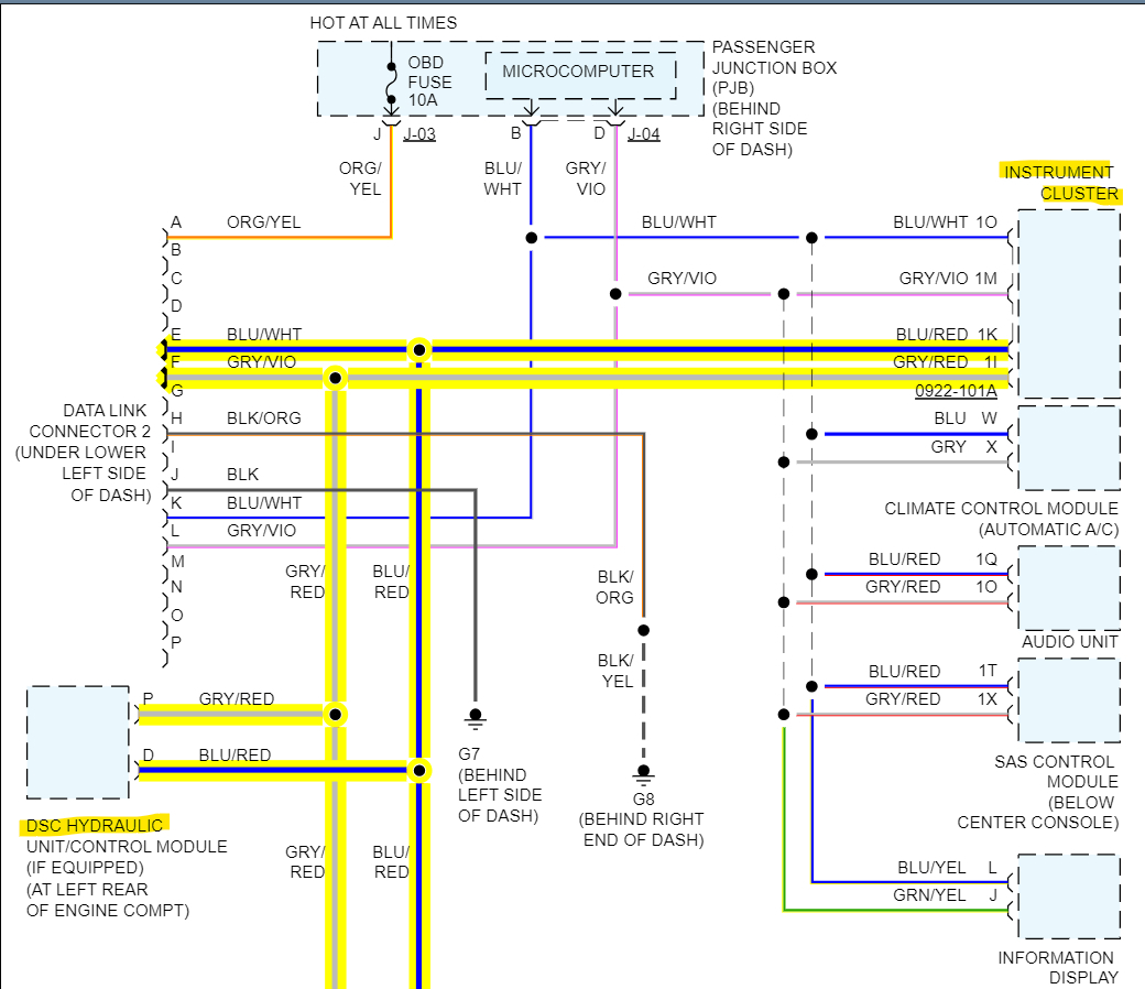
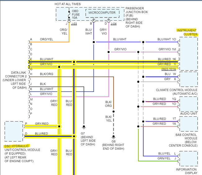
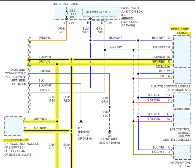
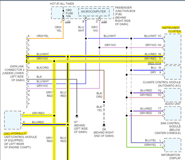
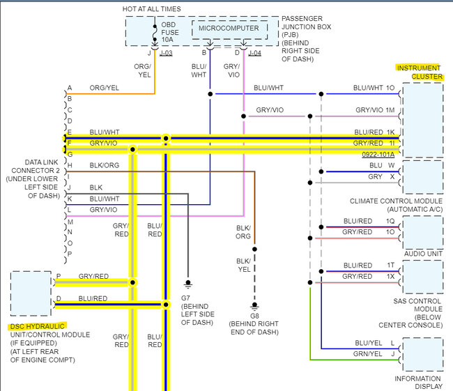
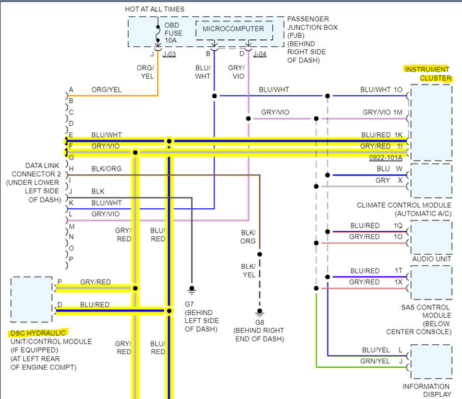
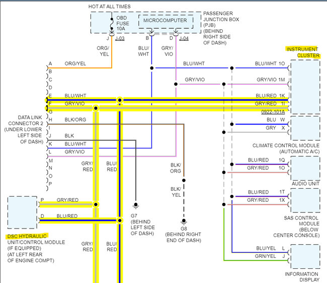
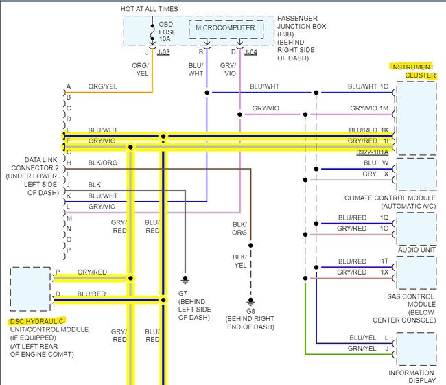
Diagrams 6,7 are the data link connector pins for the High Speed canbus that the PCM, ABS, TCM, are on, so check each one of those to ground (J pin).
Jun 5, 2023 at 9:32 AM
Avatar
HUDUMASAUD
  • MEMBER
  • 45 POSTS
I will do as you instructed, the vehicle use to stall out and the throttle will seize and working at rpm 0f 1500/1900, AT light will stay on, check engine lights will on also. Until i turn off the vehicle for a minute or two and the vehicle will start and resume to normal driving conditions with only the check engine light on. I usually do a full system Scan. Despite not having a crankshaft sensor code, i still changed it to new one. Thank you for your help.
Jun 5, 2023 at 2:46 PM
Avatar
AL514
  • AUTOMOTIVE REPAIR CONTRIBUTOR
  • 5,479 POSTS
Okay, on each of those Data link connector pins, if you're using a multimeter, you may only be able to read the bias voltage of 2.5volts. So, check each pin using the J pin as ground or battery negative. If you read something like 12volts straight on either pin, or 0-volts, that will tell us if either is shorted. It is also possible that there is another module that's messing up the network, if that's the case, we know it's not the PCM or TCM because you already replaced those. If you get a strange voltage reading, you can turn the key off, and unplug the ABS module next, and rescan, see if the network returns. The only modules left on that network should be the Cluster, DSC Hydraulic unit, or the EHPAS modules. The DSC is the Stability control which works with the ABS unit but shows on the data bus to be on the network as well as the ABS unit. The EHPAS is the Electro Hydraulic power steering module.
Now the Instrument Cluster is on a couple networks besides the one the PCM is on. Just verify the voltage situation first, and post what you find before getting into unplugging modules. If it's a wiring issue unplugging modules can misdiagnose the problem.
Jun 5, 2023 at 4:13 PM
Avatar
HUDUMASAUD
  • MEMBER
  • 45 POSTS
I took my time to go through your instructions and everything turns out fine, the car still have the same issue.
Yesterday i tried to give it a drive around town and highway but at lower RPMs(1000-2500) at all stages of gear and the car max speed was 50Mph and i was able to drive 70 Miles with no issue, then i tried to accelerate with Rpm (2500-3500) and the issue occurs almost instantly(30 seconds ). Turned off the car and waited a minute for it to reset, started the car again and drove at lower Rpm and it was fine for the next 10miles, tried hard acceleration and problem returned.
Jun 11, 2023 at 3:20 AM
Avatar
AL514
  • AUTOMOTIVE REPAIR CONTRIBUTOR
  • 5,479 POSTS
Okay, you got 2.5volts on the E and F pins of the data link connector? And you are still getting the same codes, with the P0606 showing up first? I'm just going over your case folder again. So, it seems that under a heavy load or wide-open throttle the fault occurs. Under 2500rpm it seems fine.
Something to note, that if it's a wide open throttle run where this is occurring, is that the PCM will go back into open loop during a throttle input like that, it does this because in that situation you need all the power you can get (for example if you're trying to get out of the way of oncoming traffic or a Semi) the PCM will ignore the Oxygen sensors and other input sensors, not worrying about emissions at that point, but go back into closed loop when you return to normal lower rpm driving. I'm wondering if that has something to do with this. I am just going to look through some more service info and let me know if you're getting any other codes now, or any other odd things you notice.

Ok when we look at the Flow Chart here for the canbus diagnostics, out of the 8 pages, I only get to page 2. Where its states on step 2, Are any DTCs other than the following displayed? And there is, the P0606. So, i think that is going to possibly be the source of our issue here.
On the OEM diagrams PCM pin 1AY is the Drive by wire Relay control pin. And hopefully these diagrams are correct. So let me pull up these PCM diagrams and see if there's anything that could link these issues together, maybe there is a short somewhere in the throttle control motors or relay circuit that is spiking the power feed and knocking out the comms or sending a voltage spike into the PCM or other modules.

Also, can you look and tell me if your vehicle is California emissions or Federal Emissions? It will be on the tag under the hood, or in the driver's door frame.

In the meantime, I want you to pull the Ignition Coils and inspect them one by one, look very closely at the coils boot that goes down to the spark plug for any carbon tracking or marks on them, take pictures of each coil if you don't mind. Check the spark plugs as well for any carbon tracking on the sides where the boot attaches on. Also look for any cracks in the plugs. Ignition coil spikes can jump into the Ground side of the electrical system and cause all kinds of strange issues. And at a higher rpm the coils will be stressed more with a high Kv voltage. There could be a coil spiking into the ground causing issues like this. Normally I would use an oscilloscope to monitor all the ignition coils for any high voltage spikes but in this case, you will have to do a close inspection of them. If there are any cracks in any of the spark plugs, they will be very small, so look closely. Take pictures of the plugs too if you don't mind. So, we can get to the bottom of this somehow. And we'll go from there.
Jun 11, 2023 at 8:41 AM
Avatar
HUDUMASAUD
  • MEMBER
  • 45 POSTS
Thank you for your response sir,

This is the information i could get for emmisions
ENGINE DISPLACEMENT : 2.81
TEST GROUP
: 7TKXV02.35NM
EVAPORATIVE/REFUELING FAMILY : 7TKXR0115GBK
EXHAUST EMISSION CONTROL, TYPE: TWC/WU-TWCIHO2S/HAFS/EGRISFI

Also, i will give you additional update on the images of the coil and plugs.
Also, some other codes use to come up sometimes if the problem occurs ,
The P040 is for Fan not on automatic. Attached is the image.
Jun 11, 2023 at 10:59 AM
Avatar
AL514
  • AUTOMOTIVE REPAIR CONTRIBUTOR
  • 5,479 POSTS
This is the emissions info I need, (highlighted in yellow) On Mazda it looks like they label it as "Regulations", you can see this is a California vehicle this tag is from. California has much stricter emissions laws than any other state, and the wiring diagrams are different between the two (Fed or Cali). This P0480 comes up when the vehicle stalls out, or when you get the RPM up to the fault level?
Also, you don't have any aftermarket devices plugged into the vehicle anywhere, do you? Things that did not come stock with the car.

With looking at all these codes, I think you need to check a couple things. The fuse panel on the driverside rear of the engine compartment. And check the PCM connectors for any corrosion or connector issues, theres too many codes pointing to the PCM at this point. The Cooling fan code P0480 is directly controlled by the PCM and the code is because the PCM is detecting and open or shorted circuit in the fan wiring. Its possible a power feed to the PCM is shorting to ground and causing the PCM to have power issues, but the fact that this is happening only at higher rpms.

Diagrams 2,3 are the PCM location which is in a case thats on top of the battery or next to it, service info is not great with this car. Im having trouble finding connector locations. But make sure the key is Off. Unplug one connector of the PCM at a time and check for corrosion inside the harness side connector and look at the PCM pins. Then plug in back in and check the other connector.
The 4th diagram is the fuse panel in the engine compartment. Im wondering if there is some issue with the pins in a connector somewhere,

Im also finding some other technicians running into some of these same issues, and the Battery was at fault, without a battery light on. So have the battery load tested, since the PCM and battery are together. Lets check that as well, I know this is kind of all over the place, and I apologize for that.
Jun 11, 2023 at 12:49 PM
Avatar
HUDUMASAUD
  • MEMBER
  • 45 POSTS
I changed the battery despite the old one having been tested to be okay. I changed it just to verify my taught. The P0480 is as a result that i am using the fan direct on battery through the relay(ignition must be on) also bypassing the Thermostat of the fan. Being Fed or Cali I can’t see the label. Today also, i drove for over 50 miles with no single issue at maximum RPM of 3,000. But once i did to make it to 4,000 at quick and the problem starts again until i waited a minute again. I then scan and wipe and no issues again so long as am on low RPMs.
I will check the coils and report back to you sir.
Thank you for your time.
Jun 11, 2023 at 3:27 PM
Avatar
AL514
  • AUTOMOTIVE REPAIR CONTRIBUTOR
  • 5,479 POSTS
oh okay, as long as you know what the cause of the P0480 is. Why are you bypassing any control circuits for the fan? And what relay are you powering it off of? I see the fans controlled by a Fan Control Module that receives a signal from the PCM according to the Engine Coolant temp sensor. The only reason I ask is because this P0606 code is labelled as an "Ignition Switch Terminal (PCM Terminal 1AY) Circuit Shorted to Power".

Do you have the fan wires cut and running to some random relay? Radiator fans can draw anywhere from 15 to 28amps when they start due to inrush current flow, If that is leaking into one of the PCM control circuits and there is no Fly back Diode across the fan, there can be a voltage spike of hundreds of volts. Especially if the relay is controlling the fan on the power side, that fly back voltage has to go somewhere, it will either jump the open relay contacts or go to ground. Even the relay needs a fly back diode across the control side, that's why you see these resistors in automotive relays. They include a resistor to help reduce the inductive kick of the relays coil. Ford uses a diode in series on their power circuits.

Speaking of diodes, I would check the AC voltage ripple coming out of the Alternator, switch your meter to AC voltage and check from the Alternator S post to battery negative at idle, and then raise the rpm to 3000 and see how much AC voltage there is. If it's over 50mv, that's a problem. It might be rising at that higher RPM.
Jun 11, 2023 at 6:09 PM
Avatar
HUDUMASAUD
  • MEMBER
  • 45 POSTS
At idle, the multimeter reads 30mV and at 3,000-4,000 RPMs it was reading up to 60-70mV.
Jun 12, 2023 at 5:39 AM
Avatar
AL514
  • AUTOMOTIVE REPAIR CONTRIBUTOR
  • 5,479 POSTS
Did it fault (stall or drop out) when raising the rpm? Or is that something that happens only when driving? Do you have an oscilloscope?
What is the circuit design for the fan too, did the fan module fail or something?
Jun 12, 2023 at 9:08 AM
Avatar
HUDUMASAUD
  • MEMBER
  • 45 POSTS
The test was performed on the alternator using the S terminal and the result is (At idle, the multimeter reads 1- 30mV and at 3,000-4000 rpm it was reading up to 60-70mV) and it was fluctuating by rising and dropping based on the following values 0,2,5,6,7,6,5,2,0 when rpm to 4,000

The fan is working normal, and the fan have been like dis for over a year before the issues starts.
The fan wiring is done by disconnecting the fan regulator and resistors then connecting the new relay for the fan from the fuse box that have ignition current

No, I don’t have an oscilloscope, i looked at the reading on the.
Jun 12, 2023 at 9:23 AM
Avatar
AL514
  • AUTOMOTIVE REPAIR CONTRIBUTOR
  • 5,479 POSTS
Yeah, I understand the fan has been like that for a while, but voltage spikes won't always cause a fault right away. Those numbers aren't excessive AC ripple. Its the first code we need to figure out, that P0606. Since it's fed into the PCM it might be causing the other codes. Since most automotive engine computers power up in different sections, the PCM could be dropping out and triggering the no comms to other modules because of that. and with it only happening at this specific higher rpm it's tough to catch. We need to be able to see what exactly is dropping out at 4k rpm.
On you scan tool when you look at that one code (p0606) there should be a option to look at the Freeze Frame data which is the engine data from when the code set. Can you pull that up so we can see if there's anything that looks out of place during that one fault?
There has to be something happening at that rpm, such as possibly the Alternator is not able to put out enough current at that engine speed, or the battery, we're missing something due to it being difficult to test while driving that speed.
Jun 12, 2023 at 9:35 AM
Avatar
HUDUMASAUD
  • MEMBER
  • 45 POSTS
I will do that, but right now, i have gotten a new Alternator which i want to try out.
Jun 12, 2023 at 9:37 AM
Avatar
AL514
  • AUTOMOTIVE REPAIR CONTRIBUTOR
  • 5,479 POSTS
Okay, load test the battery too, just put your meter on the battery during cranking and see what it's the lowest voltage it drops too. It's a quick easy test.
Jun 12, 2023 at 9:41 AM
Avatar
HUDUMASAUD
  • MEMBER
  • 45 POSTS
The test result for the battery is 10.9.
Jun 12, 2023 at 9:43 AM
Avatar
AL514
  • AUTOMOTIVE REPAIR CONTRIBUTOR
  • 5,479 POSTS
Okay, that's a good number.
I looked on the All-Data tech community section and am finding that code, where the tech will verify PCM powers and grounds, then replace the PCM for the repair. But I don't want you to just have to try a PCM and see if it repairs the issue. Just changing computers is not really diagnosing the issue. Especially since we don't know what may have caused that failure. After you swap out the Alternator, recheck the AC ripple and see if it's any lower at high rpm.
Jun 12, 2023 at 9:45 AM
Avatar
HUDUMASAUD
  • MEMBER
  • 45 POSTS
I have changed PCM already and problem persist.
Jun 12, 2023 at 9:52 AM
Avatar
AL514
  • AUTOMOTIVE REPAIR CONTRIBUTOR
  • 5,479 POSTS
Okay, well let's see what the Alternator does. I'm worried something is causing these internal PCM failures. Thats really what the P0606 code is. So, I hope the Freeze frame data has something in it.

I looked over these codes in service info again and these U0101 no comms w/ TCM, U0121 no comms w/ ABS, and U0155 no comms w/ Cluster are all being set from the PCM. So, it's not the other modules setting these codes, it's the PCM not being able to talk to those modules. Not the other way around, which is why you probably had good voltage readings at the data link connector.
Jun 12, 2023 at 9:59 AM
Avatar
AL514
  • AUTOMOTIVE REPAIR CONTRIBUTOR
  • 5,479 POSTS
These are the PCM connector with the network wires and testing in diagram 1. Check to see if theres any issues from the PCM to the rest of the modules. Let me know what you find.
Jun 12, 2023 at 12:25 PM
Avatar
HUDUMASAUD
  • MEMBER
  • 45 POSTS
I have tried the new alternator and i have been driving with both low and high rpm and not until after 60miles the problem resurfaced. All the voltage test have been performed and they read normal it's like the PCM reports the issue like a moment there is a spark somewhere and by the time i rush with my multimeter the spark would have stopped and the PCM will just wait for reignite before it comes back to normal. Now i want to face the Fan connection and correct it because I realize the wires connecting the fan are having very high hot and whenever the problem occurs, the Air conditioner will stop working but the air blower will be working.
Jun 17, 2023 at 8:52 AM
Avatar
AL514
  • AUTOMOTIVE REPAIR CONTRIBUTOR
  • 5,479 POSTS
Okay, are you still getting the same 4 codes as before (P0606, U0101, U0121, and U0155)? And how do you have the Fan wired up right now? This sounds like a temperature related issue. Sometimes when a PCM or any other circuit board gets a cracked solder joint, the crack won't open up until the board gets hot, causing an open circuit. The A/C compressor is a large load on the electrical system, that's why I'm curious about how exactly the Fan is wired, that way we can possibly have you back probed into a connector somewhere to monitor the voltage and catch the fault when it happens. I would do this same type of diag but with a scope on the network wires to see if the PCM comms (can bus) are dropping out at some point.
Jun 17, 2023 at 9:23 AM
Avatar
HUDUMASAUD
  • MEMBER
  • 45 POSTS
I will like to start by thanking you for the support and guidance you have contributed. I took my time to go over all the details.

The RPM range is not the cause of it. It can happen even at lower RPMs. What only remains is to rework the fan back to normal and get back to you. I have ordered for the fan set and it has yet to arrive. I will keep you updated.
Kudos to you and 2carpros.com.
Jul 2, 2023 at 2:54 AM
Avatar
HUDUMASAUD
  • MEMBER
  • 45 POSTS
Anytime the fault occurs, all i need to do is just remove the negative terminal of the battery and replace it with 5 seconds and the problem will temporarily solved.
Jul 2, 2023 at 2:57 AM
Avatar
AL514
  • AUTOMOTIVE REPAIR CONTRIBUTOR
  • 5,479 POSTS
The disconnecting the negative battery cable is just resetting the PCM, some faults need to be detected a number of times (or key cycles) before any codes are set, so you're just erasing any of the fault data when you disconnect the battery.
Just looking back on the previous case folder, it has been a while, you mentioned the wires for the fan were getting hot, I assume you have the relay wired into the Ignition switch, is the load side of the relay coming from any specific fuse? So, the side of the relay that feeds power directly to the fan? I know you're planning on restoring everything to its original setup, I'm just wondering if the fans power feed is coming through the PCM in any way. If the power is coming off any fuse, which one is it? The wires getting hot means there is too much current flowing through those wires, sometimes when a fan fails, it will take out the original relay or fuse panel first, appearing to be a fault in the relay or fuse panel, when the actual failure was the fan drawing too much current, it can be deceiving. Especially when you start getting communication codes popping up as well. It's difficult to find the root cause of what is really happening. That is definitely the issue here.
So, if we can track down the circuit that the fan is on right now and see if it leads to any circuits that can't handle that much current flow. With excessive current flow, it can take a longer time until something finally burns out. Since most automotive components are designed for some heat and exposure to the elements.
Jul 2, 2023 at 12:43 PM
Avatar
HUDUMASAUD
  • MEMBER
  • 45 POSTS
Good morning, sir.

The problem is no more, after resetting the fan wiring back to its resistor controller. I have driven over 1000 (1k) miles with no p0606.
Kudos to you.
You have solved my problem.
Thank you so much.
I really appreciate you.
Aug 22, 2023 at 2:57 AM
Avatar
AL514
  • AUTOMOTIVE REPAIR CONTRIBUTOR
  • 5,479 POSTS
Okay, good. It's been a while, glad you got it figured out.
Aug 22, 2023 at 12:48 PM