HOME
ASK A QUESTION
REPAIR GUIDES
BECOME A MEMBER
LOG IN
Login with Facebook
OR
Remember me
NOT A MEMBER?
FORGOT PASSWORD?
CONTACT US
PRIVACY POLICY
TERMS AND CONDITIONS
☰
Home
Chevrolet
Suburban
Interior
Instrument Cluster
Wiring
Wiring diagram for instrument cluster
SHANE SANDERS
MEMBER
2001 CHEVROLET SUBURBAN
5.4L
V8
2WD
AUTOMATIC
251,000 MILES
No power to Instrument cluster displays.
Monday, June 27th, 2022 AT 12:49 PM
2 Replies
SHANE SANDERS
MEMBER
2 POSTS
I believe the wiring harness pins are loose and need to be removed and tightened or replaced on the vehicle side of the harness.
Was this
answer
helpful?
Yes
No
Monday, June 27th, 2022 AT 1:19 PM
SQM
MECHANIC
6,383 POSTS
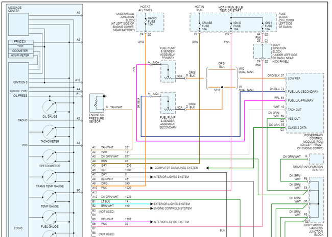
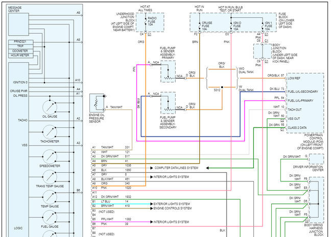
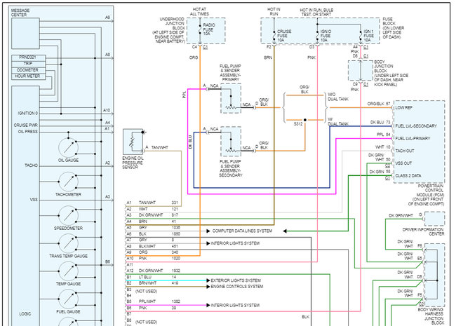
Hello,
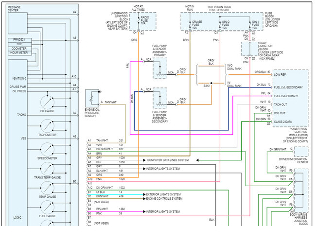
I have attached the wiring schematics for the gauge cluster as well as the pinout.
Let me know of any questions.
Thank you.
https://www.2carpros.com/articles/how-to-check-wiring
Images (Click to make bigger)
Was this
answer
helpful?
Yes
No
+1
Monday, June 27th, 2022 AT 2:40 PM
Please
login
or
register
to post a reply.
Related Instrument Cluster Wiring Content
Several Of My Gauges (fuel, Oil And Tachometer) Are...
Several Of My Gauges (fuel, Oil And Tachometer) Are Not Working And Now My Electrical Mileage Range Is Off. Will This Cost A Lot To...
Asked by
Cbloomenstein
·
9 ANSWERS
7 IMAGES
2003
CHEVROLET SUBURBAN
2003 Chevy Suburban Electrical Issues
My Speedometer Recently And Intermittly Started Not Working Ex: Shows I'm Doing 65 When Only Going 25, Also When Idleing It Flutters And...
Asked by
womackdist
·
5 ANSWERS
2003
CHEVROLET SUBURBAN
2002 Chevy Suburban
2002 Chevy Suburban How Does One Get To The Center Instrument Panel Fuse Block?
Asked by
Peter Thompson
·
3 ANSWERS
2002
CHEVROLET SUBURBAN
2000 Chevy Suburban Theft Damage To Electrical
My Suv Was Broken Into And The Thieves Ripped The After-market Stereo Out Of The Dashbaoard, Obviously Pulling Essential Wiring Out Of...
Asked by
rasshad
·
1 ANSWER
2000
CHEVROLET SUBURBAN
Temp Going Up And Down
I Have A 96 Suburban W/350, 194,000 Miles. Few Days Ago, I Noticed The Coolant Temp Started To Go Up. Went Up High Enough That The Check...
Asked by
CESMEK
·
1 ANSWER
CHEVROLET SUBURBAN
VIEW MORE
Ask a Car Question. It's Free!
Instrument Cluster Replacement
How to Use a Test Light
Airbag Removal - Drivers Side