Wiring diagram needed

Tiny
NIKKI_1234
  • MEMBER
  • 2003 GMC YUKON
  • 220 MILES
Windshield wipers stopped working, blinkers stopped working, radio stopped working, dashboard stopped working and park lights stay on for a few minutes after motor is shut off.
Saturday, August 7th, 2021 AT 3:46 AM

1 Reply

Tiny
KASEKENNY
  • MECHANIC
  • 18,907 POSTS
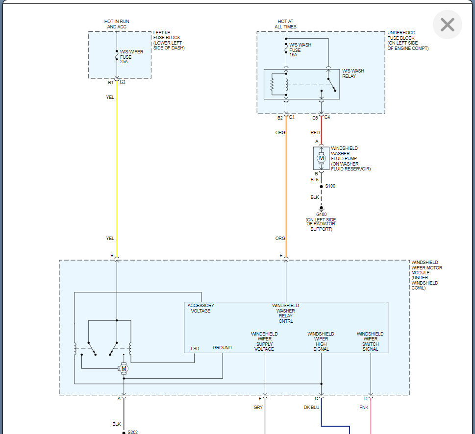
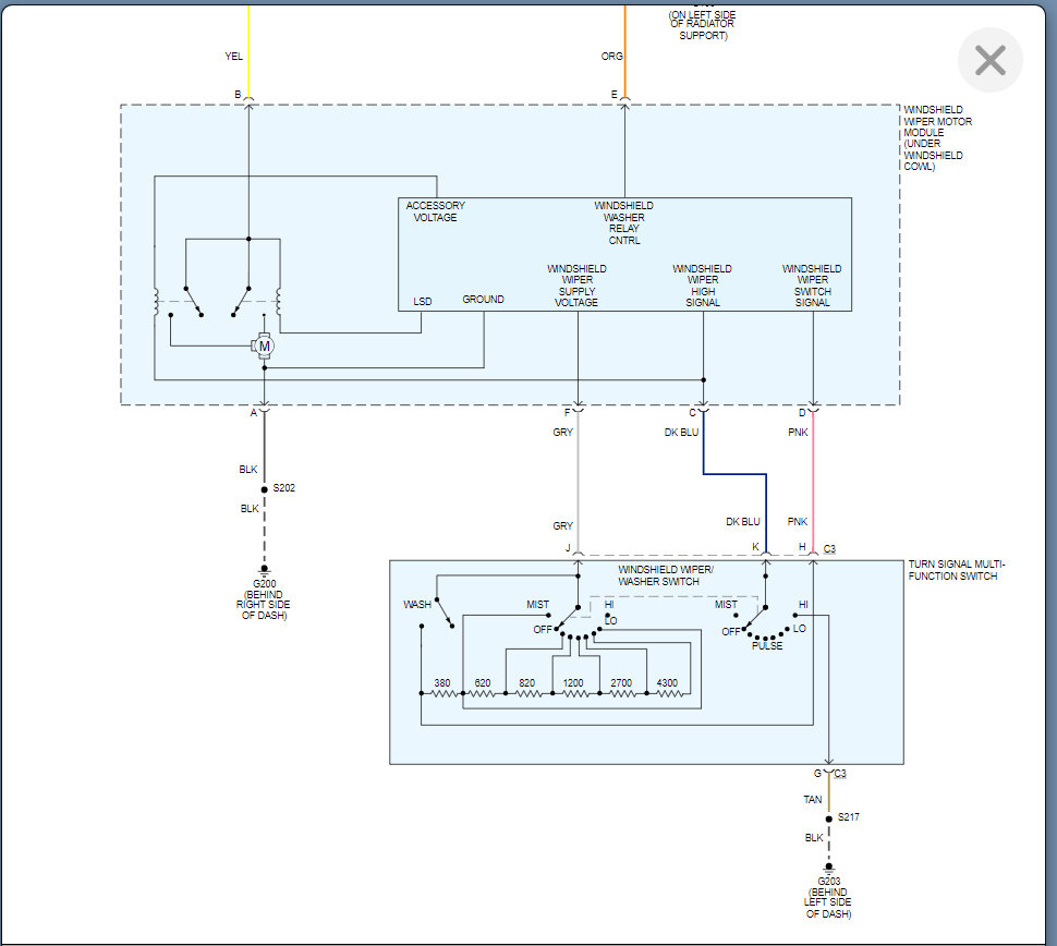
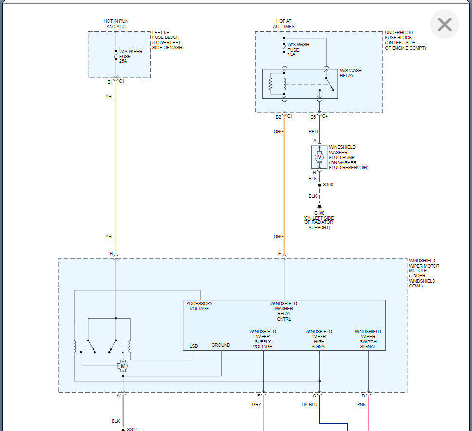
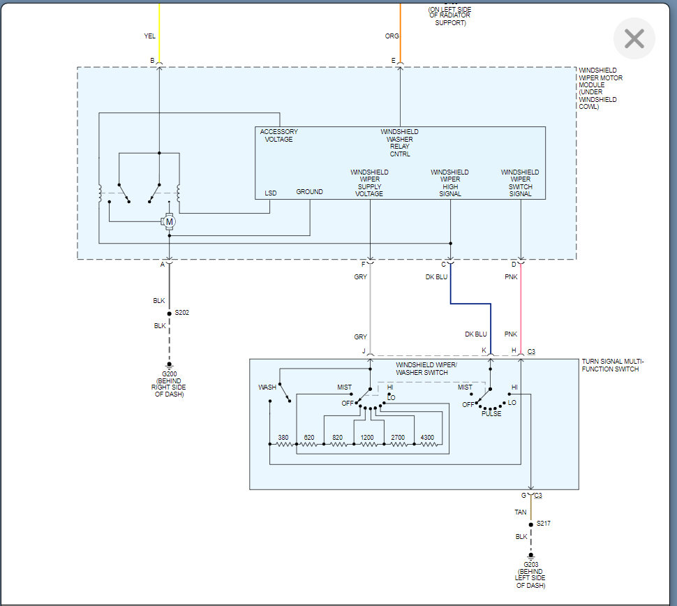
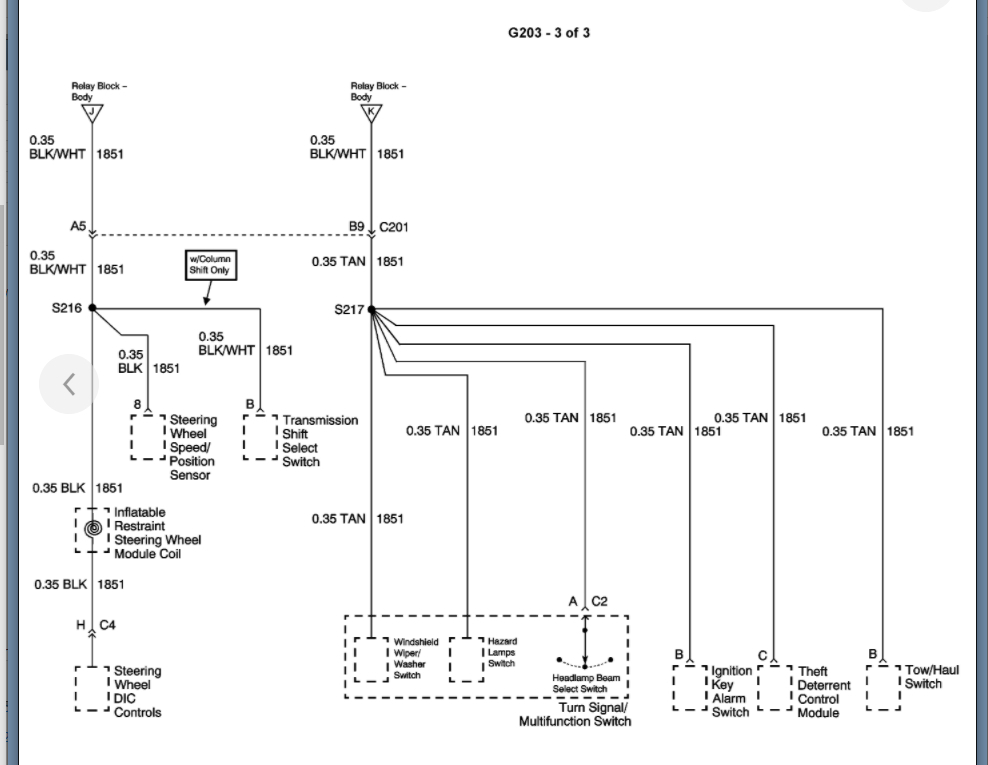
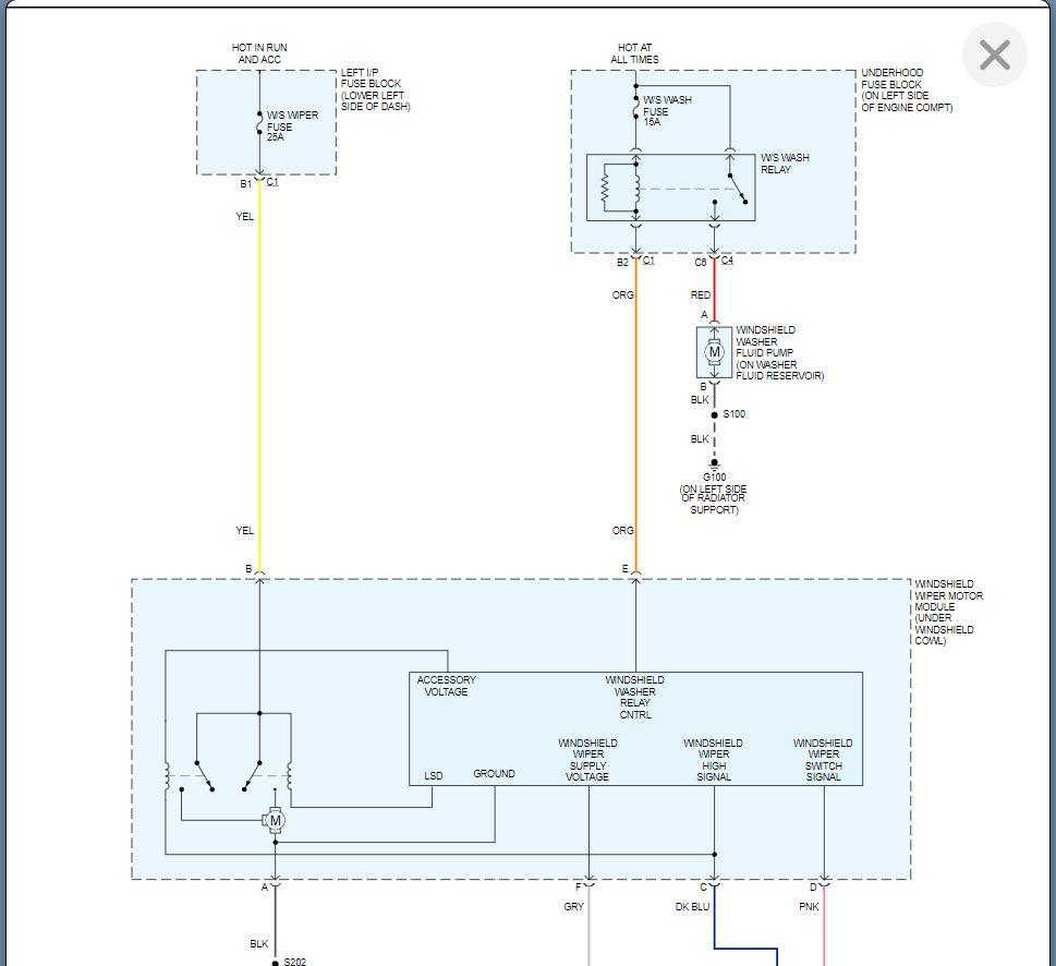
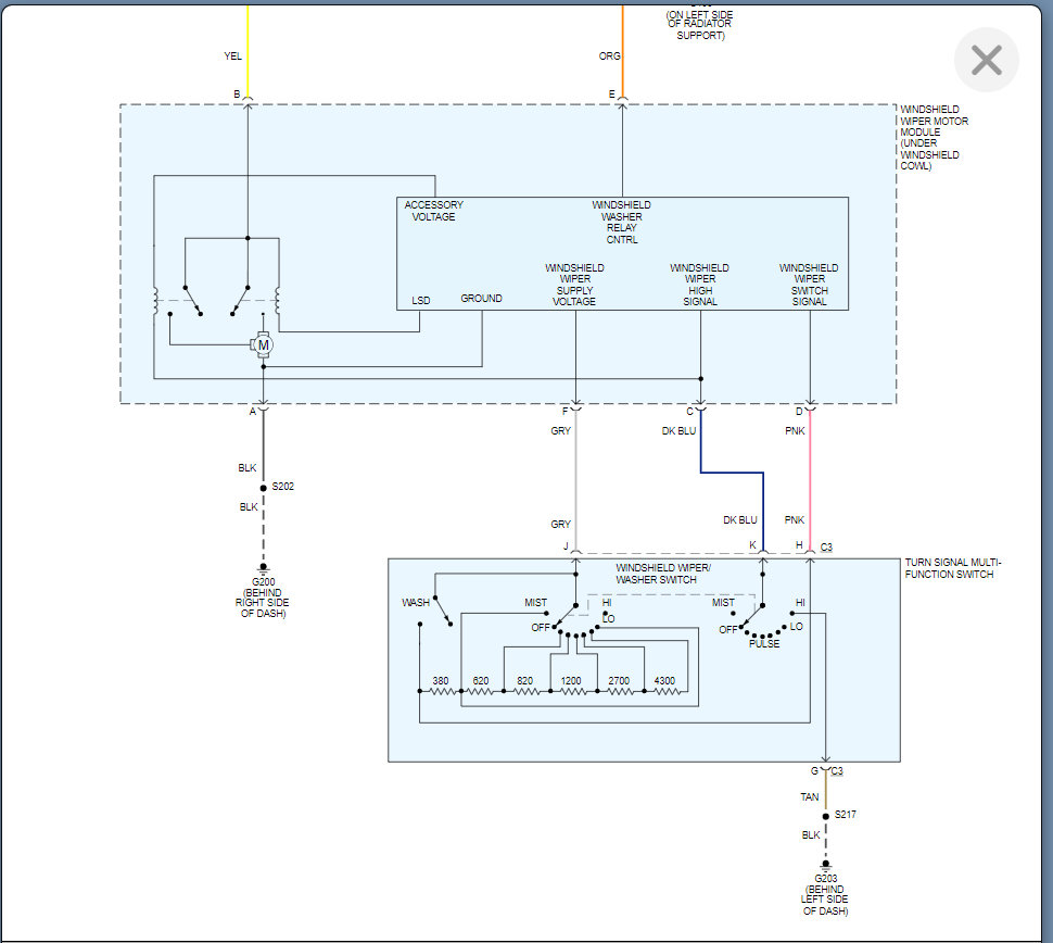
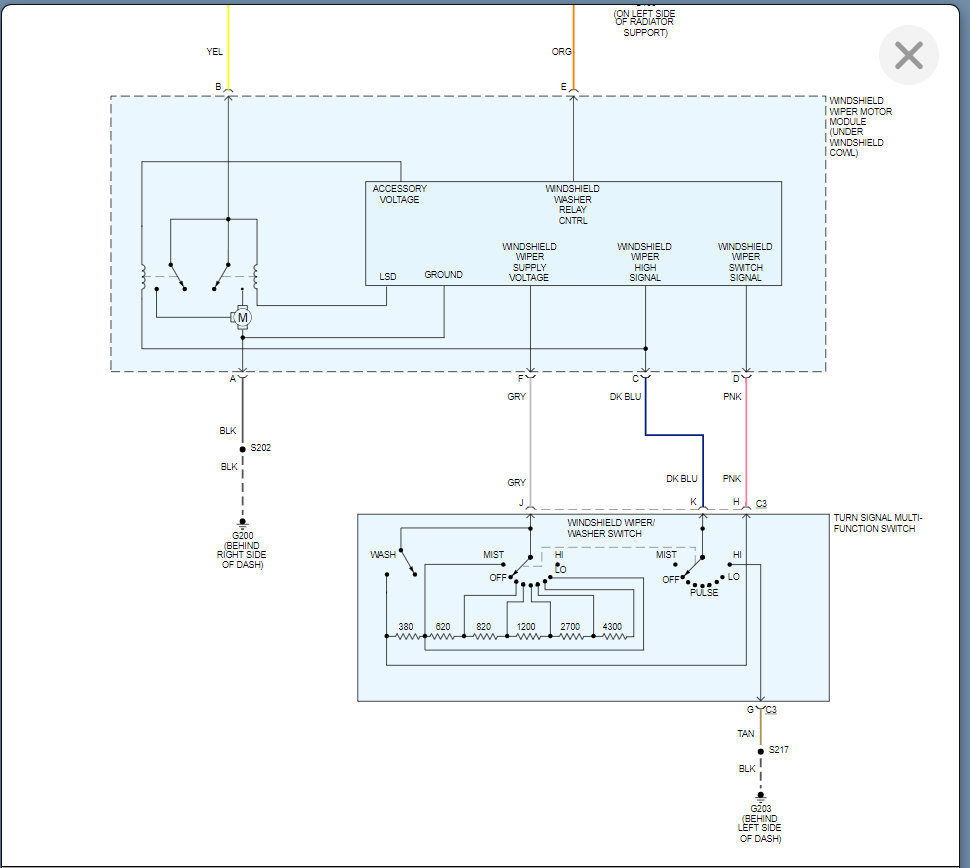
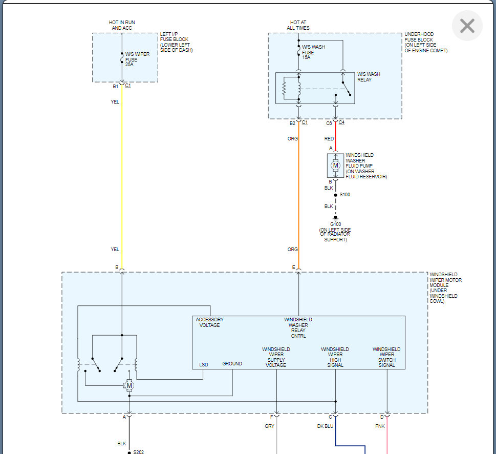
I am attaching the wiring diagram for the wiper system as I suspect these are all related if they all started at the same time.

Any time there are multiple different systems like this that fail, it can get overwhelming to try and figuring out what the possible issue is. So it is best to pick one system and figure out what is going on with this and fix it. If that solves all the issues then that is great, if not, move onto the next.

The wiper system of these is going to be the easiest as it is a pretty basic system.

What I would do is turn the wipers on and check voltage at the motor and make sure you have 12 volts on the yellow wire when you have them turned to high.

This system is called a ground side control or low side driver which means the switch is on the south side of the load which is the motor in this case.

Here are a couple guides that will help with this:

https://www.2carpros.com/articles/how-to-check-wiring

https://www.2carpros.com/articles/how-to-use-a-voltmeter

If you move the switch to the lower settings then you will have lower voltage on this wire as this is how it controls speed of the wiper motor.

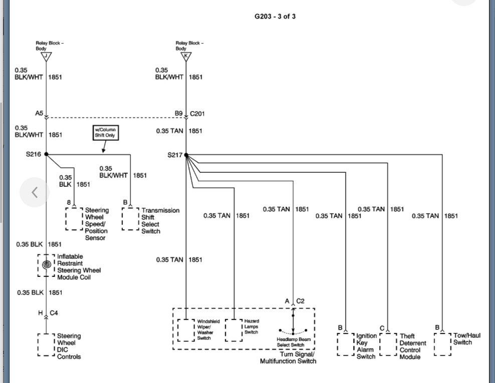
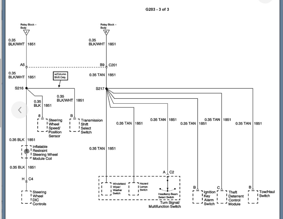
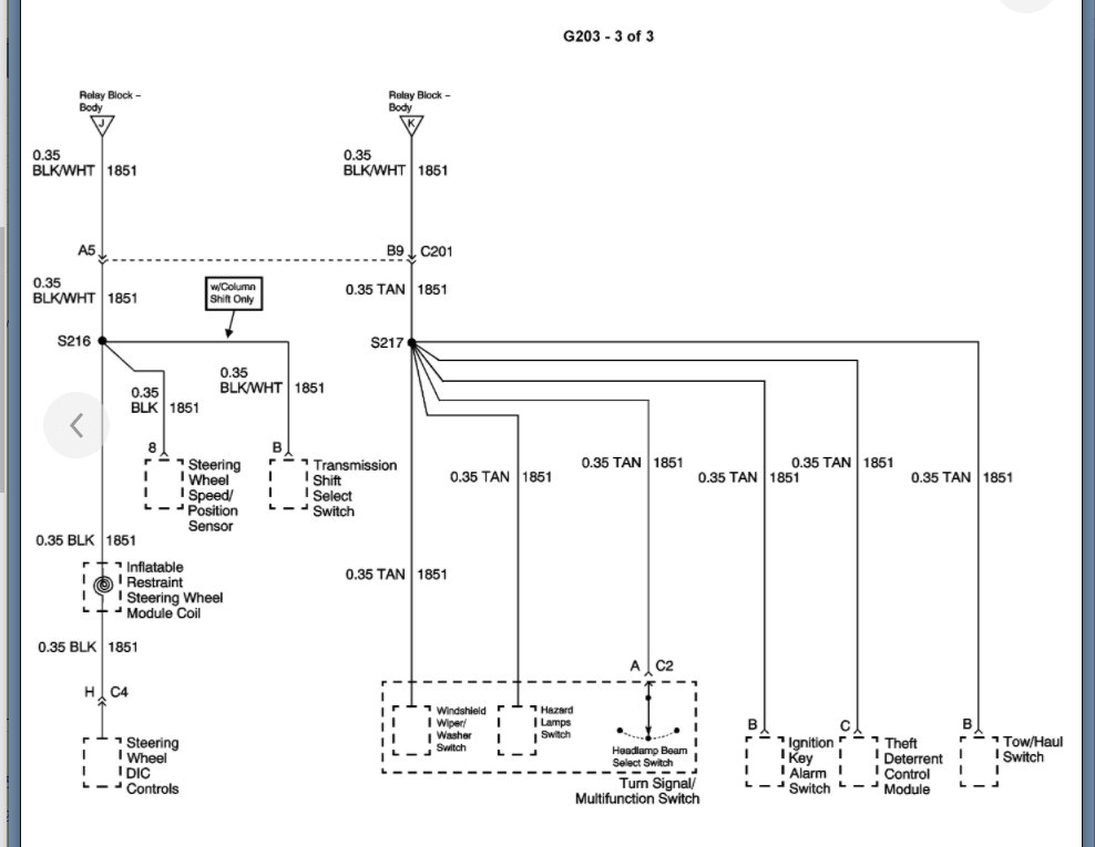
However, if I am going to put my money on one thing, I suspect the ground is the issue. I attached what is included and it looks like this ground is at least related to each of these items.

I attached the info below that will help find this location if you just want to jump to it and check it. Let me know if you have questions.
Was this
answer
helpful?
Yes
No
+3
Sunday, August 8th, 2021 AT 9:21 AM

Please login or register to post a reply.