Friday, August 23rd, 2024 AT 5:06 AM
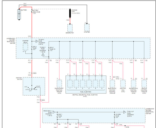
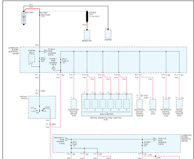
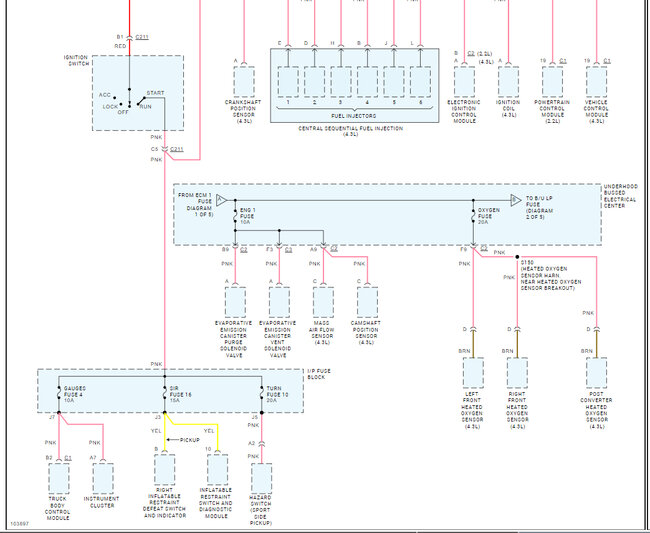
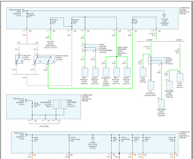
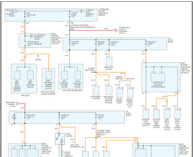
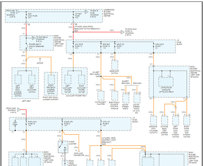
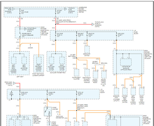
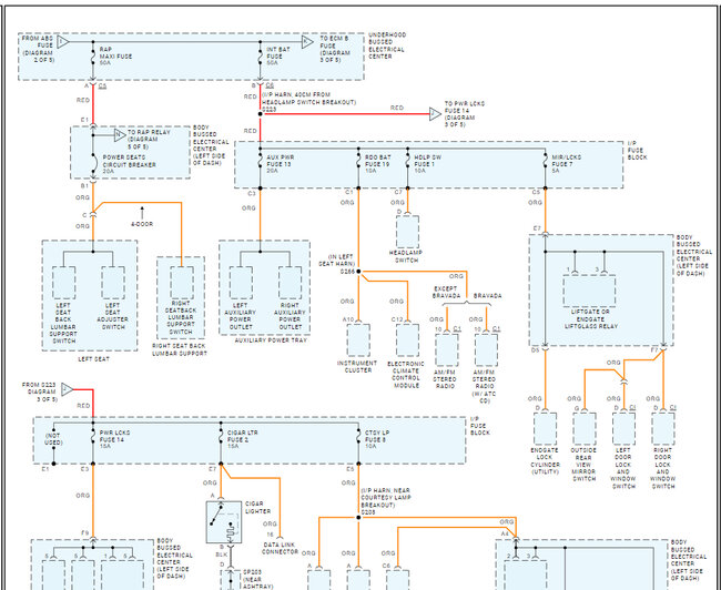
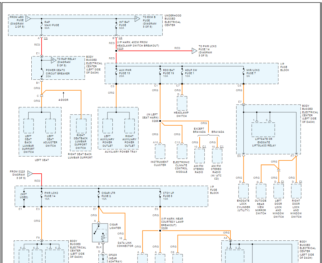
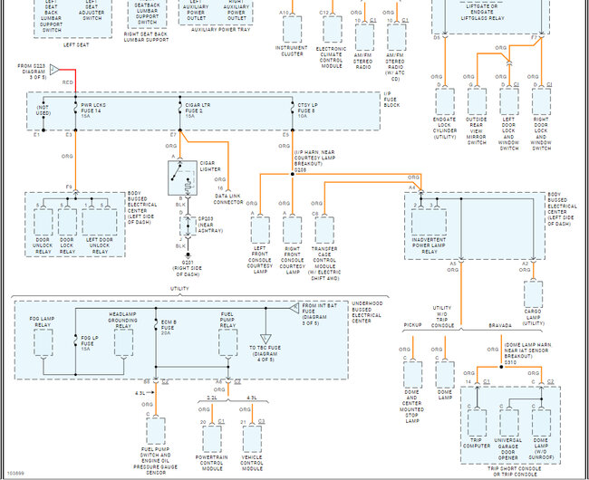
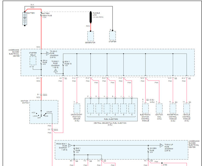
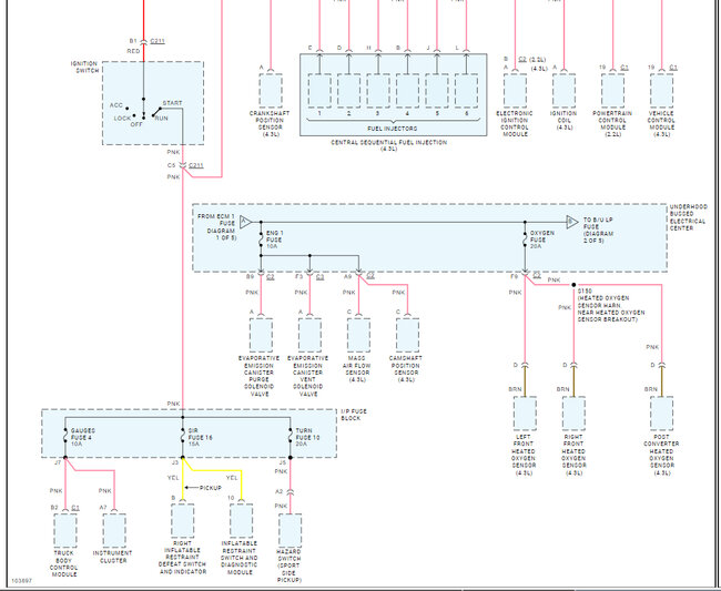
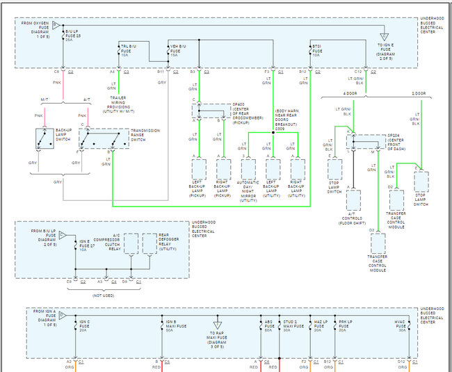
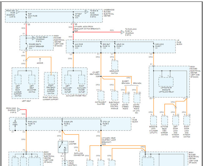
The wiring harness fried have a doner harness from a 2001 s10 2.2 and need computer and fuse block pinouts and harness pinouts for computer, please. Any help is great.

















