Wipers only work on high setting?

Tiny
MASABIN
  • MEMBER
  • 2014 FORD FUSION
  • 76,600 MILES
I replaced the fuse and the switch. Not sure where to go from here. Am I missing something? Like maybe an intermittent relay possibly.
Sunday, April 23rd, 2023 AT 4:13 PM

4 Replies

Tiny
KEN L
  • MASTER CERTIFIED MECHANIC
  • 55,090 POSTS
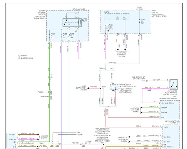
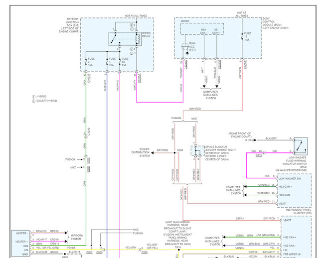
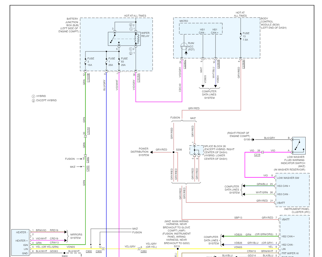
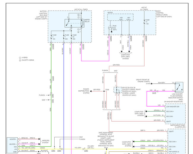
There are four fuses that run the system, please check them all here is a guide to help with the wiper wiring diagrams in the images below so you can see which fuses to test, and I have included a guide to help test for power with the system and key on.

https://www.2carpros.com/articles/how-to-check-a-car-fuse

If the fuses are okay, we need to scan the CAN, you can get a CAN scanner (Controller Area Network) which will work on most cars from Amazon.

Here is a video to show you how:

https://youtu.be/u-4syLc-ifQ

and

https://www.2carpros.com/articles/can-scan-controller-area-network-easy

You may have a BCM that is going out. Check out the images (below). Please let us know what happens.
Was this
answer
helpful?
Yes
No
Monday, April 24th, 2023 AT 12:57 PM
Tiny
MASABIN
  • MEMBER
  • 3 POSTS
To be honest. I don't know what a BCM is. I changed the switch and the fuses and still no change.
Was this
answer
helpful?
Yes
No
Saturday, April 29th, 2023 AT 10:05 AM
Tiny
MASABIN
  • MEMBER
  • 3 POSTS
My diagram only shows 3 fuses. 2 in the fuse compartment under the hood which one is (not used). One in the bottom of the compartment, which was not easy to get to, but I managed. Not sure where the fourth one could be. My diagram behind the dash doesn't show a wiper fuse.
Was this
answer
helpful?
Yes
No
Saturday, April 29th, 2023 AT 10:09 AM
Tiny
KEN L
  • MASTER CERTIFIED MECHANIC
  • 55,090 POSTS
The fourth fuse is on the BCM #13 - 7.5 amp. Here is the location in the images below if the fuse is okay, I believe that the left wiper motor is not working correctly. The instructions show how to replace the BCM as well. A CAN scan would help as well. You can get a preprogrammed unit by searching Google or Ebay.
Was this
answer
helpful?
Yes
No
Sunday, April 30th, 2023 AT 10:16 AM

Please login or register to post a reply.