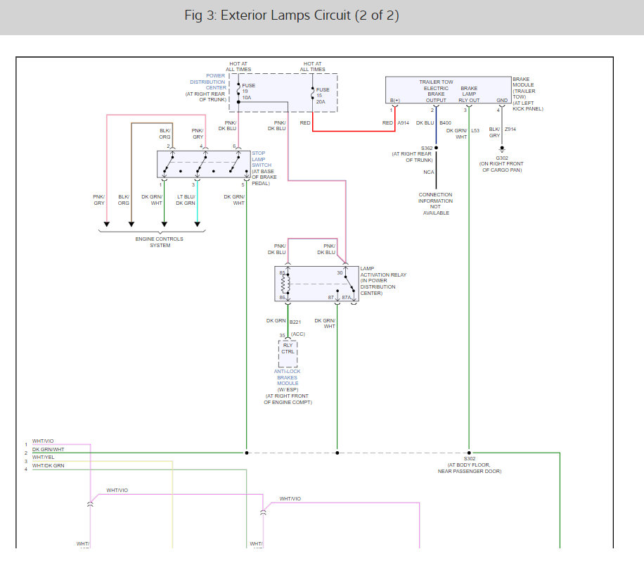
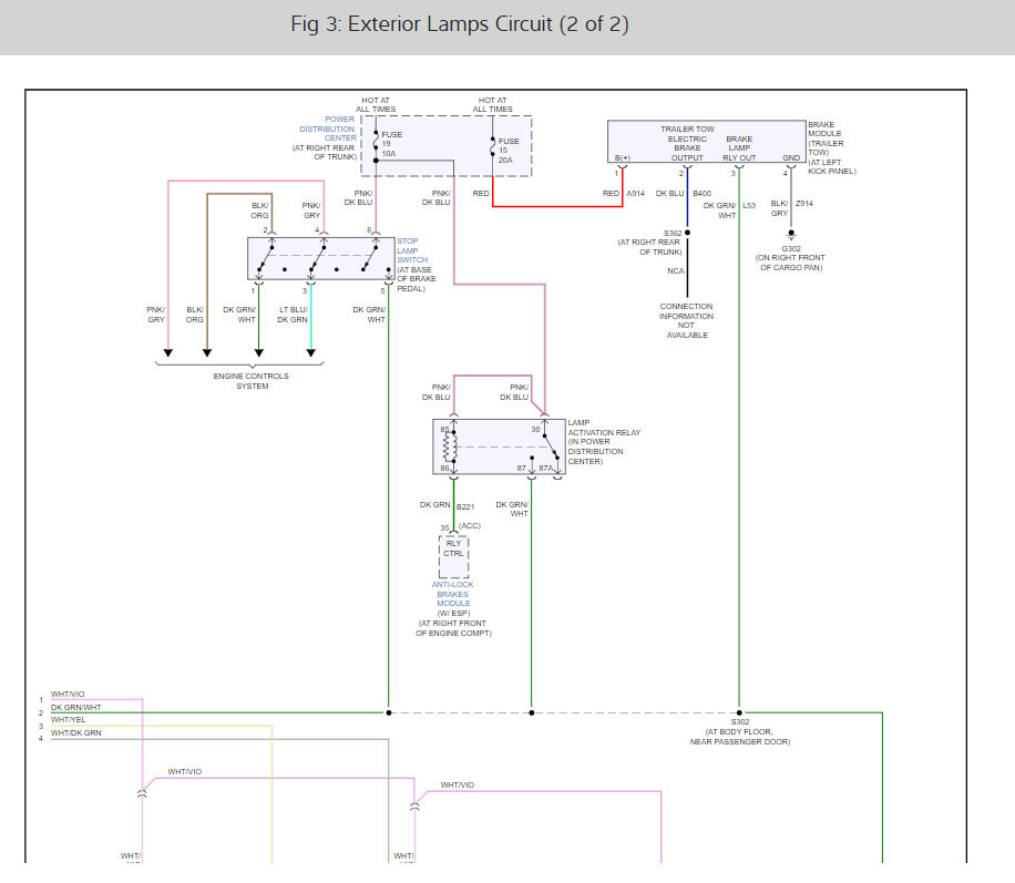
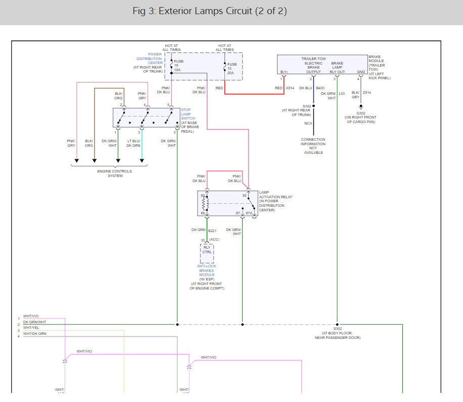
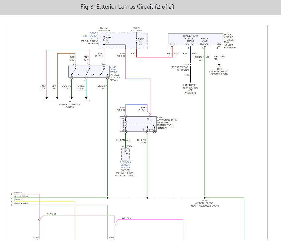
Saturday, August 17th, 2013 AT 8:25 PM
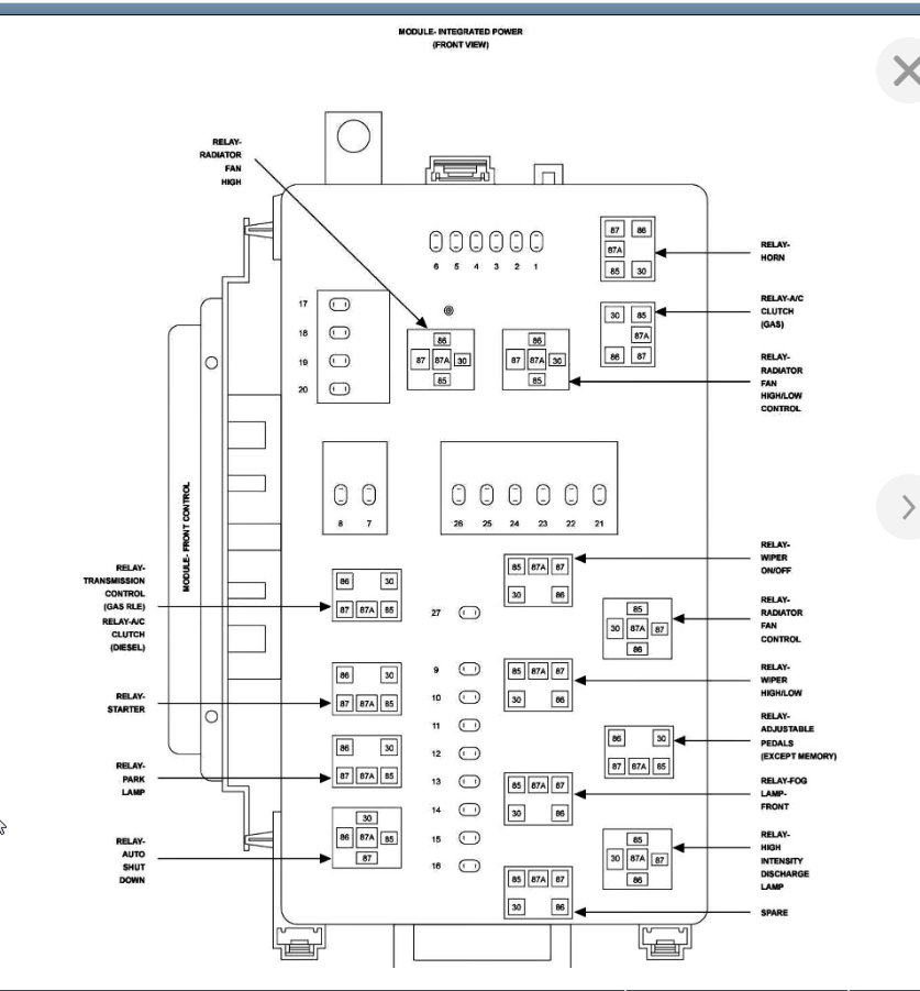
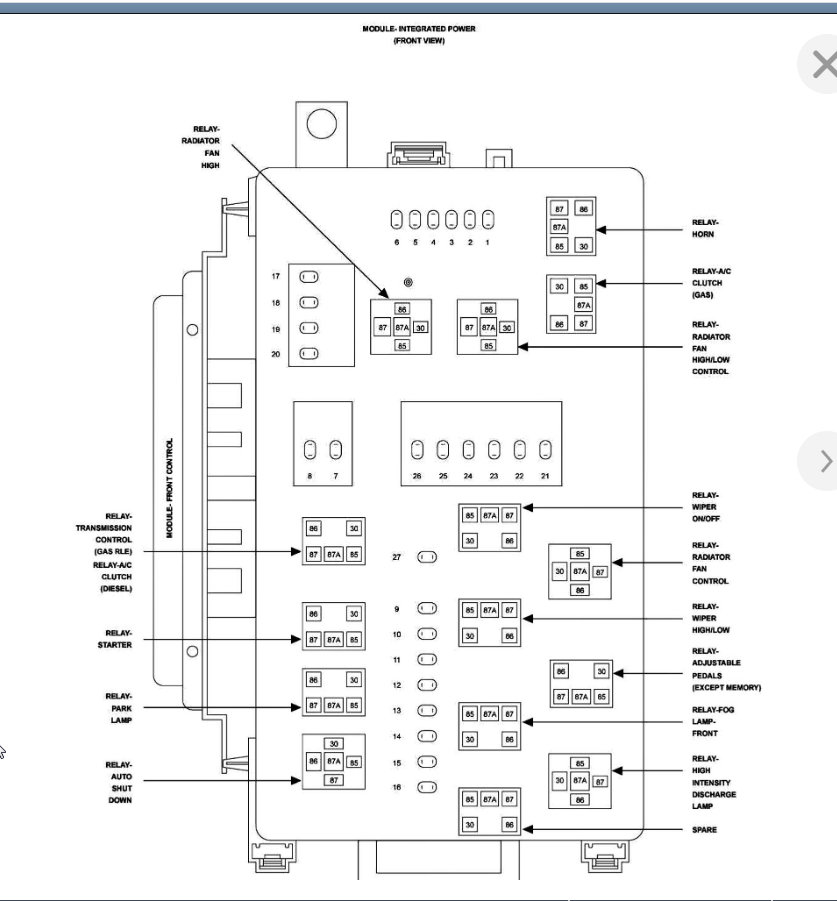
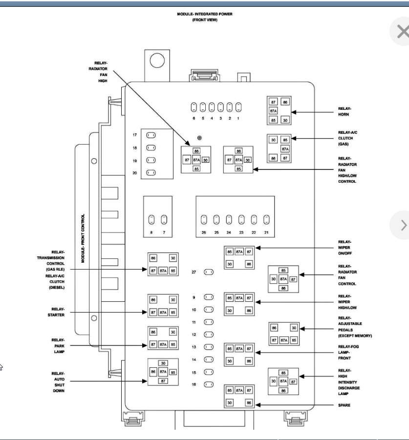
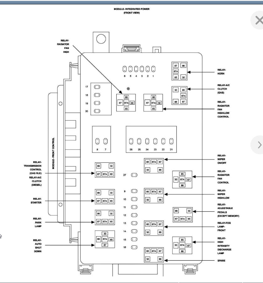
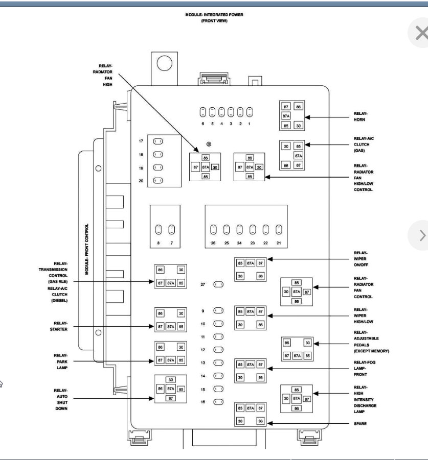
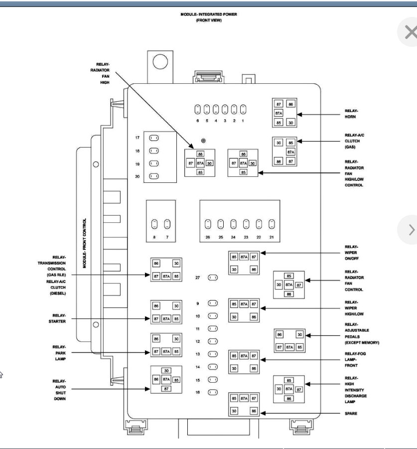
I have a 2008 Dodge Charger and My wipers and turn signal stopped working. I checked the 30 amp fuse in the #10 slot in the front fuse box but it didn't appear to be blown. I had my flashees on and left my headlights on for about 6 hours and needed a jump when I got back to the vehicle.


















