Monday, December 28th, 2020 AT 8:32 AM
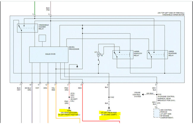
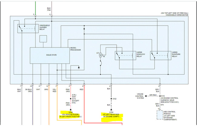
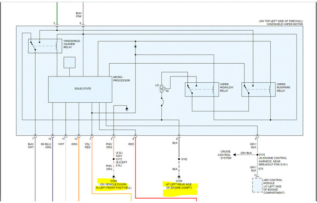
Good morning. I'm having some wiper problems. It started with my wipers wouldn't shut off so I removed fuse to turn it off. Both fuses are good. Now that I put fuse it wipers wont come back on. However, if I leave wiper switch on you can see they barely move up the window. Like real slow pace to where you barely notice it. The wiper switch on left of steering wheel has been replaced and so has wiper motor. When they do come on they will not shut off with switch so I have to remove motor fuse. And like I said will not come back on now.

