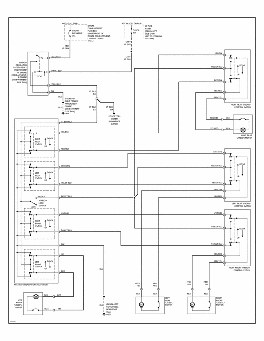
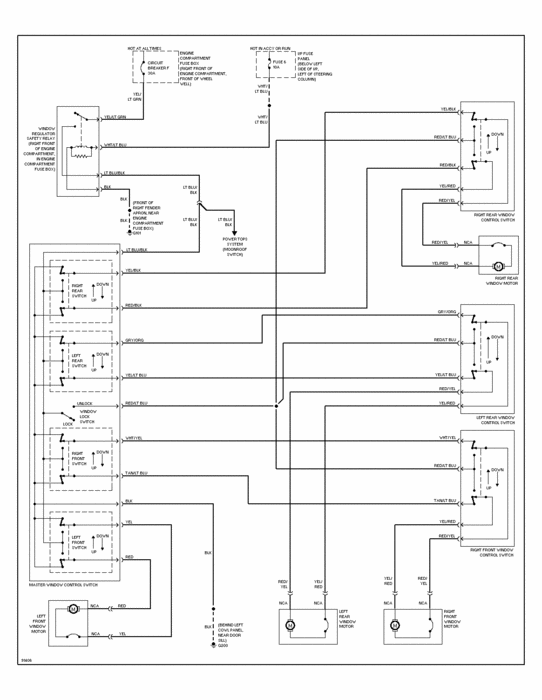
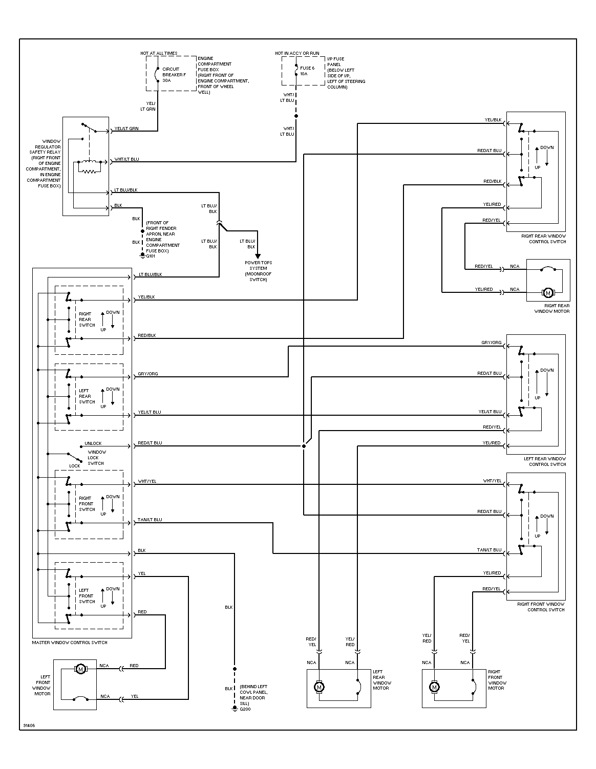
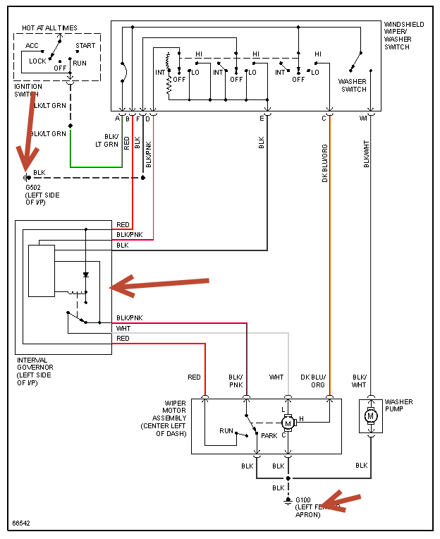
Wednesday, December 5th, 2012 AT 11:20 PM
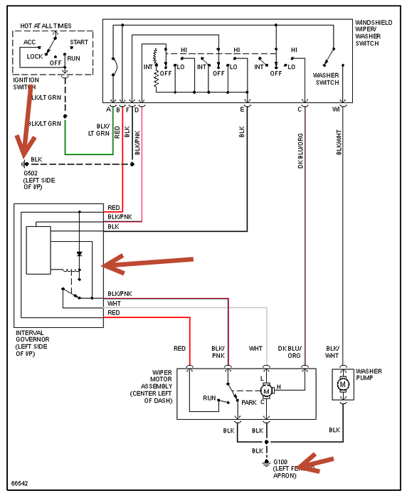
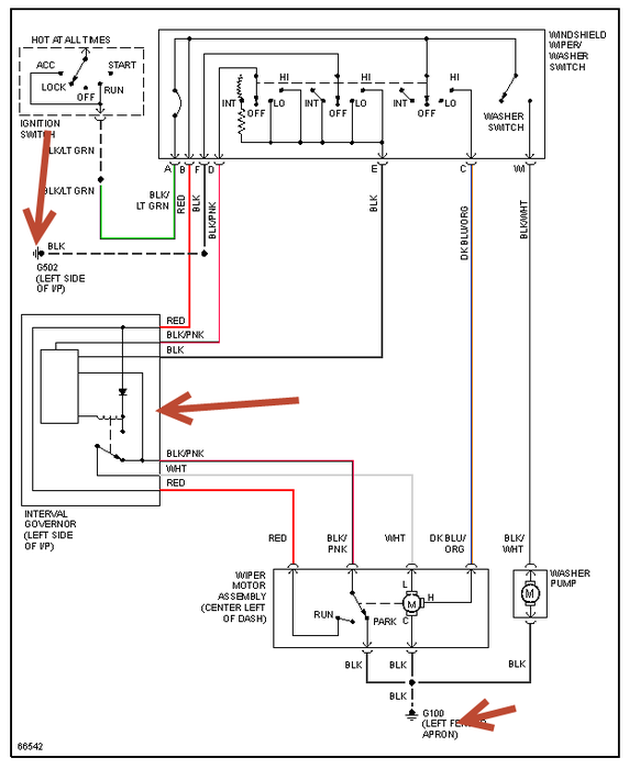
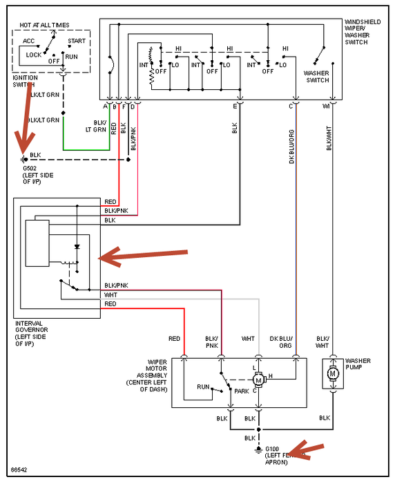
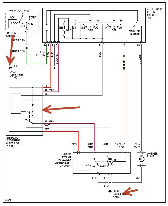
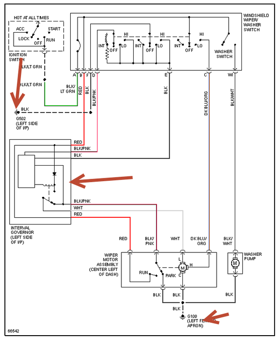
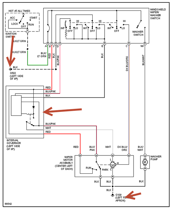
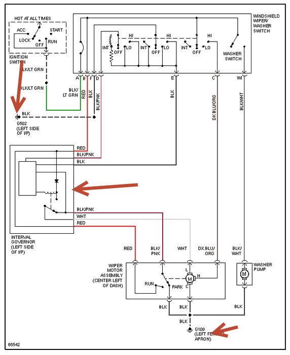
About a year ago windshield wipers stopped working properly. Intermittent and slow speed do not work and fast speed works slower than normal, but only back and forth three or four times before stopping altogether. Must turn switch off and back on before wipers work again. I have changed motor and switch twice each and voltage regulator with no improvement.



