The front wiper's slow and intermittent speeds are not working

Tiny
CHINNAK
  • MEMBER
  • 2018 FORD EXPLORER
  • 6 CYL
  • 4WD
  • AUTOMATIC
  • 87,000 MILES
Only the high-speed working. I need to know, how to check wiring circuit and relay location.
Monday, July 4th, 2022 AT 11:12 PM

1 Reply

Tiny
KEN L
  • MASTER CERTIFIED MECHANIC
  • 55,077 POSTS
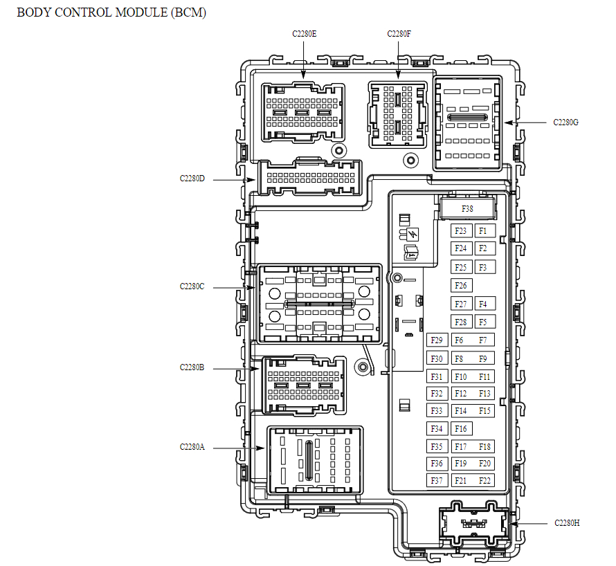
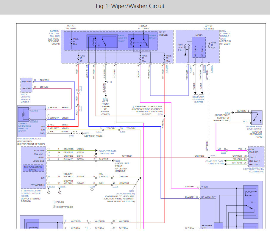
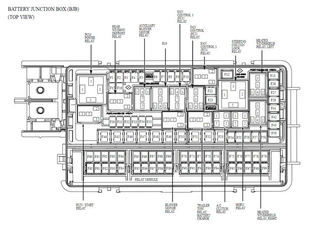
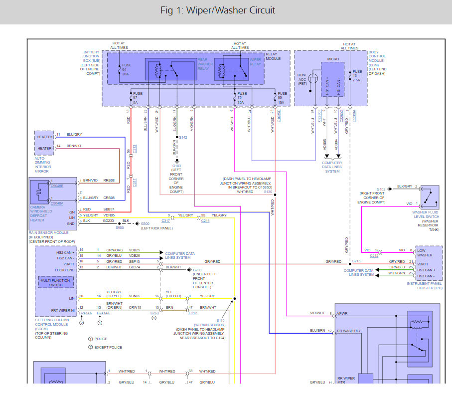
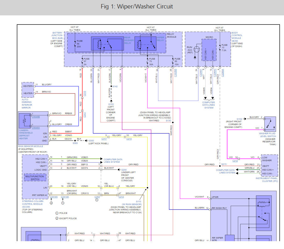
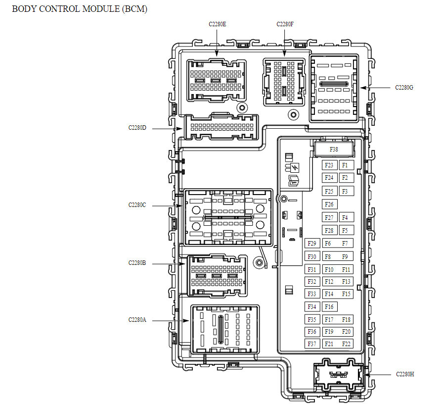
There are five fuses that run the system I would check those first (94, 95, 96, 37 and 13 on the inside fuse panel), here is a guide to help and the fuse locations, I have also included the wiper wiring diagrams so you can see how the system works.

https://www.2carpros.com/articles/how-to-check-a-car-fuse

If the fuses check out, I would do a CAN scan which is the future of automotive repair, you can get a CAN scanner from Amazon for about $30.00. here is a video to show you how and a link to a scanner from Amazon:

https://youtu.be/u-4syLc-ifQ

and

https://amzn.to/3OpAotj for the scanner

This guide can help:

https://www.2carpros.com/articles/can-scan-controller-area-network-easy

Check out the diagrams (below). Let us know what happens and please upload pictures or videos of the problem.
Was this
answer
helpful?
Yes
No
Tuesday, July 5th, 2022 AT 5:10 PM

Please login or register to post a reply.