Tuesday, October 9th, 2018 AT 9:20 PM
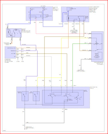
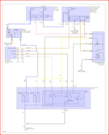
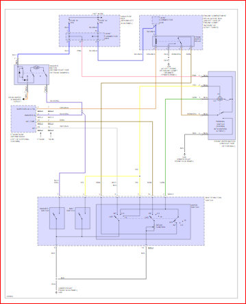
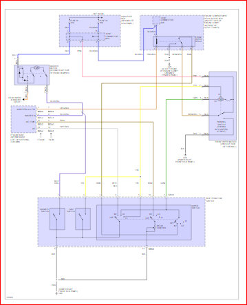
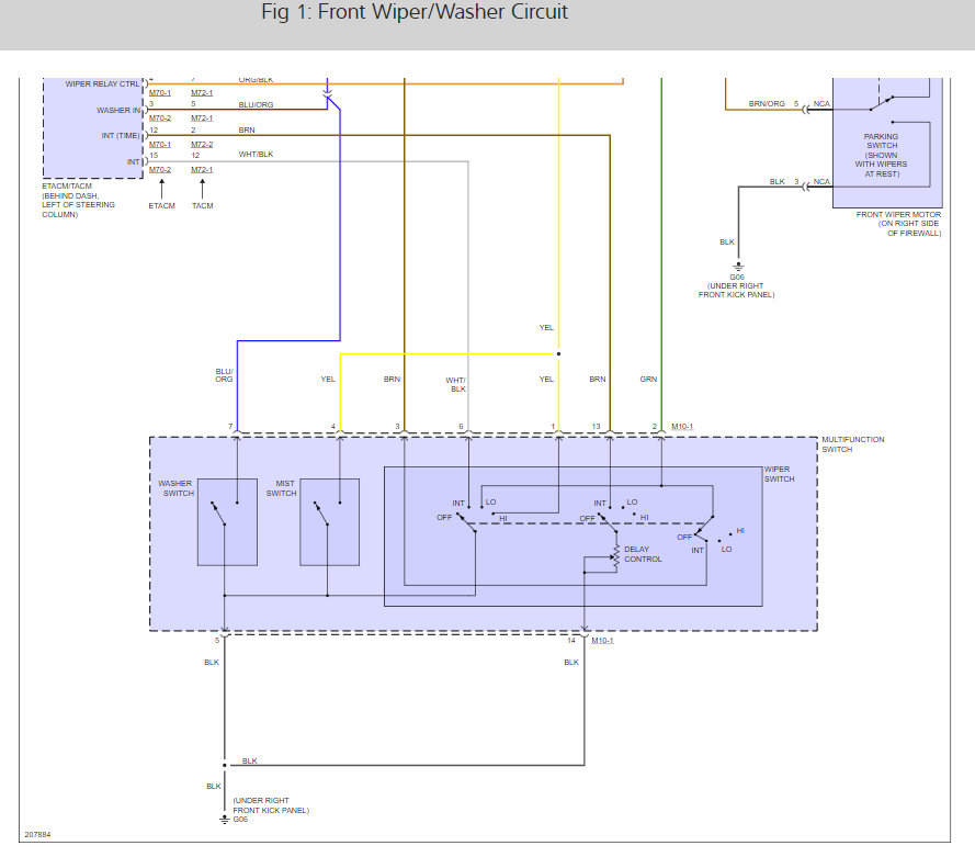
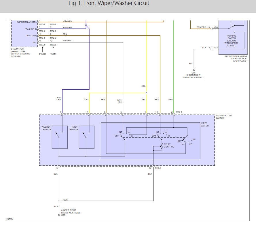
Fuse keeps blowing. Only getting power to one terminal on the wiper motor electrical connector, no matter what position the wiper switch is in. Replaced wiper switch already and same thing happens. I unplug the wiper switch from motor and it stops blowing fuses, and only sprayer operates. The motor was bench tested out of vehicle and I had high and low speed working. The relay in engine compartment seems good and clicks. I inspected the wiper motor and a lot of dust in the magnets inside cover, and wear marks on the armature top. Smelled a bit burned. Linkages from motor to wipers are free and moving when pushed manually. I unplugged the wiring connector from the wiper motor, and stops blowing the fuse. Perhaps the motor is faulty even though bench tested okay, as maybe the motor is pulling high amps more than fuse can handle? I am desperately trying to find an electrical schematic for this wiper system, from relay to switch and motor.












