Windshield wipers not working?

Tiny
JESSICA MERTENS
  • MEMBER
  • 2015 CHEVROLET CRUZE
  • AUTOMATIC
  • 110,000 MILES
My friend's car doesn't have working windshield wipers and I'm not sure what steps to take to fix it. She had the motor replaced not even a year ago and now it doesn't work again. If you to under hood and look, the 06 relay is missing and when I tried to take another relay and switch it (just to see if it'd work) it didn't work and the relay was very loose, it didn't fit snug like it should. The sprayer works for the windshield, but wipers don't even attempt to work. Any advice appreciated. Thanks.
Tuesday, December 27th, 2022 AT 5:46 PM

1 Reply

Tiny
JACOBANDNICKOLAS
  • MECHANIC
  • 110,192 POSTS
Hi,

This could be something as simple as a fuse. So, that is where I would like to start.

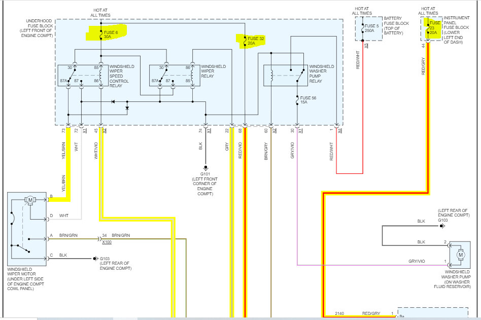
If you look at the pics below, I attached the wiring schematic for the wiper circuit. Additionally, I highlighted three fuses that need to be good. Check the fuses first. If they appear good, confirm there is power to them. All three of these fuses should have power to them regardless of the ignition key position.

Here is a link you may find helpful:

https://www.2carpros.com/articles/how-to-check-a-car-fuse

If you look at pic 3, that is the fuse in the interior fuse box. Pic 4 shows the fuses and relays related to the wipers. Pic 5 identifies the relays.

You mentioned relay 6 being missing. If you check closely, there shouldn't be any connector pins in that spot.

If you want to check the relays, here is a link that explains how it's done:

https://www.2carpros.com/articles/how-to-check-an-electrical-relay-and-wiring-control-circuit

Let me know what you find. Note: If all fuses test good as well as the relays, turn the key on, and wipers on low or high, and check for power at the wiper motor connector wires yellow with a brown tracer or the white wire. One will have power at a time based on the wiper speed request.

Take care,

Joe

See pics below.
Was this
answer
helpful?
Yes
No
Tuesday, December 27th, 2022 AT 9:11 PM

Please login or register to post a reply.