HOME
ASK A QUESTION
REPAIR GUIDES
BECOME A MEMBER
LOG IN
Login with Facebook
OR
Remember me
NOT A MEMBER?
FORGOT PASSWORD?
CONTACT US
PRIVACY POLICY
TERMS AND CONDITIONS
☰
Home
Chrysler
300
Body
Wiper
Fuse
Wipers does not turnoff even engine is not on
EDDYUSMANI
MEMBER
2007 CHRYSLER 300
3.5L
6 CYL
2WD
AUTOMATIC
84,200 MILES
We have to remove the fuse to stop it and save the battery.
Tuesday, December 11th, 2018 AT 9:35 AM
1 Reply
DANNY L
MECHANIC
5,648 POSTS
Hello, Ia m Danny.
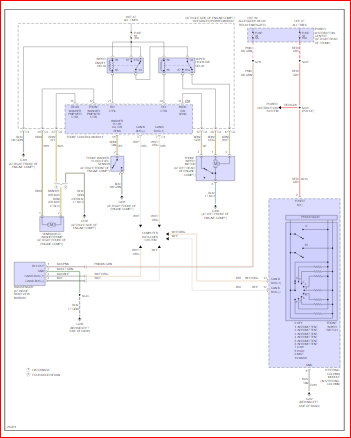
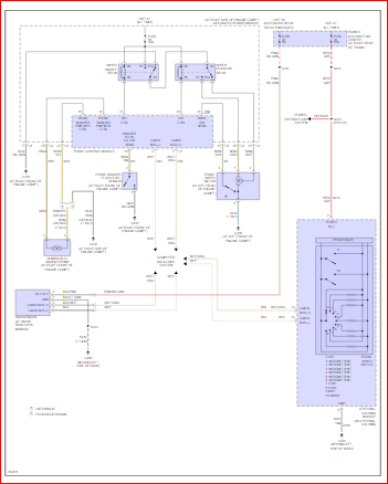
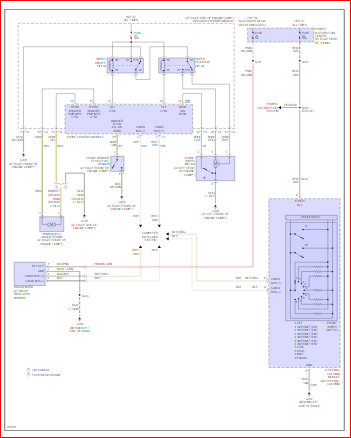
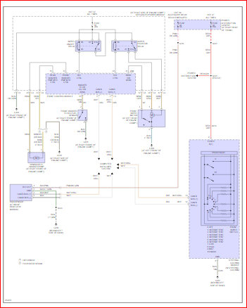
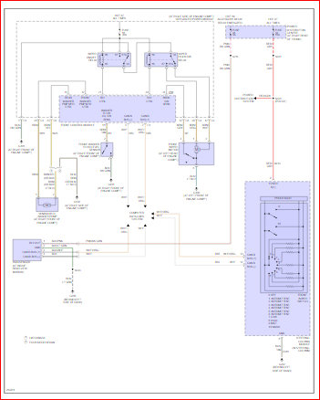
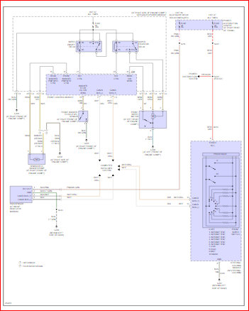
It sounds like you may have a short in the windshield wiper harness. I have attached a tutorial showing how to test wiring.
https://www.2carpros.com/articles/how-to-check-wiring
I have also attached a wiring diagram for the windshield wipers.Hope this helps and thanks for using 2CarPros.
Danny-
Image (Click to make bigger)
Was this
answer
helpful?
Yes
No
Wednesday, December 12th, 2018 AT 4:39 PM
Please
login
or
register
to post a reply.
Related Wiper Fuse Content
Wipers Wont Work
Wiper Motor And Wiper Relay Where Is The Relay Located (position In The Fuse Box) Wipers Wont Work I Wanted To Start With The Wiper Relay...
Asked by
lizbaez
·
3 ANSWERS
18 IMAGES
2006
CHRYSLER 300
VIDEO
Windshield Wiper Fuse Replacement
Instructional repair video
How To Put Mirror Head On Mirror Base
How Do I Put A 2003 Chrysler 300m Mirror Head On The Mirror Base And The Wires Are Still Connected
Asked by
stephine.sp
·
1 ANSWER
2003
CHRYSLER 300
Bumper
2005 Chrysler 300c How Can I Fix My Bumper? Bolts Came Out And It's Hanging Low And Scrubs The Ground When Going Over Bumps In The Road.
Asked by
kandicemoore
·
1 ANSWER
2005
CHRYSLER 300
My Hood Snapped Back Into My Windshield Now None Of My...
My Hood Snapped Back Into My Windshield Now None Of My Locks, Lights, Gauges, Radio, Wiper, Or Heats Work. How And Can It Be Fixed.
Asked by
angelamarkinyashaw
·
3 ANSWERS
2000
CHRYSLER 300
Ask a Car Question. It's Free!
How to Use a Test Light