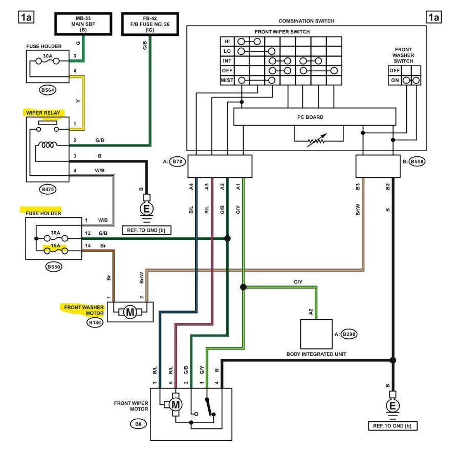
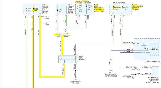
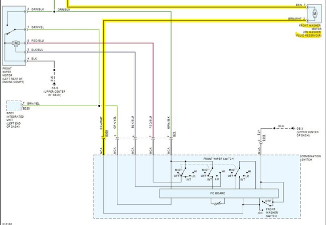
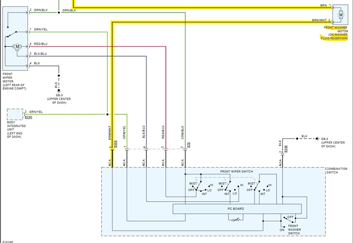
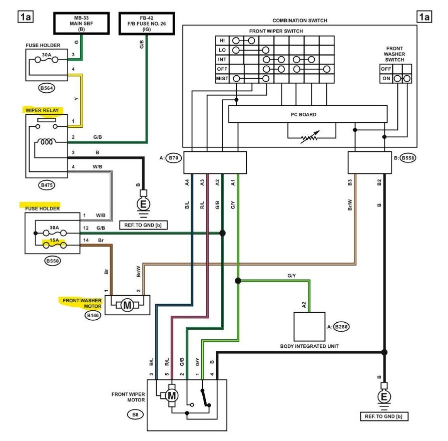
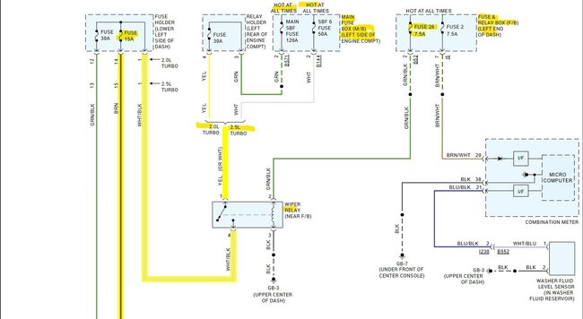
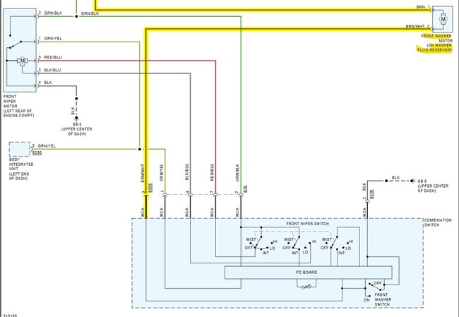
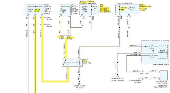
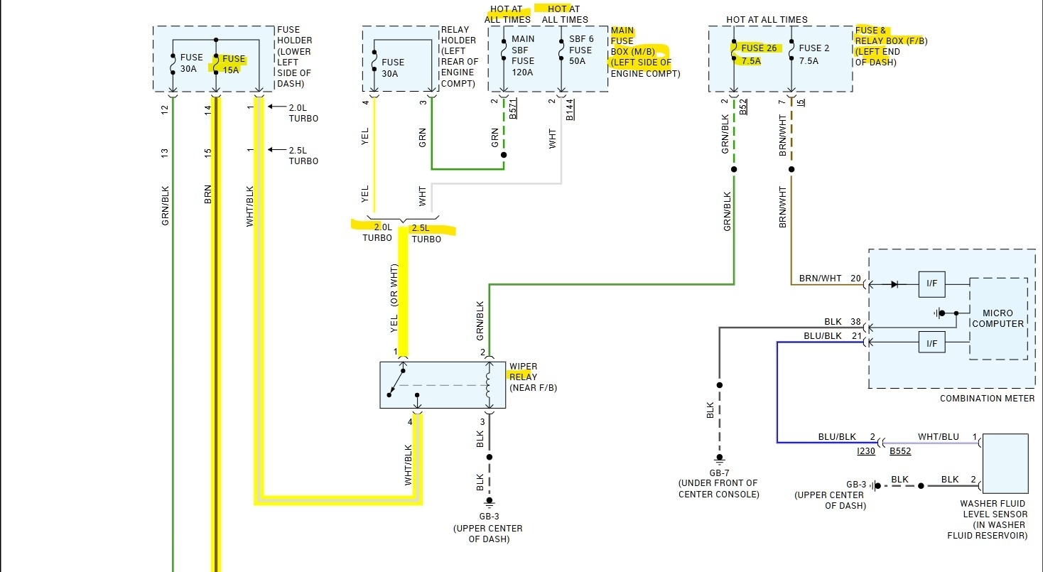
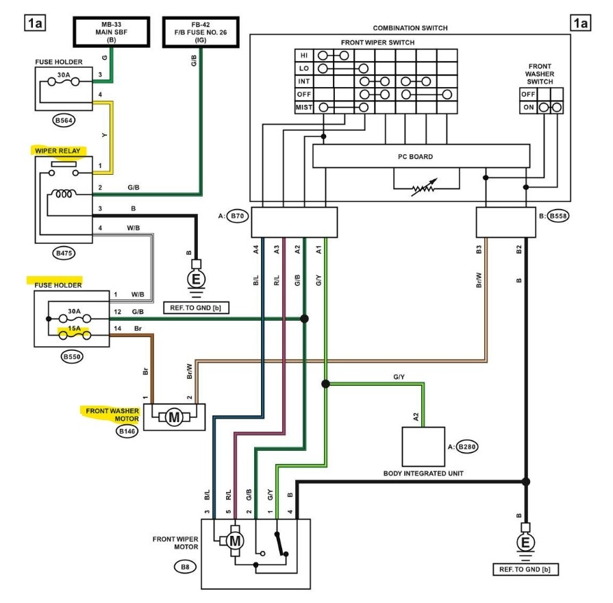
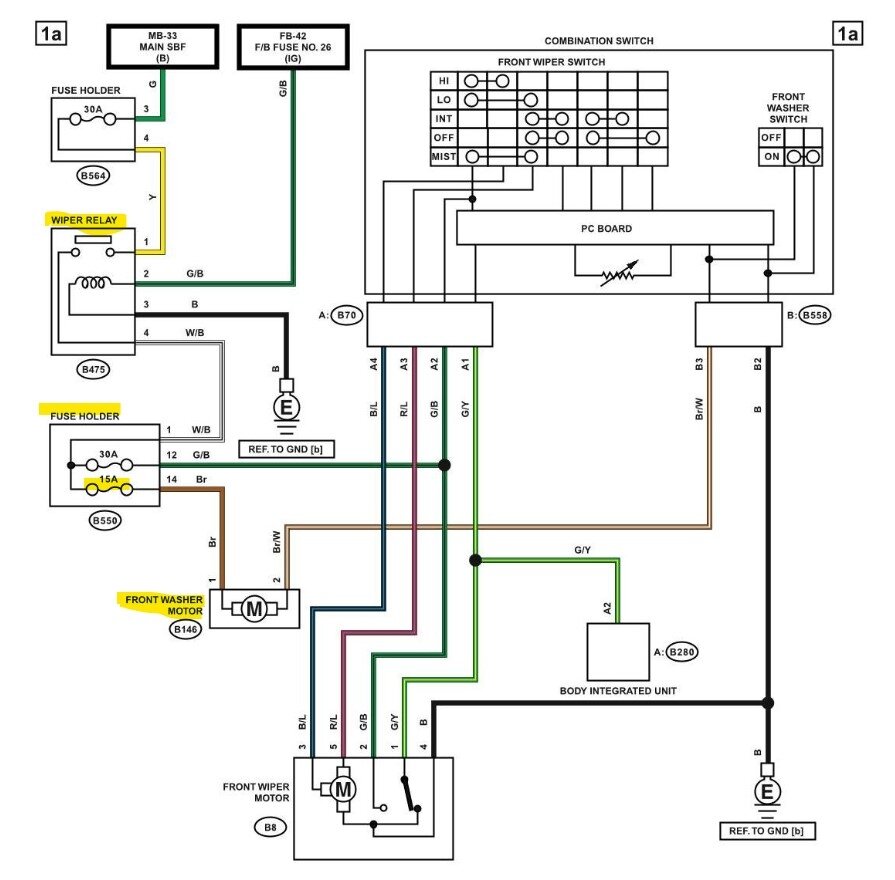
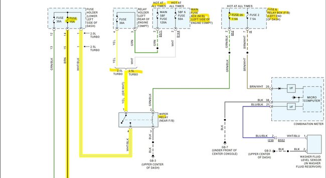
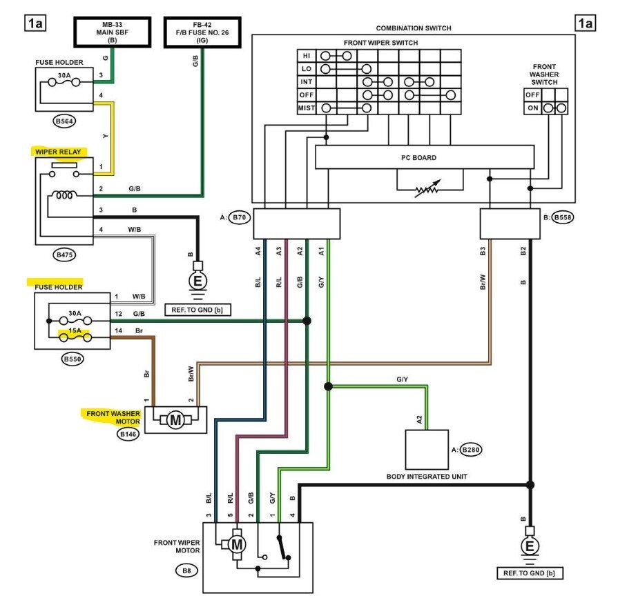
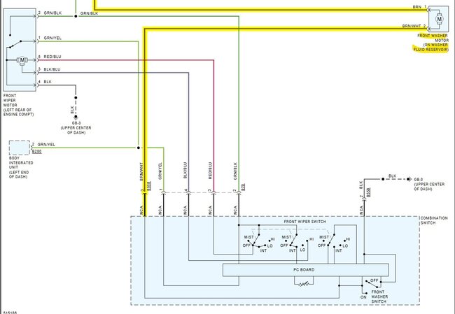
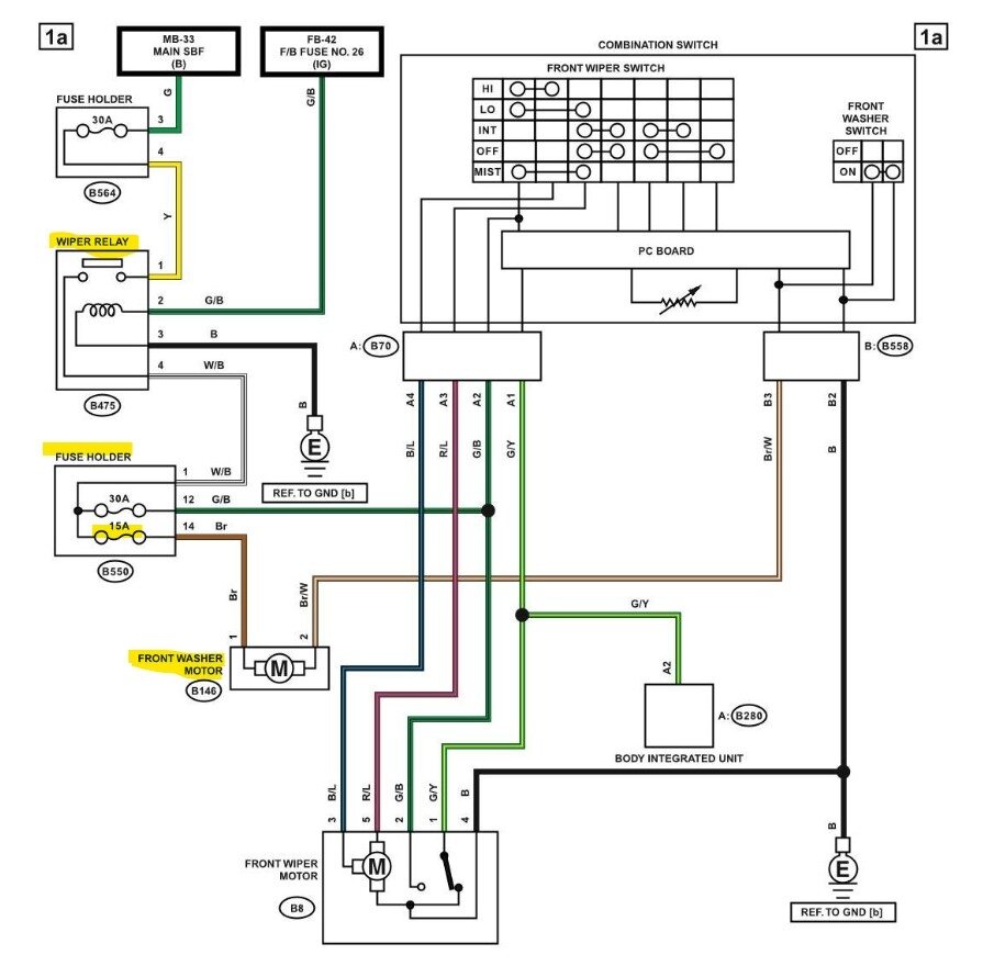
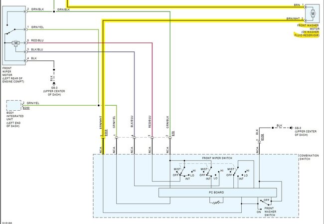
I'm trying to diagnose if the Windshield washer pump has stopped working, or if the fuse has blown. When I engage the controls from the driver seat the wipers will work however there is no ejection of fluid. I have made sure there is fluid in the reservoir. Also there is no “hum” that is normally heard with pump function.
I cannot find the exact fuse location in the cars manual nor online.
I cannot find the exact fuse location in the cars manual nor online.
Aug 13, 2025 at 1:04 PM




