Power windows do not work?

Tiny
MARGOMEL
  • MEMBER
  • 1999 CHEVROLET SUBURBAN
  • 5.7L
  • V8
  • 4WD
  • AUTOMATIC
  • 240,000 MILES
Windows don't work, I hear click under dash when pressing child lock button.
Tuesday, September 5th, 2023 AT 4:32 AM

1 Reply

Tiny
KEN L
  • MASTER CERTIFIED MECHANIC
  • 55,302 POSTS
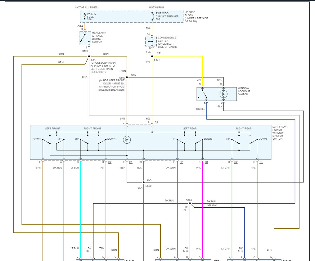
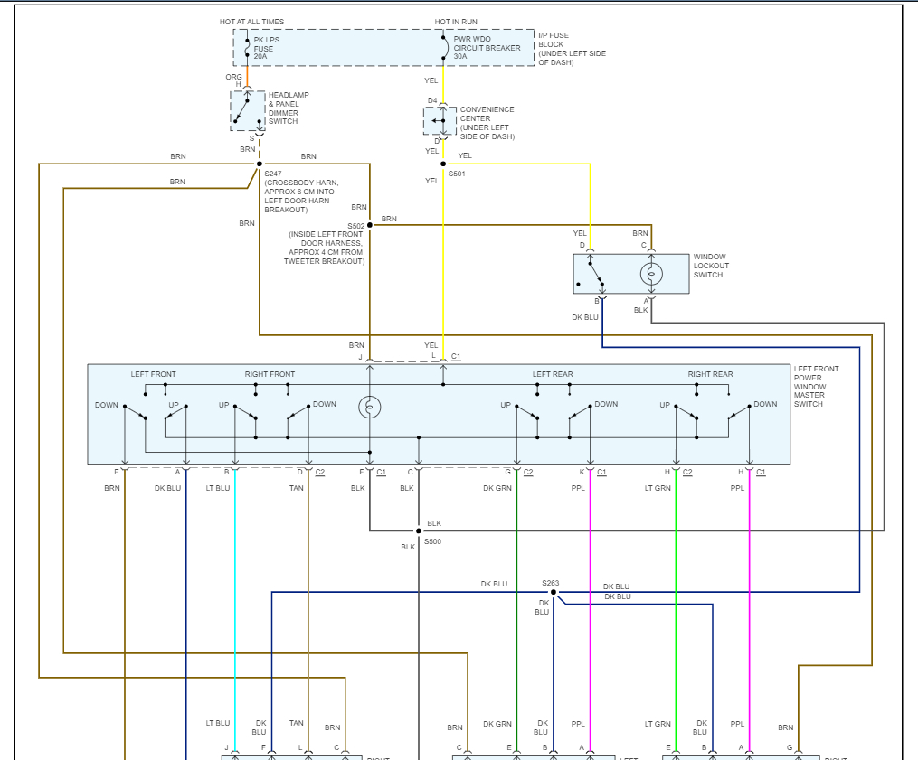
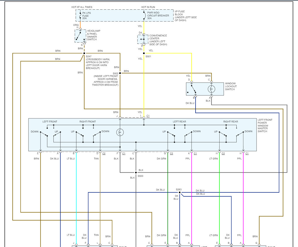
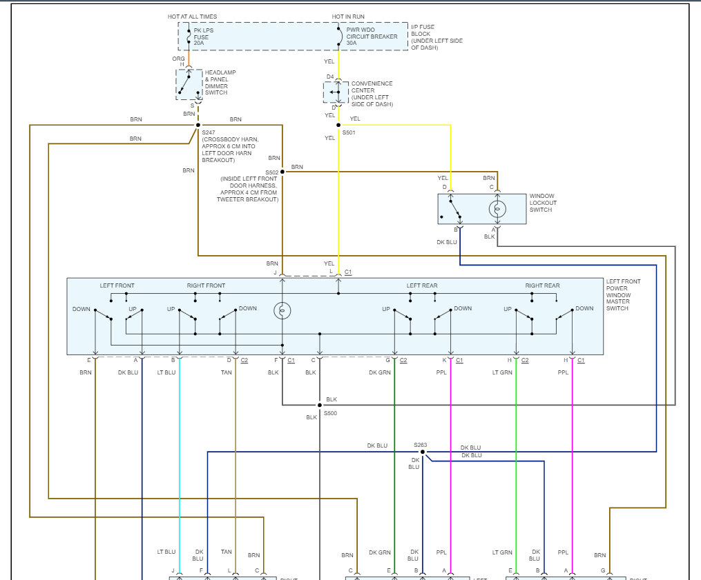
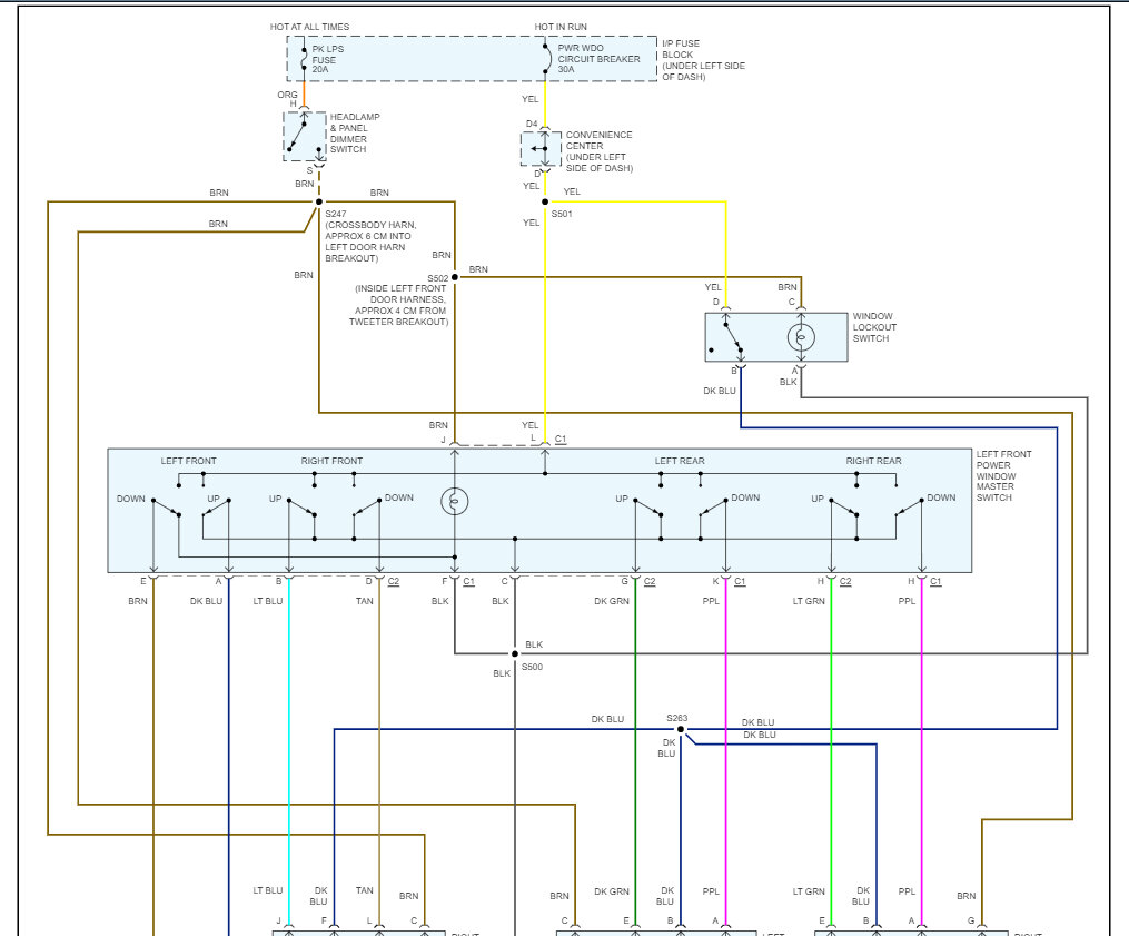
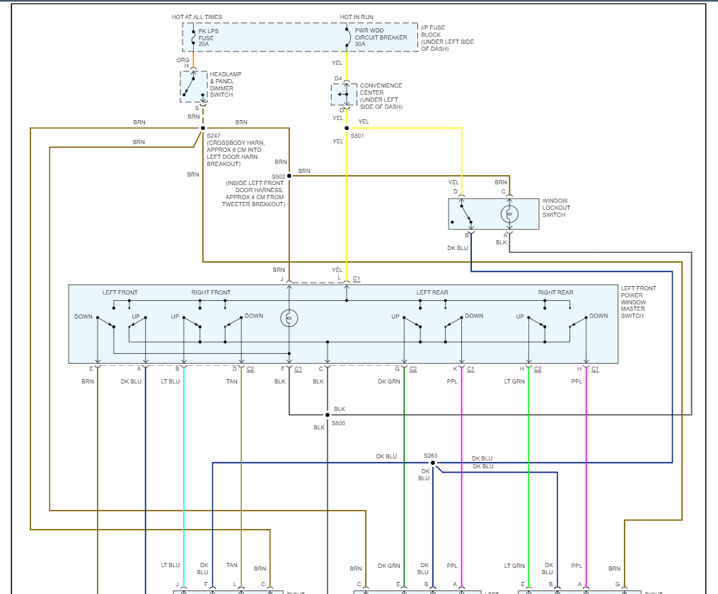
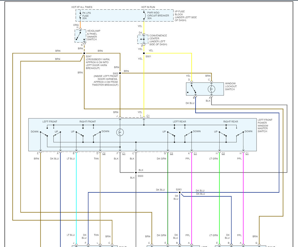
It sounds like the main switch went out. But we should check the PWR WDO circuit breaker, this guide can help:

https://www.2carpros.com/articles/how-to-use-a-test-light-circuit-tester

If the circuit breaker is okay here is how to change the main switch out and I have included the window system wiring diagrams so you can see how the system works.

Check out the images (below). Please let us know how it goes.
Was this
answer
helpful?
Yes
No
Tuesday, September 5th, 2023 AT 12:58 PM

Please login or register to post a reply.