Monday, May 8th, 2017 AT 11:24 AM
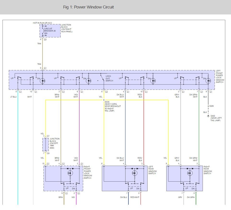
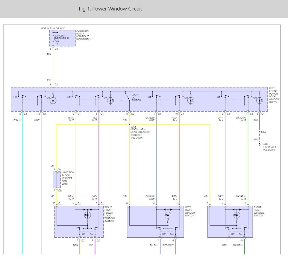
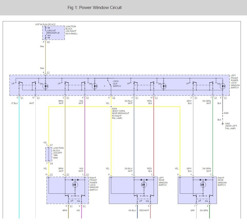
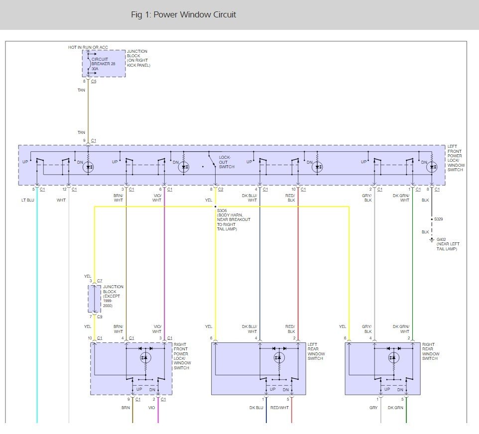
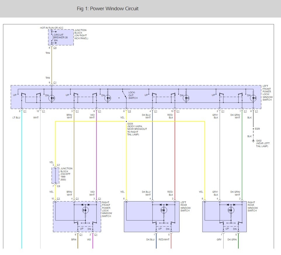
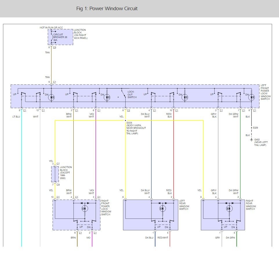
The power windows and locks quit working on my vehicle. They do not work from there separate consoles or the drivers side console. I have check all wires leading into the doors and none are broken or stretching.




