Power windows not working properly

Tiny
LIBRARYMAN2017
  • MEMBER
  • 2003 HYUNDAI SONATA
  • 125,000 MILES
Drivers side front would not come up at first and the other three would not let down. Finally got the driver's front up and now none of the windows will let down.
Wednesday, June 22nd, 2022 AT 12:44 PM

1 Reply

Tiny
JACOBANDNICKOLAS
  • MECHANIC
  • 110,194 POSTS
Hi,

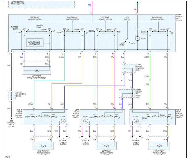
At this point, either we lost power from a fusible link in the under-hood fuse box, the window relay has failed, or the main driver's side switch has failed.

Here is how it works. Power is sent from the fusible link to the window relay. When the key is on, the relay circuit is closed, and power goes to the main switch. From there, it is distributed to all other windows.

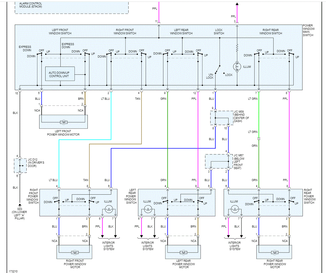
I attached the wiring schematic below (pics 1 and 2) for you to review.

The first thing to do is check the 40-amp fusible link in the under-hood fuse box. See pic 3. If the fuse is good and there is power to and from it, remove the main switch in the driver's door. Locate the purple wire going to the switch. With the key on, see if there is power to that wire.

If there is, my first suspect is the main switch. If there is no power, we need to work backward to determine where it's lost. Additionally, if the fuse failed, replace it and see if it happens again. I have a feeling the problem is in the switch and it will cause the fuse to fail. Something was happening before you lost total power which may have caused the fusible link to fail.

Here are two links you may find helpful when testing:

https://www.2carpros.com/articles/how-to-check-wiring

https://www.2carpros.com/articles/how-to-check-a-car-fuse

Let me know what you find.

Take care,

Joe

See pics below.
Was this
answer
helpful?
Yes
No
Wednesday, June 22nd, 2022 AT 5:46 PM

Please login or register to post a reply.