Power windows not working

Tiny
DANMAN1062
  • MEMBER
  • 2004 BUICK LESABRE
  • 0.7L
  • 6 CYL
  • 2WD
  • AUTOMATIC
  • 130,000 MILES
Can roll down the driver window but the other 3 do not work.
Friday, April 16th, 2021 AT 10:36 PM

1 Reply

Tiny
ASEMASTER6371
  • MECHANIC
  • 52,796 POSTS
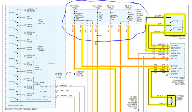
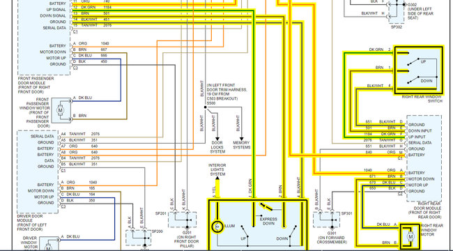
Good morning,

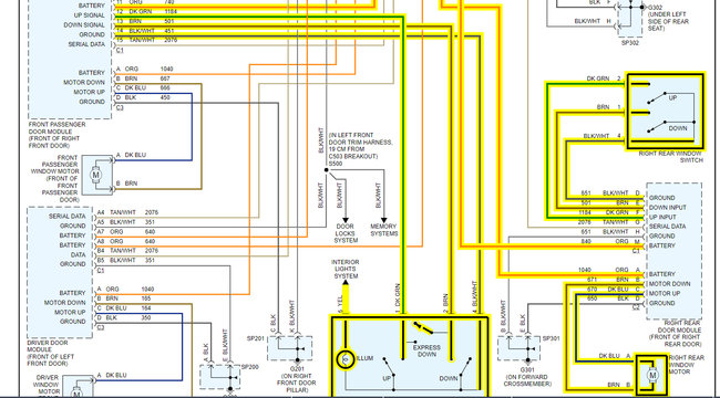
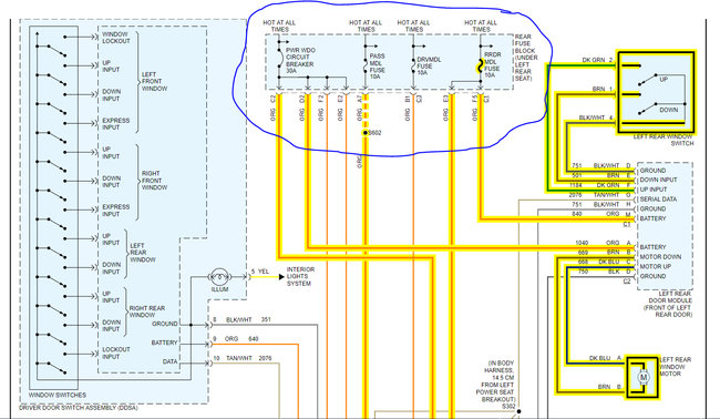
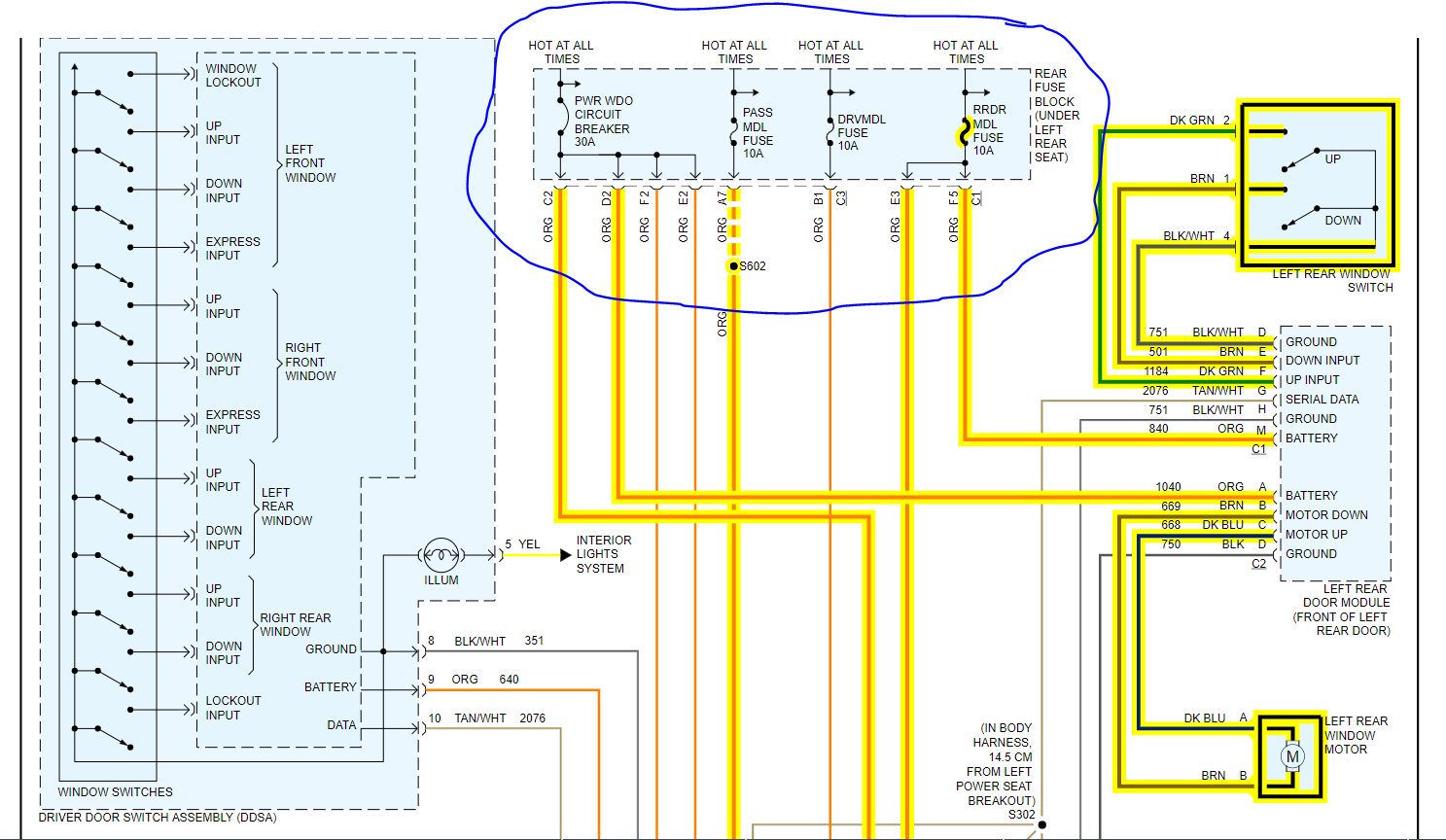
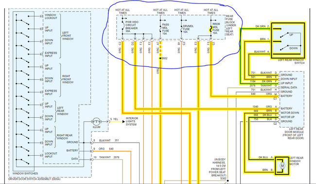
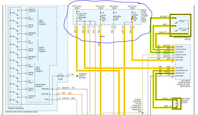
I attached a diagram for you for the windows.

Check the fuses I circled under the back seat for power with the key on. The one thing that they have in common is the fuse block. That was a common failure.

https://www.2carpros.com/articles/how-to-check-wiring

https://www.2carpros.com/articles/how-to-use-a-voltmeter

Roy
Was this
answer
helpful?
Yes
No
Saturday, April 17th, 2021 AT 2:03 AM

Please login or register to post a reply.