Driver's window does not work?

Tiny
JAMES HUNT2
  • MEMBER
  • 2001 FORD MUSTANG
  • 4.6L
  • V8
  • 2WD
  • AUTOMATIC
  • 170,000 MILES
The car listed above is a GT. The driver's window will not work, good window motor and switch. However, it will work if I straight wire it.
Monday, October 10th, 2022 AT 8:17 AM

1 Reply

Tiny
KEN L
  • MASTER CERTIFIED MECHANIC
  • 55,499 POSTS
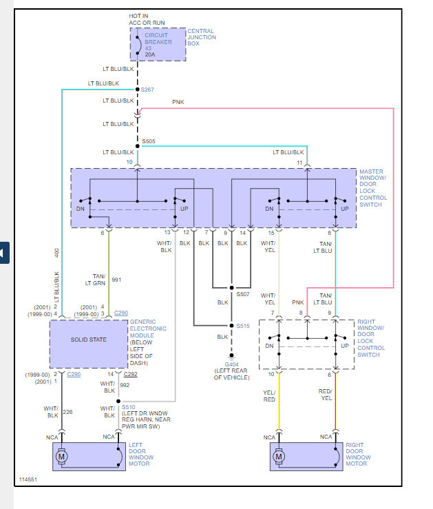
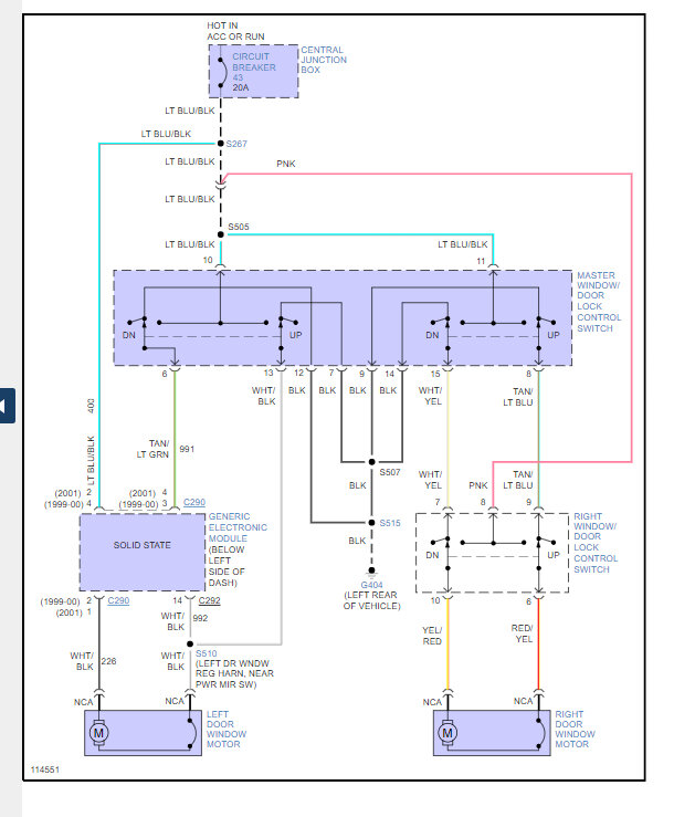
What happens on these is the wiring between the door and the door jamb ends up breaking. here is a guide to help you test the wiring to confirm the problem and the window wiring diagram so you can see how the system works and which wires to test.

https://www.2carpros.com/articles/how-to-check-wiring

See if you are getting power to the light blue/black wire at the switch with the key on. Check out the images (below). Let us know what happens and please upload pictures or videos of the problem.
Was this
answer
helpful?
Yes
No
Monday, October 10th, 2022 AT 3:27 PM

Please login or register to post a reply.