Sunday, January 30th, 2022 AT 4:27 AM
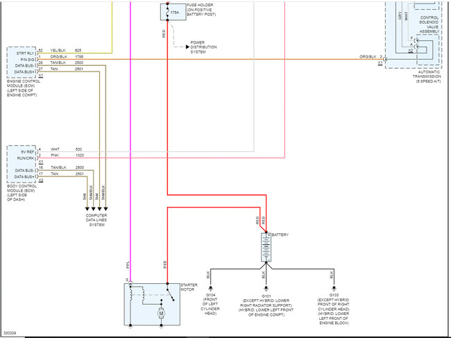
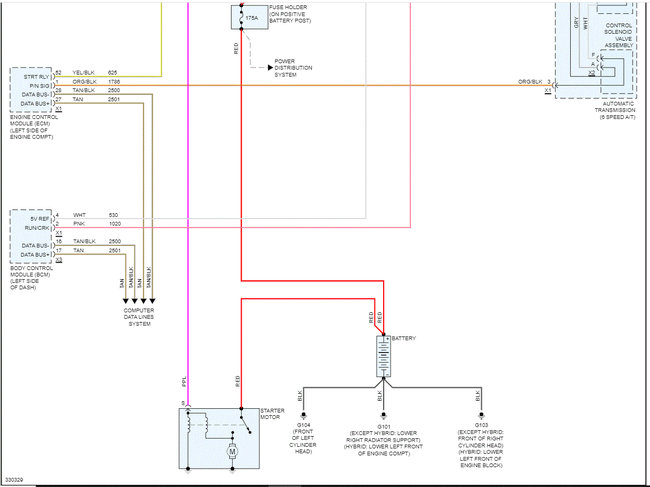
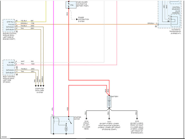
Checked all fuses, all good to go. Install brand new battery, new pos cable, new ground cable, (had to remove left front tire and inner fender well to remove and install pos and neg cables on this car, while I was under car. I jumper start solenoid, starter turns over. Sent ECM off for trouble shooting, it has comm, got it back and installed. Pulled BCM out, sent it out. Bought refurbished with VIN info flashed into BCM. Now I insert key and turn key to start = no dash lights/no start/no click/noradio/no A/C. The horn works, power door locks work, interior lights work when doors are open and go off when doors are shut, key fob locks and unlocks and truck hatch release works. Going back to recheck fuses and confirm is installed relays back in proper position because 85 and 86 has to have proper placement. Pulling hair out. Please help



