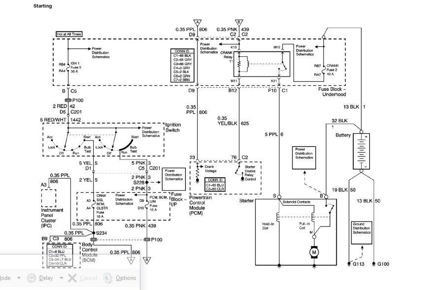
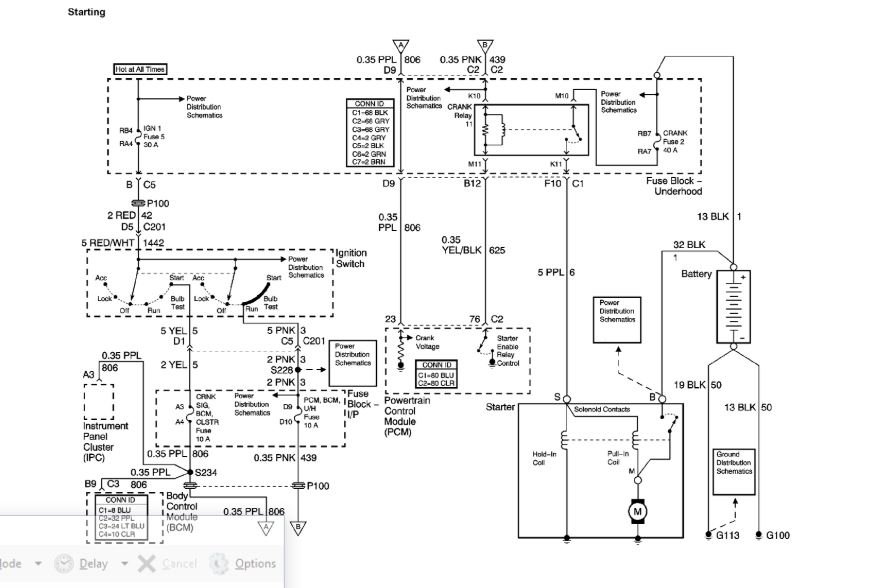
Monday, August 13th, 2018 AT 11:53 PM
Hi, this evening my car completely shut off on me and will not start again. Every time I turn the ignition switch all you hear is one click and that is it. All of my lights come on so I do not think it is my battery, but about three weeks ago I was stalled in water, took it home ran it and been having it stall on me every since.


