Why are my key fobs not working?

Tiny
PETERJARVIS
  • MEMBER
  • 2006 CHEVROLET MALIBU
  • 2.2L
  • 4 CYL
  • 2WD
  • AUTOMATIC
  • 100,000 MILES
I have two key fobs they lock and unlock the doors start the car and activate the horn, none of those work and I changed the batteries. What do I do?
Friday, September 9th, 2022 AT 1:28 PM

3 Replies

Tiny
KEN L
  • MASTER CERTIFIED MECHANIC
  • 55,281 POSTS
This is controlled by the vehicle keyless entry receiver so if the fobs are not the problem the KER is, but to be sure let's try reprogramming the fobs and do a CAN scan which is easy which can tell us for sure if the KER is the problem, you can get a CAN scanner (Controller Area Network) from Amazon for about $30.00. here is a video to show you how. Also, since the location of the KER is under the seat, they can get wet and stop working. It is worth removing the electrical connector and looking for moisture or corrosion. The location is in the images below.

https://youtu.be/u-4syLc-ifQ

Here is a scanner link"

https://amzn.to/3o41KcZ

Here is how to program the fobs:

TRANSMITTER PROGRAMMING

IMPORTANT: All transmitters that are to be recognized by the remote-control door lock receiver (RCDLR) must be programmed in a single programming sequence. If the system is placed in program mode, all previously programmed transmitters will be erased upon receipt of the programming signal from the first transmitter.

Up to 4 transmitters can be programmed. Do not operate or program the transmitters in the vicinity of other vehicles that are in the keyless entry program mode. This prevents the programming of the transmitters to the incorrect vehicle. The order in which the transmitters are programmed is important. The first transmitter programmed will be transmitter #1, and the second transmitter programmed will be transmitter #2. Use care to program the transmitters correctly.

The scan tool must stay connected until all of the transmitters are programmed. All doors must be closed to perform this function.
1. Install CANDI module.
2. Install a scan tool.
3. Turn ON the ignition with the engine OFF.
4. With the scan tool, select Body and Accessories.
5. Select Keyless Entry.
6. Select the proper engine size.
7. Select Module Setup.
8. Select body control module (BCM).
9. Select Program Key Fobs.
10. Follow scan tool on screen instructions.
11. If you are programming more than one transmitter, repeat the previous step to program up to four transmitters.
12. Remove the scan tool.
13. Exit the vehicle. Attempt to lock/unlock the doors to verify the programming.
14. Operate the transmitter functions in order to verify correct system operation.

Check out the images (below). Please let us know what you find. We are interested to see what it is.
Was this
answer
helpful?
Yes
No
Saturday, September 10th, 2022 AT 11:15 AM
Tiny
PETERJARVIS
  • MEMBER
  • 3 POSTS
Well, I checked the KER under seat no problems I purchased the scanner mentioned above Scanner came up with nothing showing for RDLR (but did show I had a sensor out fuel tank). Off subject replace bad check engine light.) Got a programmer scanner tried programming 2 FOB'S Did not work. Any other Idea's?
Thanks
Was this
answer
helpful?
Yes
No
Sunday, September 11th, 2022 AT 2:04 PM
Tiny
KEN L
  • MASTER CERTIFIED MECHANIC
  • 55,281 POSTS
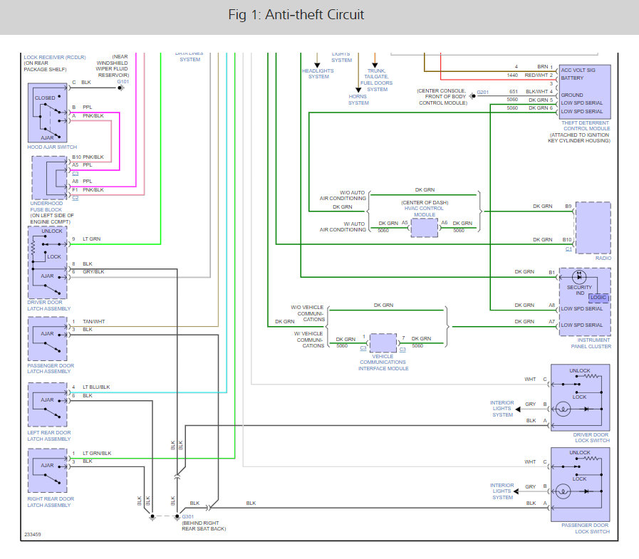
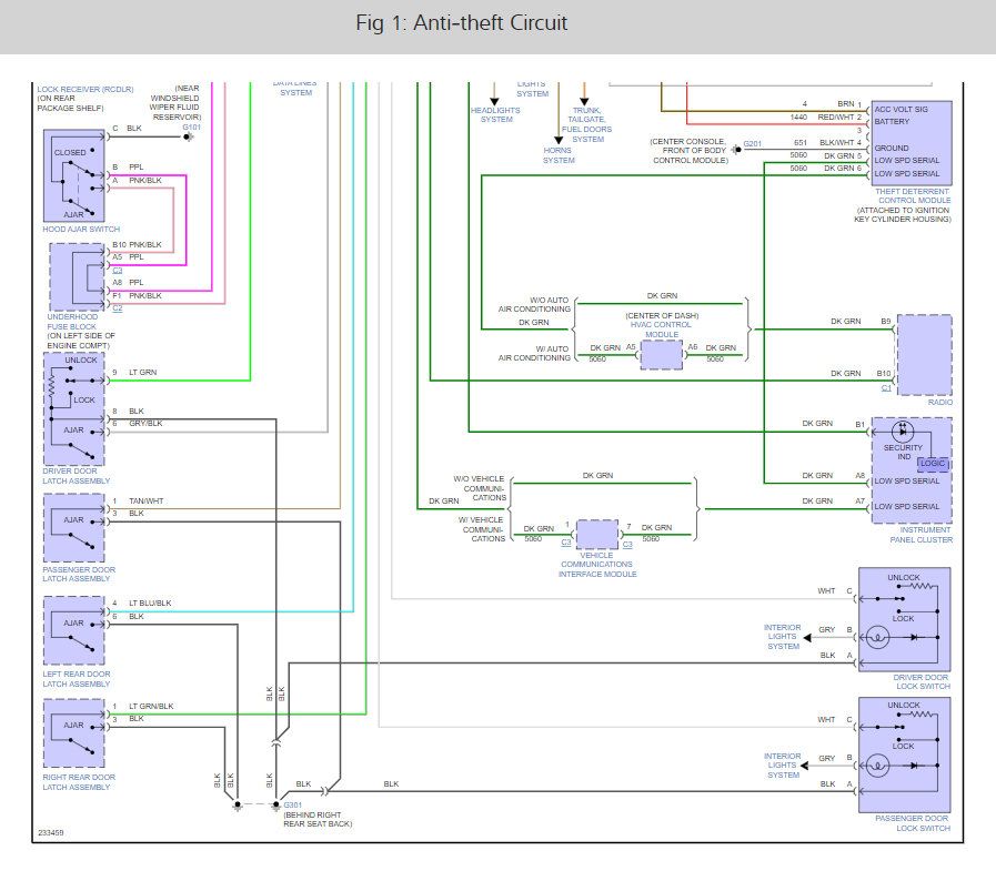
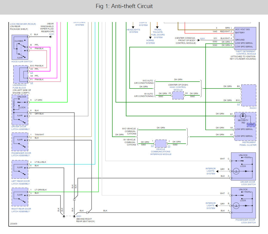
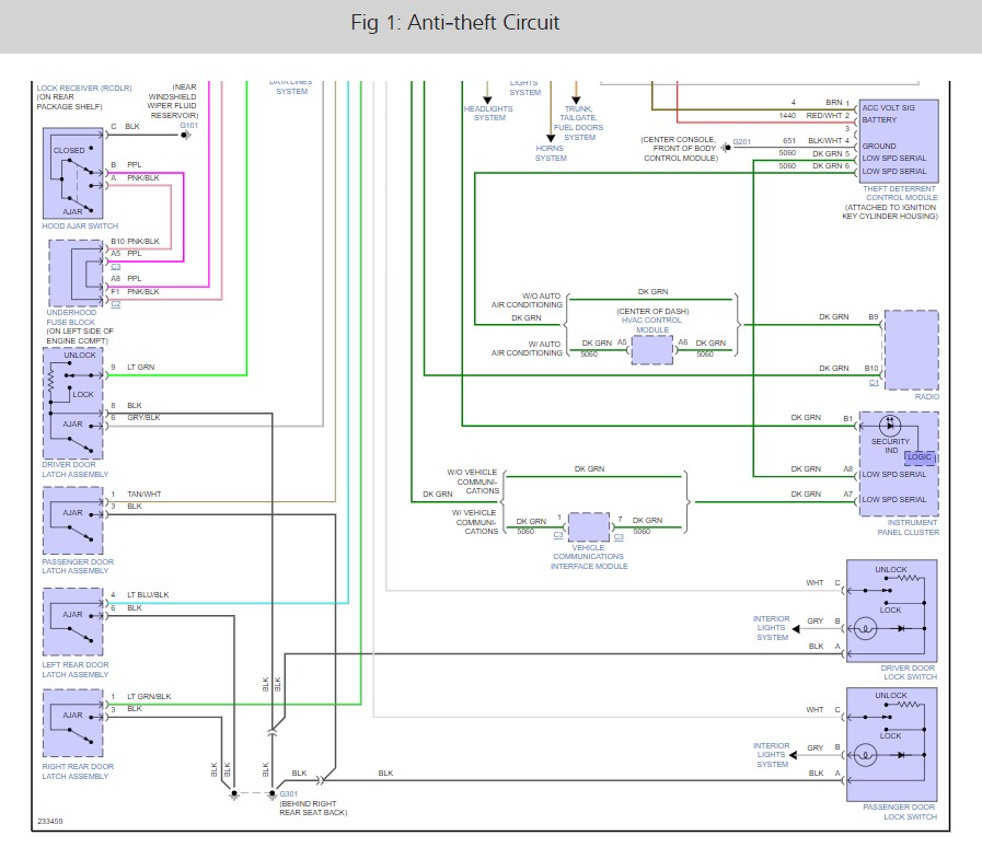
I was hoping the scan would have told us more, it sounds like the BCM is out here are the wiring diagrams so you can see how the security system works.

KEYLESS ENTRY SYSTEM DESCRIPTION AND OPERATION

The keyless entry system is a supplementary vehicle entry device. Radio frequency interference or discharged batteries may disable the system.

Keyless entry allows you to operate the following features:
- The door locks
- The rear compartment lid release-Press and hold rear release button for approximately one second to activate.
- The illuminated entry lamps.
- The panic alarm.
- Remote start.

The keyless entry system has the following main components:
- The transmitters
- The body control module (BCM)
- The remote control door lock receiver (RCDLR)-When you press a button on the transmitter, the transmitter sends a signal to the RCDLR. The RCDLR receives the signal and sends a X Link serial data message requesting the appropriate function from the BCM.

Unlock Driver Door Only
Momentarily press the UNLOCK button in order to perform the following functions:
- Unlock the driver door only.
- Illuminate the interior lamps for approximately 20 seconds or until the ignition is turned ON.
- Flash the park lamps if the ignition is turned OFF and the doors are closed.
- Identify the driver to the radio-The radio will then revert to the station presets, the last station, the last volume settings, and the last playback mode used by that driver.

Unlock All Doors - Second Operation
Momentarily press the UNLOCK button a second time, within 5 seconds of the first press, in order to perform the following functions:
- Unlock all of the doors.
- Illuminate the interior lamps for approximately 20 seconds or until the ignition is turned ON.

Lock All Doors
Press the LOCK button in order to perform the following functions:
- Lock all of the doors.
- Immediately turn OFF the interior lamps.
- Flash the park lamps if the ignition is OFF and the doors are closed.
- Chirp the horn if the ignition is OFF and the doors are closed.

Remote Trunk/Liftgate Release
The trunk or liftgate will open when this button on the transmitter is pressed and held for approximately one second. You can open the sedan trunk with the transmitter when the vehicle is stationary. On vehicles equipped with a liftgate the liftgate will only open when the vehicle is in PARK (P).

Panic Alarm Function
A single press of the panic button performs the following functions:
- Illuminates the interior lamps.
- Pulses the horn.
- Flashes the daytime running lamps for 2 minutes or until the following conditions occur:
- The panic button is pressed again.
- The ignition switch is turned to the RUN position with a valid key.

Remote Vehicle Start
The Remote Vehicle Start function allows the customer to start the vehicle while not in the car. It also allows starting up the vehicle heating or air conditioning system and other vehicle systems to provide the customer with a comfortable vehicle when they enter it. The distance the customer can be away from the vehicle and operate this feature has a design requirement of 60 meters or 100 feet. The Remote Vehicle Start feature is started by the customer pressing and releasing the lock button and then pressing and holding the remote vehicle start (RVS) buttons on their key fob. The turn signal lamps will flash if this feedback is enabled on to indicate the vehicle has received the Remote Start Request. Each time the customer does a remote vehicle start, the vehicle doors are locked, however they may then be unlocked/locked with the key fob or key at anytime. Once the vehicle has been started, there is visible feedback. There are vehicle conditions which will prevent a remote start, for example if the hood is not closed or the key is in the ignition. The Remote Vehicle Start feature once activated is allowed to run for 10 minutes. At any time during this 10 minute time the 10 minute time-out can be reset once. This feature is called a Remote Vehicle Start Continue. This allows a maximum of 20 minutes of engine running via the Remote Vehicle Start feature without a reset. If the Remote Vehicle Start Continue is done at 7 minutes into the initial 10 minute time-out, a total of 17 minutes of engine running would occur. A remote vehicle start, once active, can be stopped by pressing a dedicated RVS button on the key fob or by pressing the Vehicle Hazard switch located inside the vehicle. The following will also abort a remote start, using an invalid passkey, force rotating the ignition, force shifting out of park. Remote start will also be stopped if any DTCs that turn ON the SES/MIL are stored in history or current status.

Customer Programming Method for Enabling/Disabling the RVS Feature
Using the driver information center (DIC), the RVS feature can be DISABLED and ENABLED just like other items programmable via the DIC. When a lock control, entry-remote entry, extended range (AP8) equipped vehicle has RVS added to it and the vehicle is not DIC equipped and the customer wants to disable RVS. The dealer will perform the DISABLED remote start function since the owner cannot perform the function on their own without a DIC.

Remote Vehicle Start Features That Allow A Remote Vehicle START/CONTINUE
- The RVS feature must be enabled.
- A RVS request command is received by the body control module (BCM).
- The hood ajar switch status is closed.
- The number of remote start attempts is less than 3.
- The key is not in the ignition.
- The remote start voltages are within proper operating ranges 6-16 volts.
- There are no DTCs or serial data communication failures with RVS related systems.
- The transmission status is Park/Neutral and the vehicle speed is zero.

Conditions to Stop A Remote Vehicle Start
- Hood ajar switch status is - OPEN.
- Inserting the key in the ignition and turning the key to any non-off power modes, and returning the key to the OFF position
- The RVS time has elapsed or timed out.
- The RVS master receives a run abort message from the powertrain control module (PCM) or engine control module (ECM).
- Hazard shutoff switch status is - ACTIVE.
- By content theft deterrent (CTD) system, if equipped, and alarm status becomes Violated
- RVS system voltage out of range, under 6 volts or over 16 volts
- DTCs set for any related systems, or serial data communication failure for any modules that support the RVS function

If the RVS master stops a remote vehicle start for any of these conditions, further remote vehicle starting is not allowed until a RVS RESET has occurred.

A RVS Reset occurs when, in an ignition switch vehicle, the key is inserted and rotated into the Run position, power mode of RUN is seen, and PCM/ECM Vehicle Theft Fuel Continue is received over serial data and passes VTD criteria.

This action results in resetting the RVS counters to MAX starts allowed and the RVS Attempts to 0.

Check out the images (below). Please let us know what you find. We are interested to see what it is.
Was this
answer
helpful?
Yes
No
Monday, September 12th, 2022 AT 4:24 PM

Please login or register to post a reply.