Which Fuse is it for the washer fluid pump?

Tiny
CRAIG7156
  • MEMBER
  • 1999 OLDSMOBILE CUTLASS
  • 3.1L
  • 6 CYL
  • 2WD
  • AUTOMATIC
  • 173,000 MILES
The owner's manual and all diagrams online don't have it labeled anywhere.
Tuesday, February 15th, 2022 AT 10:07 AM

3 Replies

Tiny
AL514
  • MECHANIC
  • 5,552 POSTS
Hello, this fuse is located on the driver's side, side of the dashboard. I will see if I can find a picture of it, but it should be labelled Wiper Fuse 25Amp.
And just for your information, there is a Technical Service Bulletin on using fuses that are aftermarket or Not GM fuses. But I'm sure your local parts store will have decent fuses; this is talking about fuses bought at Harbor Freight.
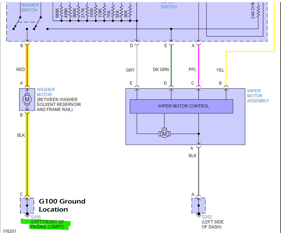
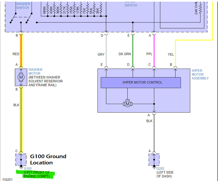
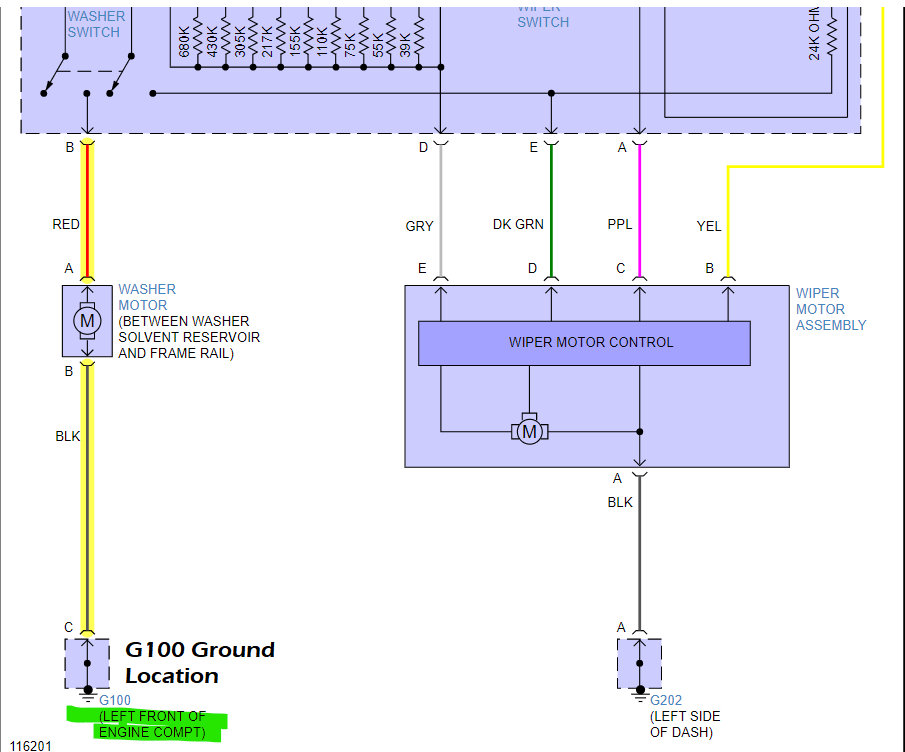
Also, the wiper motor is on the same fuse as the washer pump motor, so if the wipers still work it's not the fuse. It can be the Ground wire for the washer pump motor or the wiper switch assembly, or the washer pump itself has failed.
The last diagram shows how to check the washer pump with a Multimeter or 12-volt Automotive test light.

https://www.2carpros.com/articles/how-to-check-a-car-fuse

https://www.2carpros.com/articles/how-to-use-a-test-light-circuit-tester

https://www.2carpros.com/articles/how-to-use-a-voltmeter
Was this
answer
helpful?
Yes
No
+1
Tuesday, February 15th, 2022 AT 12:12 PM
Tiny
CRAIG7156
  • MEMBER
  • 2 POSTS
Thanks for your help. The wipers do work so I'm going to have to do some more testing.
Was this
answer
helpful?
Yes
No
+1
Tuesday, February 15th, 2022 AT 1:38 PM
Tiny
AL514
  • MECHANIC
  • 5,552 POSTS
No problem, if you have any more questions or need any other information let us know, those little washer pumps go bad after a while especially since the vehicles age, they don't cost much to replace, but do those checks on the red wire first. The Ground for the washer pump also grounds a lot of other components, so I don't think you're going to find a bad ground but going across the connector like the little picture I made up will check the power and ground at the same time. Sometimes the pumps get clogged too, I had one where the customer had dropped the little paper insert inside the cap of washer fluid jug into the washer reservoir, and it deteriorated and got pulled up inside the pump, it was full of paper. Weird things happen.
Was this
answer
helpful?
Yes
No
+1
Tuesday, February 15th, 2022 AT 1:51 PM

Please login or register to post a reply.