Heater not working properly

Tiny
DAN WHEELER2
  • MEMBER
  • 1997 LINCOLN TOWN CAR
  • 141,000 MILES
1. I did self test 125 115 124 pushed defrost. Turned off restarted and re test All segments lit.
2. No A/C full charge and compressor engages.
3. Heat blows from only vents. Wimpy little defrost and floor.
4. Arm on the thingy under dash by ashtray does move forward 2 or 3 positions and back but when turn off car something under dash sounds like releasing pressure sounds squishy kinda.
I know I can't explain without sound bytes but is this something I can do at home with average tools and know how. Please be gentle
Monday, August 26th, 2019 AT 7:30 PM

20 Replies

Tiny
ASEMASTER6371
  • MECHANIC
  • 52,796 POSTS
Good morning.

Do you have A/C when you command cold air? There are actuators for the mode as well as the blend door. Check out this guide

https://www.2carpros.com/articles/car-heater-not-working

Removal

1. Disconnect battery ground cable (14301).

2. Remove instrument panel (04320). See: Dashboard / Instrument Panel > Procedures

3. Remove four A/C electronic blend door actuator retaining screws.

4. Remove A/C electronic blend door actuator.

A/C Electronic Blend Door Actuator

Installation

1. Insert A/C electronic blend door actuator into A/C air temperature control door (19D842) (manually moving A/C air temperature control door will help engage shaft).

2. Attach A/C electronic blend door actuator with four retaining screws

3. Install instrument panel. See: Dashboard / Instrument Panel > Procedures

Check out the diagrams (Below). Please let us know what happens.
Was this
answer
helpful?
Yes
No
+1
Tuesday, August 27th, 2019 AT 3:08 AM
Tiny
DAN WHEELER2
  • MEMBER
  • 7 POSTS
Any way of doing this without ripping out whole dash? Would rather have floor and defrost then anything else. Wisconsin summer done but brrrr winter real soon.
Was this
answer
helpful?
Yes
No
Tuesday, August 27th, 2019 AT 10:04 AM
Tiny
ASEMASTER6371
  • MECHANIC
  • 52,796 POSTS
Okay, I need the pressures to help with the A/C issue.

You said you have heat through the vents? You stated in your original replay there was no air through the vents? Please explain.

Roy
Was this
answer
helpful?
Yes
No
Tuesday, August 27th, 2019 AT 12:37 PM
Tiny
DAN WHEELER2
  • MEMBER
  • 7 POSTS
Sorry no air conditioning. Just checked under dash. Apparently dash has been pulled at least once before. Center screw under front window defrost gone and some type of support supposed to be connected to steering wheel just hanging.
Was this
answer
helpful?
Yes
No
Tuesday, August 27th, 2019 AT 4:59 PM
Tiny
DAN WHEELER2
  • MEMBER
  • 7 POSTS
Thank you Roy.
Was this
answer
helpful?
Yes
No
Tuesday, August 27th, 2019 AT 5:00 PM
Tiny
ASEMASTER6371
  • MECHANIC
  • 52,796 POSTS
You are welcome.

Roy
Was this
answer
helpful?
Yes
No
+1
Tuesday, August 27th, 2019 AT 5:02 PM
Tiny
DAN WHEELER2
  • MEMBER
  • 7 POSTS
Is there a way to manually working defrost door without tearing dash apart? Don't care about A/C right now. Defrost and floor heat would be nice. Hot air flows great through vents not defrost or floor.
Was this
answer
helpful?
Yes
No
Tuesday, August 27th, 2019 AT 9:42 PM
Tiny
ASEMASTER6371
  • MECHANIC
  • 52,796 POSTS
There is a vacuum motor in the diagram I sent you. That is for the modes. You would have to move that arm and lock it in the position you desire. That does not require dash removal. It is accessible from under the dash.

Roy
Was this
answer
helpful?
Yes
No
Wednesday, August 28th, 2019 AT 2:09 AM
Tiny
WILLIAMGUPTON
  • MEMBER
  • 1 POST
  • 1997 LINCOLN TOWN CAR
  • V8
  • 2WD
  • AUTOMATIC
  • 67,987 MILES
My car was blowing heat and cold air now it only blows cold air at one time u could hear the vents slide open and close now nothing.I need heat for this winter, thank you
Was this
answer
helpful?
Yes
No
Thursday, December 17th, 2020 AT 8:10 AM (Merged)
Tiny
MERLIN2021
  • MECHANIC
  • 17,250 POSTS
Run the self diagnostic test on it by turning the key to on, then press off and floor at the same time, then within 2 secs, press auto, If there is a problem a trouble code will appear on the display. To exit self test, press the BLUE, cooler button this also retains error codes, To erase codes and exit, press defrost, choose one of these before you power down the system. Test with engine at 120 degrees or more, and cabin between 40-90 degrees. Post any codes recorded here and I let you know what's defective.
The test can take a minute or two, you will see a tracer move around the display panel.
Was this
answer
helpful?
Yes
No
+2
Thursday, December 17th, 2020 AT 8:10 AM (Merged)
Tiny
CEDRIC S.
  • MEMBER
  • 1 POST
  • 1997 LINCOLN TOWN CAR
  • V8
  • FWD
  • AUTOMATIC
  • 130,000 MILES
I drive a a 97 Lincoln Towncar. When I first purchased the car the heat blew very hot after a few weeks I noticed that sometimes I would turn the heat on and it only would blow cold air and sometimes it works well. This maybe in my head but it seems to blow cold when it's extremely cold outside. The A/C doesn't at all.
Was this
answer
helpful?
Yes
No
Thursday, December 17th, 2020 AT 8:10 AM (Merged)
Tiny
JNOVACK
  • MECHANIC
  • 723 POSTS
There is a temp switch is your heating and cooling system that could be going out I will have to get back to you on the exact location the part is about $20.00 it screws into air duct and controls your system it could be the probblem with your a/c also or a/c needs to be charged
Was this
answer
helpful?
Yes
No
Thursday, December 17th, 2020 AT 8:10 AM (Merged)
Tiny
PATRICIA FLORES
  • MEMBER
  • 1 POST
  • 1996 LINCOLN TOWN CAR
  • 120,000 MILES
Blows but no heat.
Was this
answer
helpful?
Yes
No
Thursday, December 17th, 2020 AT 8:11 AM (Merged)
Tiny
JACOBANDNICKOLAS
  • MECHANIC
  • 110,194 POSTS
Hi,

This can be the result of a few things. The first thing I need you to do is check through the following link and see if there is anything that helps.

https://www.2carpros.com/articles/car-heater-not-working

If nothing there helps, do the following.

1) Confirm that the engine coolant level is full. (never open a radiator when the engine is hot).

2) Check to see if the engine is warming up to normal operating temperature.

3) Start the engine, turn the heater on high, and allow the engine to warm up to normal operating temperature. Next, turn the engine off and feel both heater core hoses which will be mounted at the firewall under the hood. Both should be hot. (one may be slightly warmer).

4) If only one is hot, we need to flush the heater core. I will explain that process if needed.

5) If both hoses are hot, then the problem is in the vehicle. A component called a blend air door actuator is likely not working. This actuator moves a door in the HVAC system which allows warm or cold air to enter. Here is a link that shows in general how one is replaced:

https://www.2carpros.com/articles/replace-blend-door-motor

__________________________

Here are directions specific to your vehicle for replacing the blend door actuator. The attached pic correlates with the directions.

__________________________

1996 Lincoln Town Car V8-281 4.6L SOHC
Air Door Actuator
Vehicle Heating and Air Conditioning Air Door Actuator / Motor Service and Repair Procedures Blend Door Motor Air Door Actuator
AIR DOOR ACTUATOR
Removal

1. Remove instrument panel assembly. Refer to Instrument Panel/Service and Repair. See: Instrument Cluster / Carrier > Procedures
2. Disconnect the electrical harness, to the temperature controller on the control assembly, from the blend door actuator.

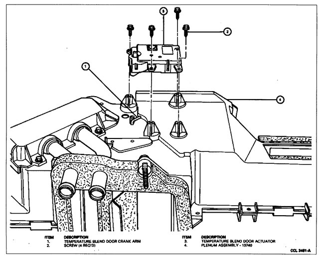
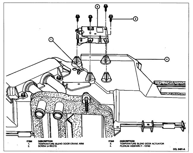
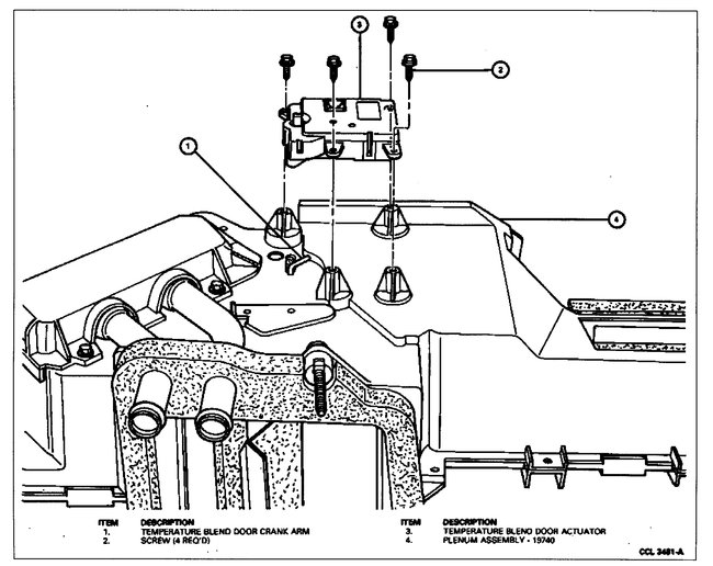
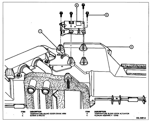
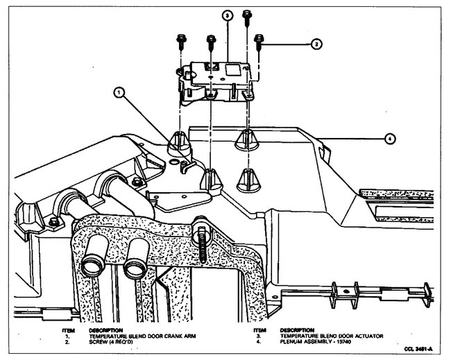
Temperature Blend Door Actuator

Pic 1

3. Remove four screws and remove the blend door actuator from the plenum assembly.

Installation

1. Position the blend door actuator on the plenum assembly. Be sure the actuator cam is properly engaged with the temperature blend door crankarm.
2. Install the four screws that secure the blend door actuator to the plenum assembly.
3. Connect the temperature controller electrical harness to the blend door actuator.
4. Install instrument panel. Refer to Instrument Panel/Service and Repair.

_________________________________

Let me know if this helps or if you have other questions.

Take care,
Joe

Was this
answer
helpful?
Yes
No
Thursday, December 17th, 2020 AT 8:11 AM (Merged)
Tiny
AUTUMNSOPHIA261
  • MEMBER
  • 1 POST
  • 1996 LINCOLN TOWN CAR
  • V8
  • RWD
  • AUTOMATIC
  • 267,000 MILES
My town car blows cold air. Fluids are good, flushed radiator, changed thermostat, I hear my blend door opening and shutting no clicking noise, I don't think it my heater core cuz there is no mist coming out of my vents, temps are good, no overheating staying right in the middle. What else could it be?
Was this
answer
helpful?
Yes
No
Thursday, December 17th, 2020 AT 8:11 AM (Merged)
Tiny
JOHNNYT73
  • MECHANIC
  • 924 POSTS
I bet you may just have an air pocket in the heater lines/heater core. When the engine is cold remove the cap, start the engine, turn on the heat, let it warm up to operating temperature, raise the RPM up to 3000-3500 and hold it for about 5 seconds (do this quite a few times), If your beginning to feel heat when you raise the RPM then you know its just air in the system, Do this until you thermostat is open and you have heat at idle. Then just keep topping of the coolant till its full.
Was this
answer
helpful?
Yes
No
Thursday, December 17th, 2020 AT 8:11 AM (Merged)
Tiny
T.R.BROOKS
  • MEMBER
  • 3 POSTS
  • 1996 LINCOLN TOWN CAR
  • V8
  • 2WD
  • AUTOMATIC
  • 177,000 MILES
Would like troubleshooing solutions on my heater problems.
Was this
answer
helpful?
Yes
No
Thursday, December 17th, 2020 AT 8:11 AM (Merged)
Tiny
RACEFAN966
  • MECHANIC
  • 5,029 POSTS
Ok I will try to help here. I will need to know what the problem is. So tell me what is happening what it is and isn't doing and we will go from there. Ok. Thanks.
Was this
answer
helpful?
Yes
No
Thursday, December 17th, 2020 AT 8:11 AM (Merged)
Tiny
T.R.BROOKS
  • MEMBER
  • 3 POSTS
Have checked all fuses, all vents blow when I select ac, vent, def, heater but I recieve no warm or hot air.
Was this
answer
helpful?
Yes
No
Thursday, December 17th, 2020 AT 8:11 AM (Merged)
Tiny
RACEFAN966
  • MECHANIC
  • 5,029 POSTS
It sound like a heater blend door problem or blend door actuator (which is on the top of the blend door). This is what directs the air coming in and when it fails or brakes it will not direct the air through the heater core. Here is a pic of a blend door and like I said the actuator is on top if it. Also be sure both heater hoses are hot, verifying water circulation in the heater core


https://www.2carpros.com/forum/automotive_pictures/249564_379286_2.jpg



See the guide below on replacing a blend door actuator..its not vehicle specific, but will show you what is involved

https://www.2carpros.com/articles/replace-blend-door-motor

See the diagrams below for the actual components of your vehicles HVAC plenum
Was this
answer
helpful?
Yes
No
Thursday, December 17th, 2020 AT 8:11 AM (Merged)

Please login or register to post a reply.