HOME
ASK A QUESTION
REPAIR GUIDES
BECOME A MEMBER
LOG IN
Login with Facebook
OR
Remember me
NOT A MEMBER?
FORGOT PASSWORD?
CONTACT US
PRIVACY POLICY
TERMS AND CONDITIONS
☰
Home
Mazda
626
Climate Control
Blower Fan
Resistor
Where is the blower motor and the blower motor resistor?
CPB0205
MEMBER
1992 MAZDA 626
AUTOMATIC
64,000 MILES
Blower only works on 3. I think I need to change the resistor but I don't know where it is.
Wednesday, April 2nd, 2014 AT 5:14 PM
2 Replies
CJ MEDEVAC
MECHANIC
11,005 POSTS
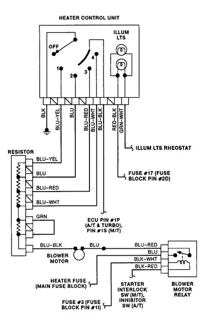
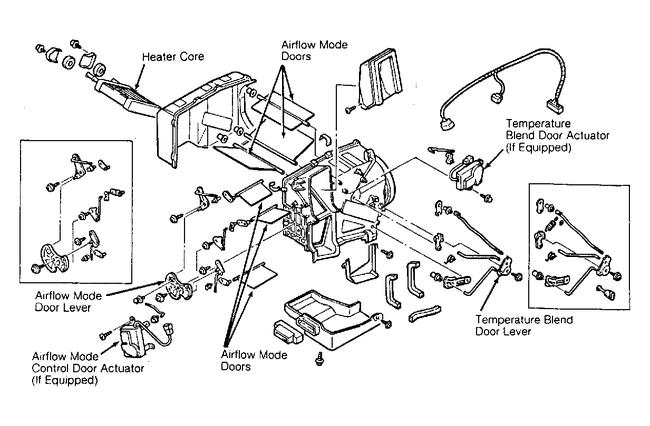
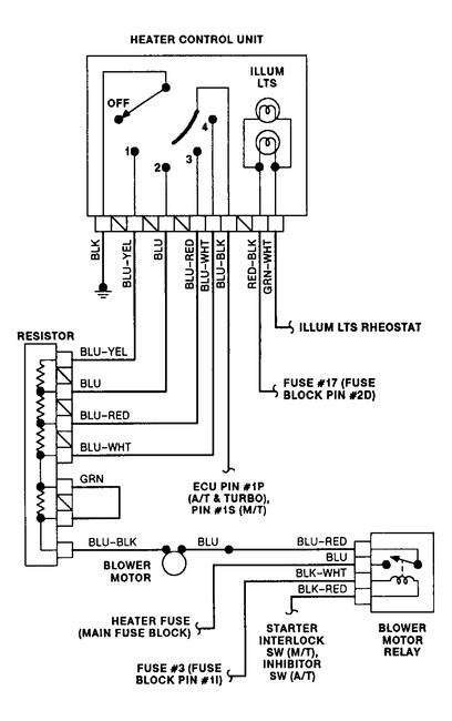
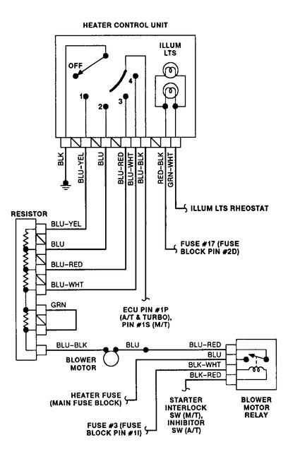
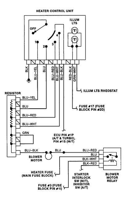
LOOKS LIKE IN THE EXPLODED VIEW, IT'S IN THE DUCT, IN THE MIDDLE BOTTOM
I GRABBED EXTRA STUFF FOR YOU IN "MITCHELL I". FOR INSTANCE THE WIRE COLORS MAY HELP VERIFY IT TOO
THE MEDIC
Images (Click to make bigger)
Was this
answer
helpful?
Yes
No
Wednesday, April 2nd, 2014 AT 5:52 PM
HMAC300
MECHANIC
48,601 POSTS
Remove undercover and glove box. Disconnect electrical connectors from blower resistor. Remove blower resistor. To install, reverse removal procedure
Was this
answer
helpful?
Yes
No
Thursday, April 3rd, 2014 AT 5:55 AM
Please
login
or
register
to post a reply.
Related Blower Fan Resistor Content
1989 Mazda 626 Blower Motor
1989 Mazda 626 I've Replaced The Blower Motor, The Resistor Switch, And The Fuse Inside The Car (not Under The Hood) And It Still...
Asked by
jelewis
·
2 ANSWERS
1989
MAZDA 626
1999 Mazda 626 Cooling And Aircondition Fans
I Recently Took My Car To A Machanic To Check The Cooling Fan And Aircondition Fan To See Why They Were Not Working And The Car Was...
Asked by
call2preach
·
7 ANSWERS
1999
MAZDA 626
Ac Fan
The Motor On My Ac Fan Is Good But It Dont Come On When I Turn The Air On. I Switched The Relay With Another One That Had The Same Numbers...
Asked by
Brian Teems
·
4 ANSWERS
1999
MAZDA 626
1992 Mazda 626 Heater Control Lever Not Working Stuck...
I Need To Know How To Repair The Heat Control Lever On The Dash It Is Stuck On Heat. My Son Forced It Over To Heat When It Wouldn't Go And...
Asked by
mrm30
·
1 ANSWER
1992
MAZDA 626
1998 Mazda 626 Cabin Air Filter
How Do I Go About Changing The Cabin Air Filter In A Mazda 626 If This Car Does Indeed Have A Cabin Air Filter. Also Can You Ball Park A...
Asked by
jstorin754
·
1 ANSWER
1998
MAZDA 626
VIEW MORE
Ask a Car Question. It's Free!
How to Use a Test Light
How to Replace the A/C Blower Motor
Air Conditioner - Vacuum Down and Recharge