A/C compressor relay location needed?

Tiny
BROBERTS13
  • MEMBER
  • 2015 NISSAN ALTIMA
  • 6 CYL
  • 2WD
  • 60,000 MILES
Compressor operation is intermittent. Relay is suspect. Where is the compressor relay?
Sunday, September 13th, 2020 AT 7:43 PM

13 Replies

Tiny
KASEKENNY
  • MECHANIC
  • 18,907 POSTS
This is part of the IPDM E/R. It does not appear to be serviceable. To confirm this, we need to check power coming out of the relay when this is acting up. If the power is coming and going then you are probably correct. However, if there is constant power, then your compressor is most likely the issue.

Let me know what questions you have after reviewing this. Thanks
Was this
answer
helpful?
Yes
No
+3
Sunday, September 13th, 2020 AT 8:11 PM
Tiny
JACOBANDNICKOLAS
  • MECHANIC
  • 110,192 POSTS
Hi,

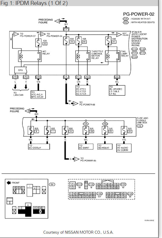
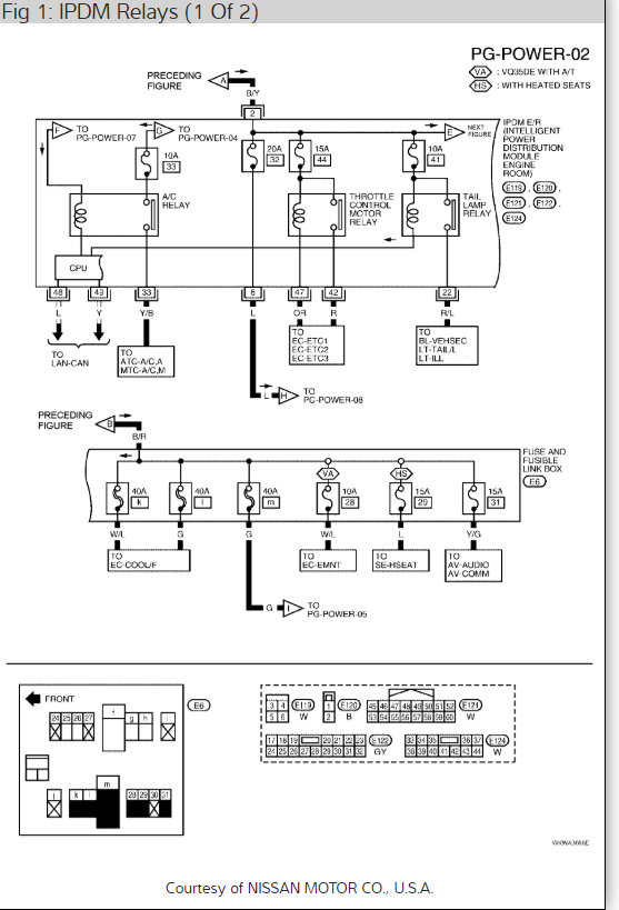
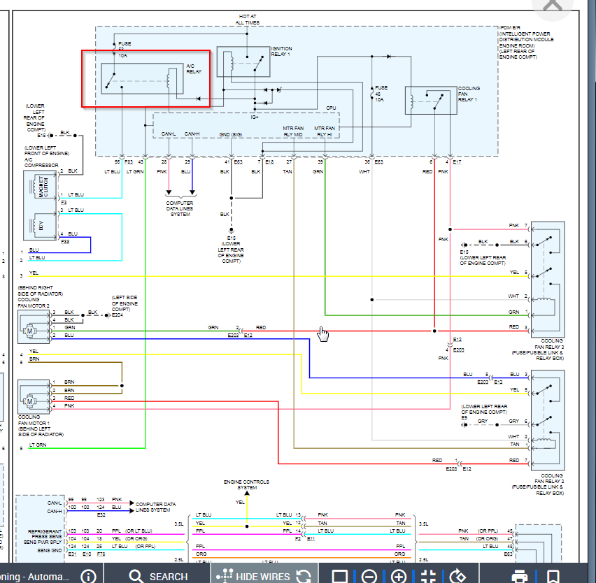
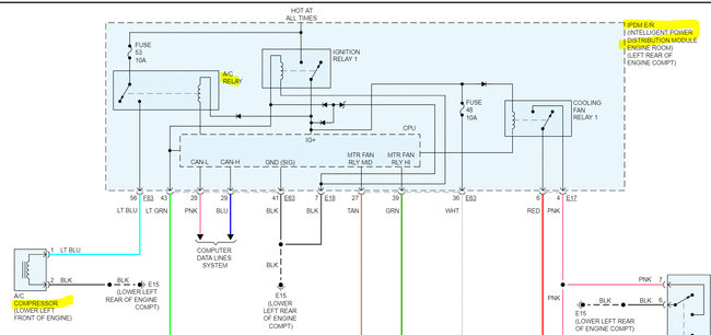
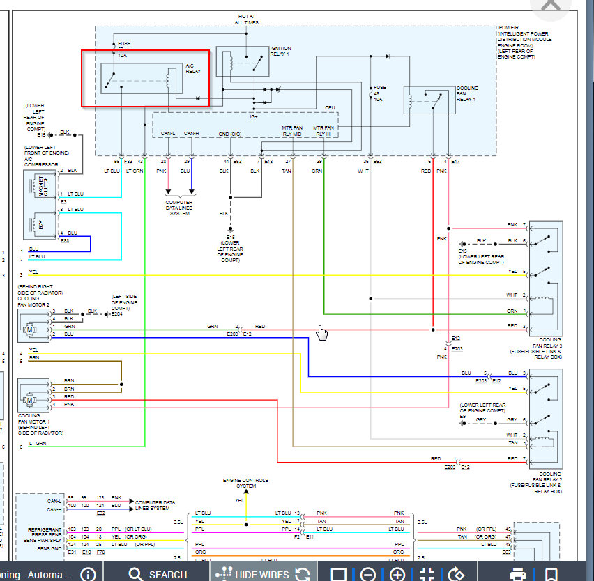
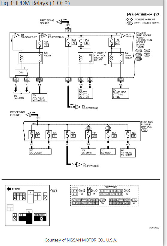
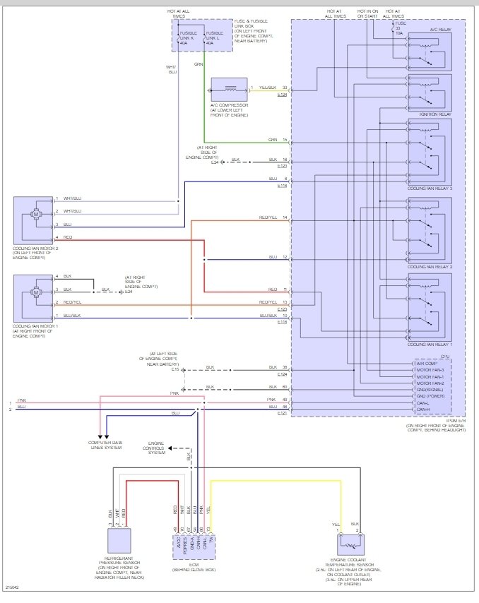
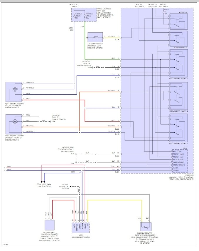
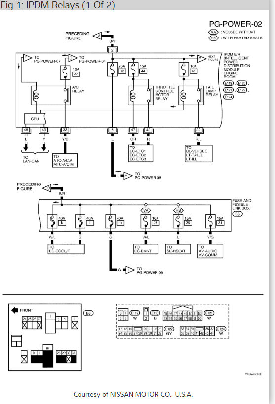
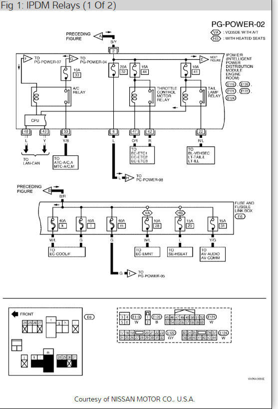
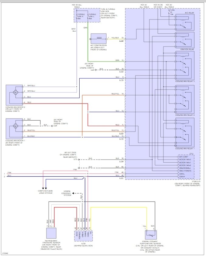
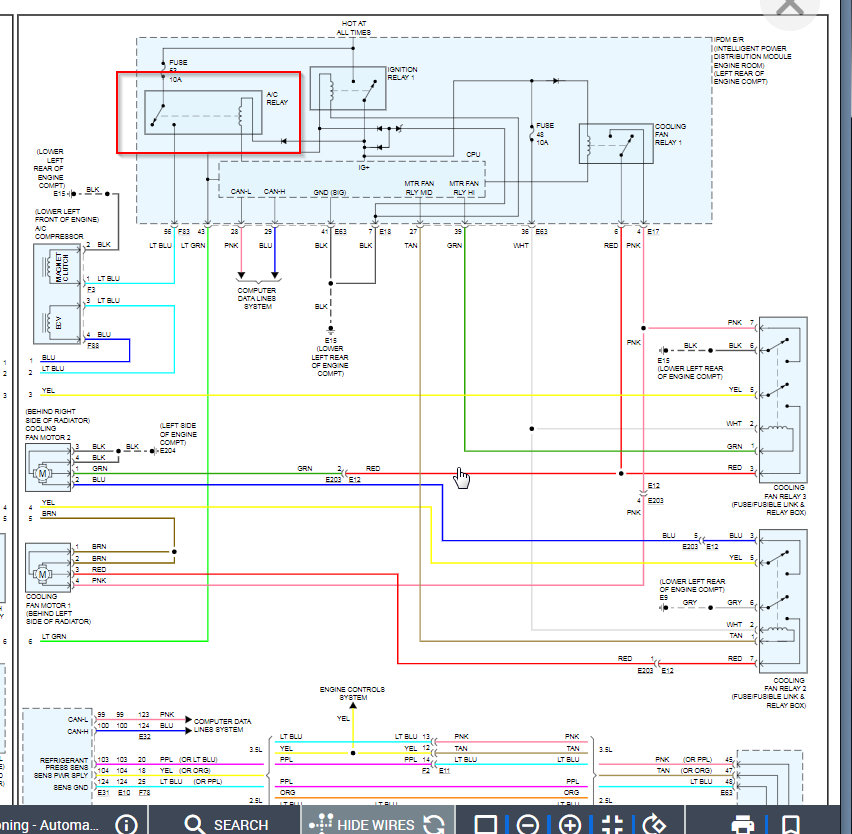
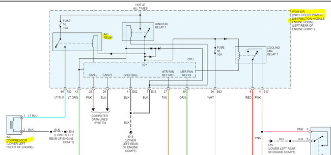
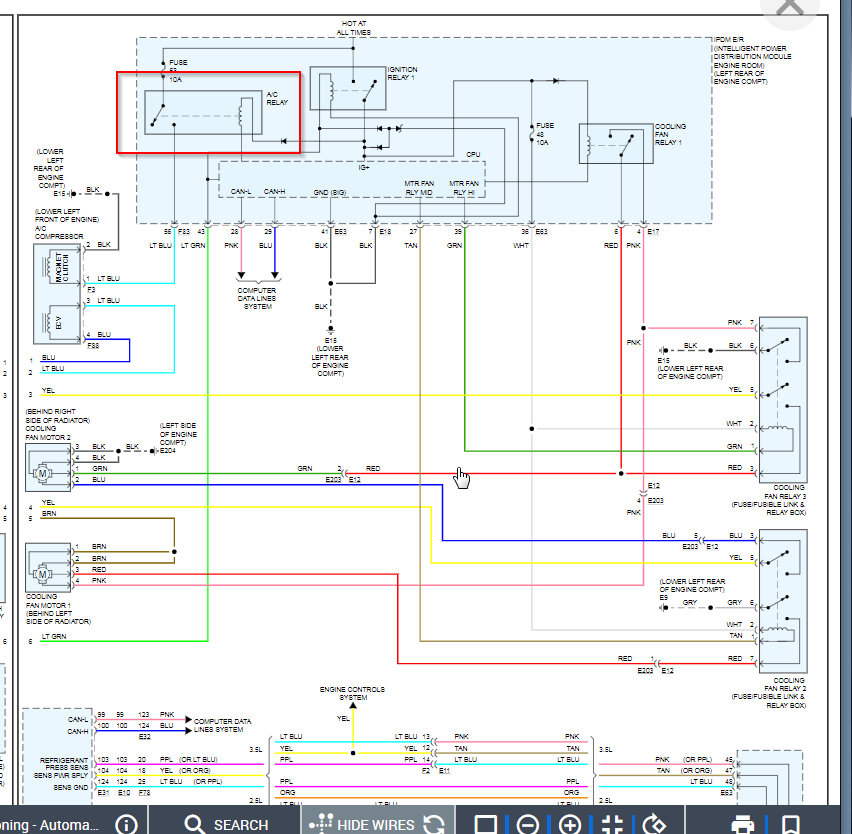
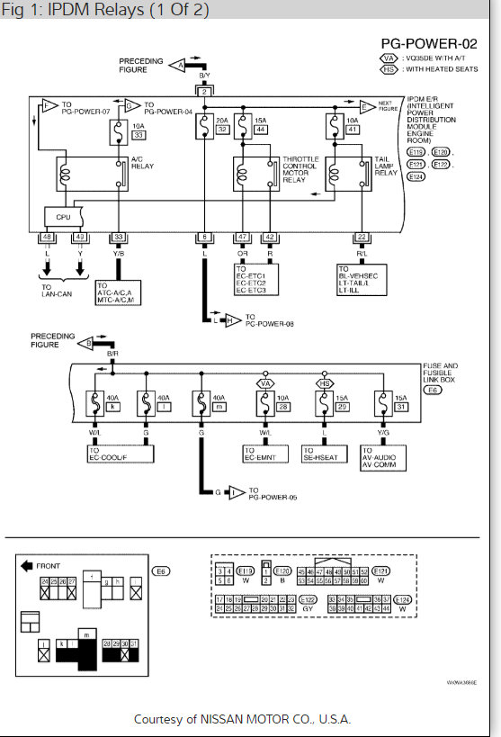
I know that the compressor relay is located in the intelligent power distribution module (IPDM) located under the hood. See the attached pic.

The relay is not replaceable separately,

Let me know if I can help.

Joe.
Was this
answer
helpful?
Yes
No
+10
Sunday, September 13th, 2020 AT 8:12 PM
Tiny
SANDERS530
  • MEMBER
  • 10 POSTS
  • 2012 NISSAN ALTIMA
  • 2.5L
  • 4 CYL
  • 2WD
  • AUTOMATIC
  • 200,000 MILES
Where is the A/C compressor relay located?
Was this
answer
helpful?
Yes
No
+9
Monday, May 24th, 2021 AT 7:07 PM (Merged)
Tiny
KASEKENNY
  • MECHANIC
  • 18,907 POSTS
Hi,

According to the service manual the relay is internal to the IPDM. Unfortunately that means it is not servicable. Please let me know if you need more information. Thanks
Was this
answer
helpful?
Yes
No
+2
Monday, May 24th, 2021 AT 7:07 PM (Merged)
Tiny
DYLSDAD
  • MEMBER
  • 1 POST
  • 2006 NISSAN ALTIMA
Can I get the location of A/C relay please?
Was this
answer
helpful?
Yes
No
+2
Monday, May 24th, 2021 AT 7:07 PM (Merged)
Tiny
KEN L
  • MASTER CERTIFIED MECHANIC
  • 55,266 POSTS
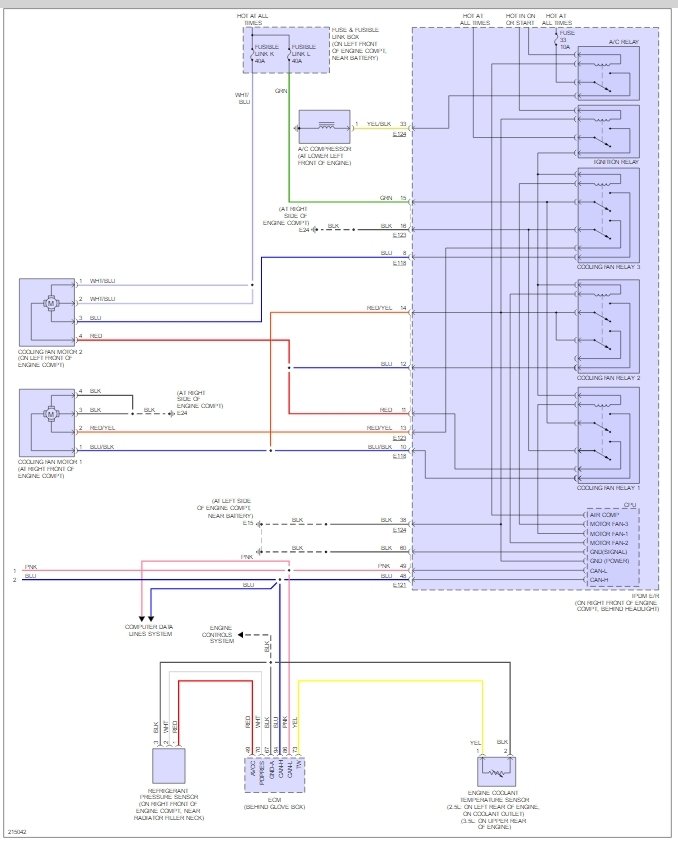
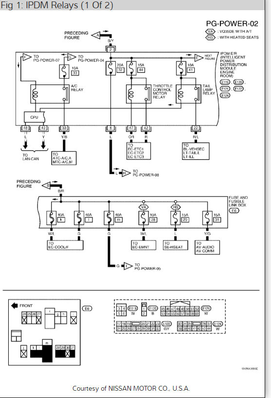
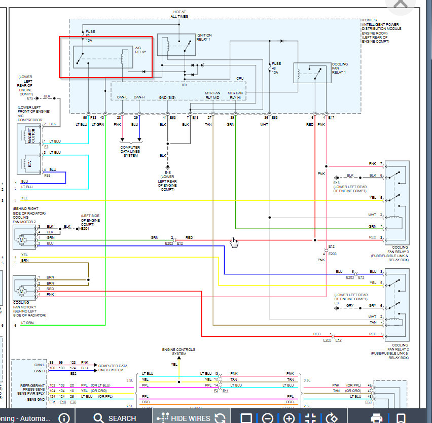
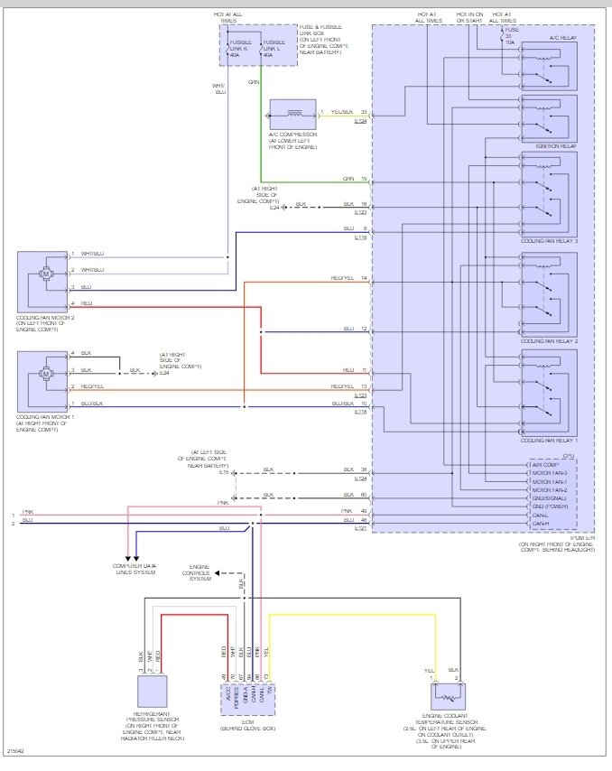
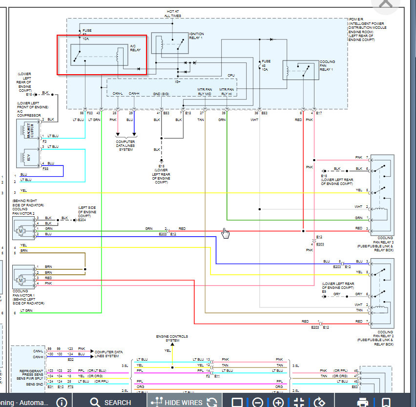
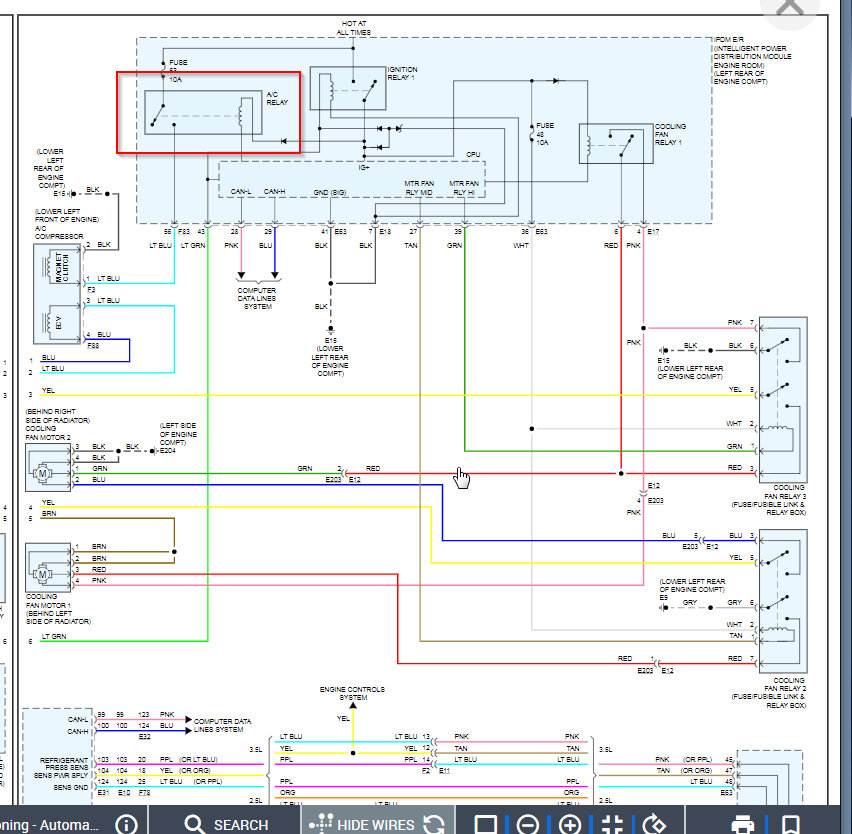
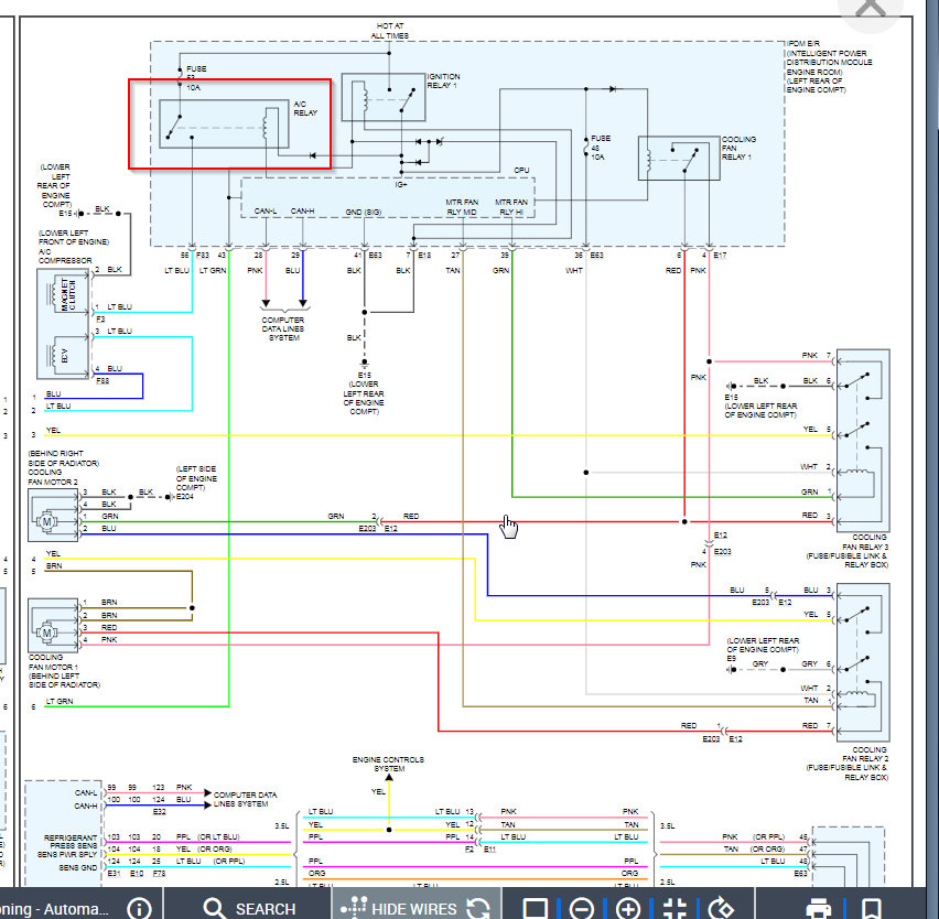
The relay is integrated into the IPDM behind the front headlight in the engine compartment on the passenger side.

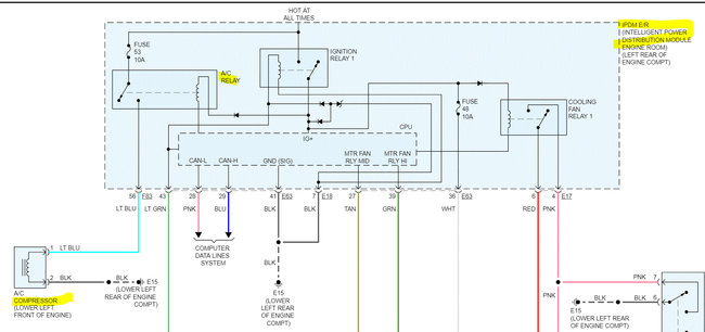
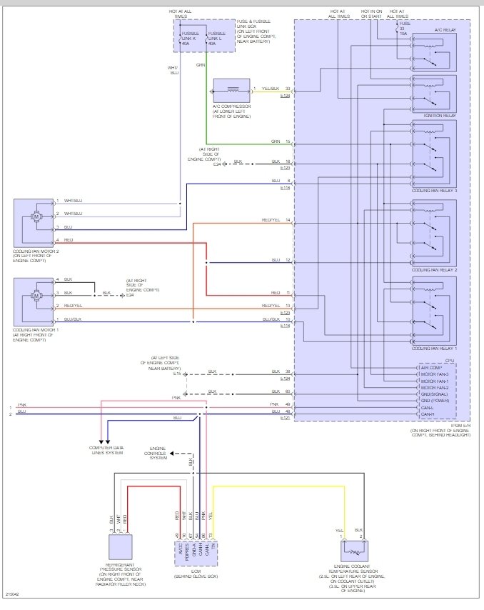
Here is a wiring diagram to help troubleshoot it:

https://www.2carpros.com/articles/how-to-check-an-electrical-relay-and-wiring-control-circuit

and

https://www.2carpros.com/articles/how-to-check-wiring

Let us know how it goes, we are here to help. Best, Ken
Was this
answer
helpful?
Yes
No
+3
Monday, May 24th, 2021 AT 7:07 PM (Merged)
Tiny
KEN L
  • MASTER CERTIFIED MECHANIC
  • 55,266 POSTS
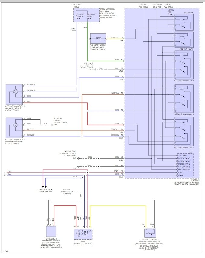
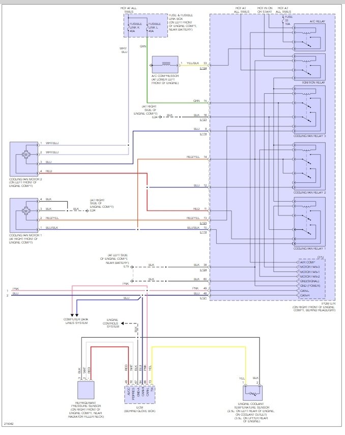
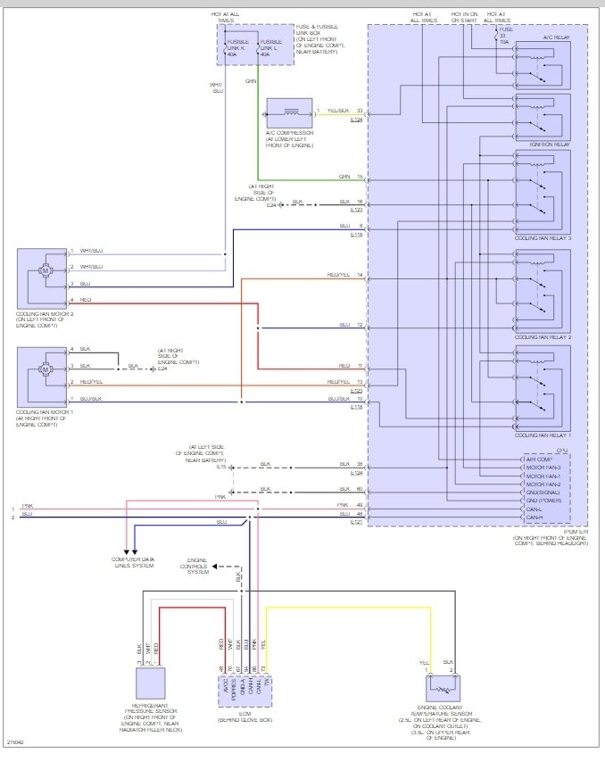
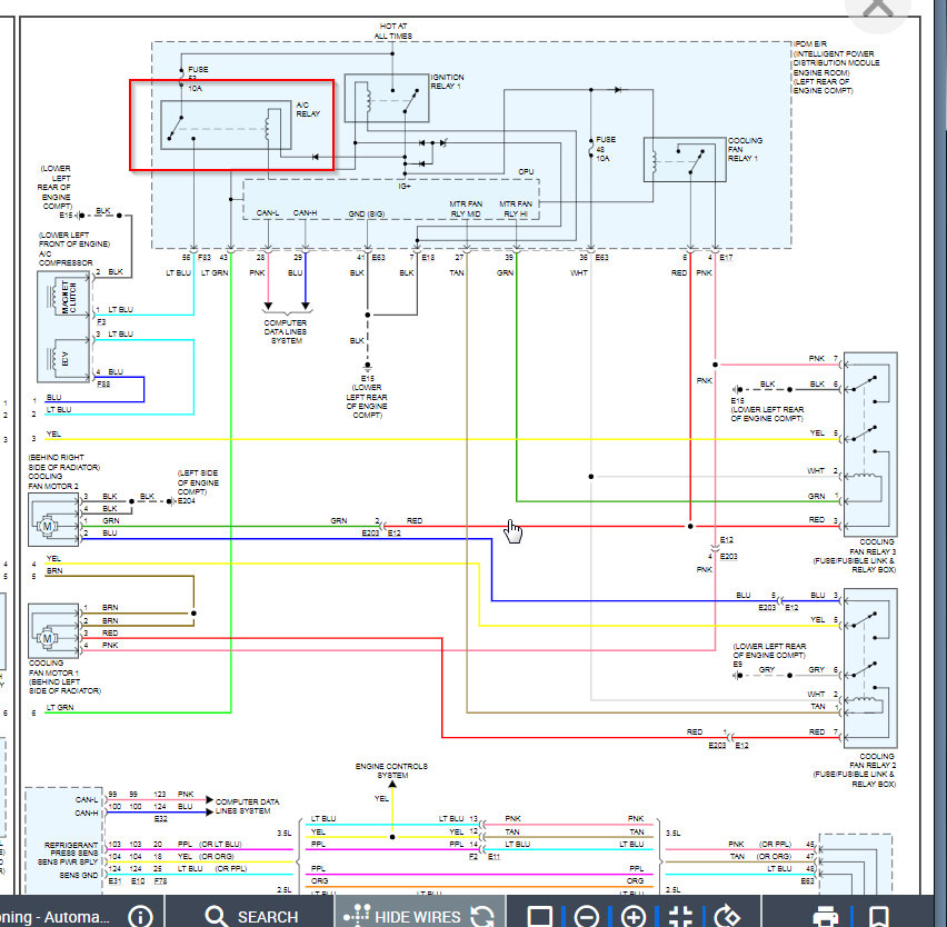
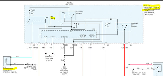
On some cars they have it as a blower motor relay but is goes to the compressor that why it's so hard to find. Check out the diagrams (Below). Please let us know if you need anything else to get the problem fixed.
Was this
answer
helpful?
Yes
No
+12
Monday, May 24th, 2021 AT 7:07 PM (Merged)
Tiny
CLAUWASH
  • MEMBER
  • 1 POST
  • 2003 NISSAN ALTIMA
The ac relay switch is not allowing the car to cool from the inside and I have lost the original part to get the number off of it, to order another one, so what else can I do?
Was this
answer
helpful?
Yes
No
Monday, May 24th, 2021 AT 7:07 PM (Merged)
Tiny
KEN L
  • MASTER CERTIFIED MECHANIC
  • 55,266 POSTS
Hello,

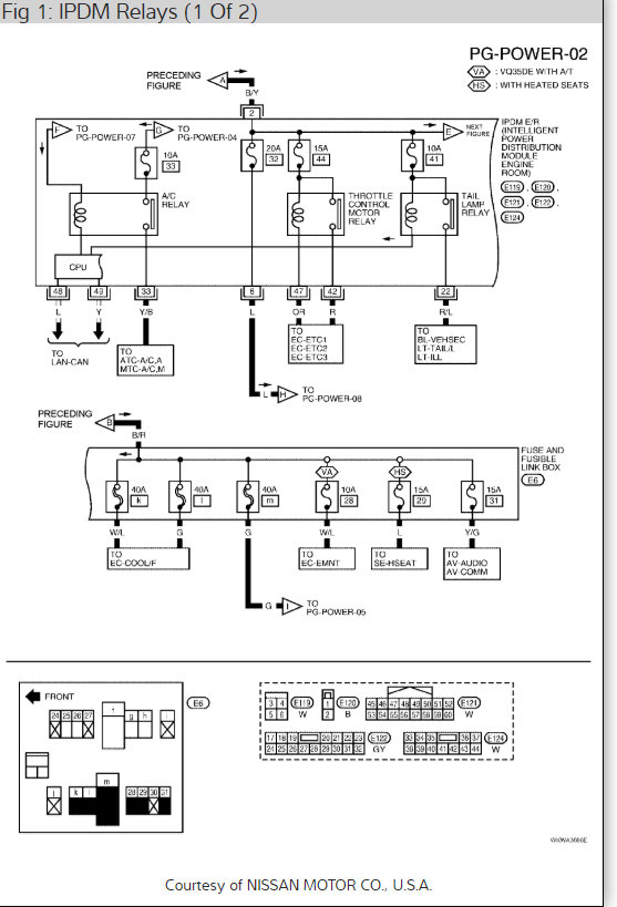
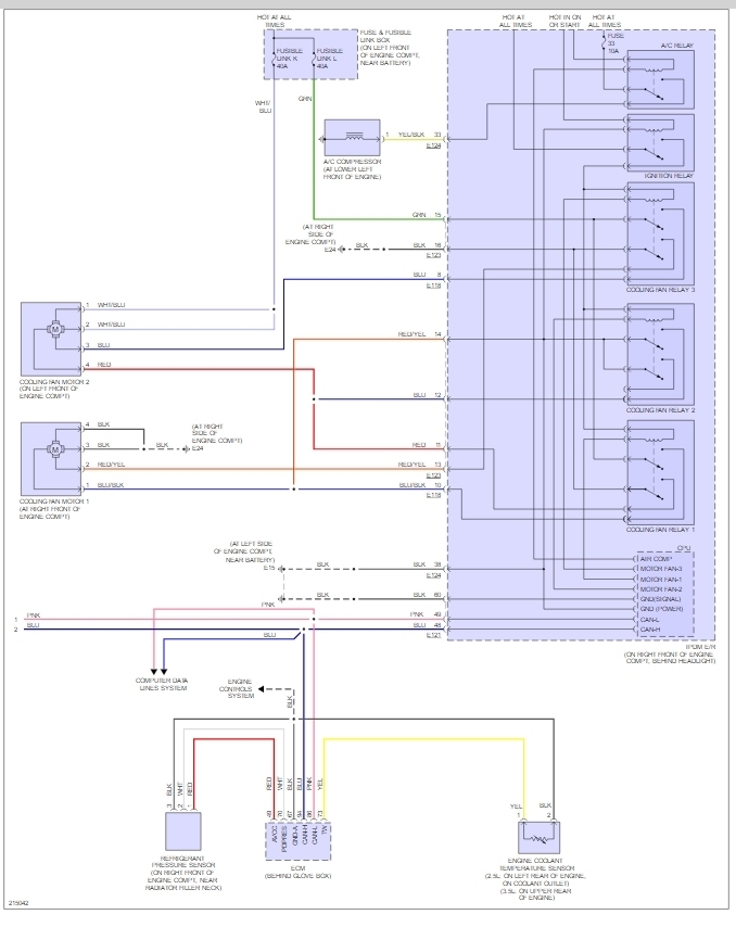
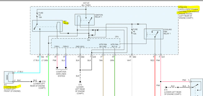
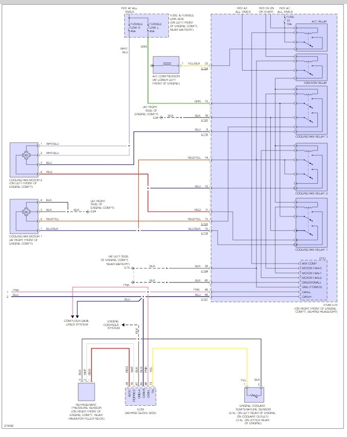
The air conditioner relay is in the power distribution center under the hood, Here is a diagram (below) that shows its location in the fuse block. Here is a guide that will help you test it as well.

https://www.2carpros.com/articles/how-to-check-an-electrical-relay-and-wiring-control-circuit

Please let us know if you need anything else to get the problem fixed.

Cheers, Ken
Was this
answer
helpful?
Yes
No
+3
Monday, May 24th, 2021 AT 7:07 PM (Merged)
Tiny
LIONSSHARE2
  • MEMBER
  • 1 POST
  • 2003 NISSAN ALTIMA
  • 2.5L
  • 4 CYL
  • 2WD
  • AUTOMATIC
  • 75,000 MILES
Want to replace bad relay switch on A/C unit the replacement part number is G8V1-1A4T 12 BBC 2348D61. It is a four prong switch. Can't seem to find this part anywhere is there another part or can you point me in the direction of where I might find another relay switch? Help please
Was this
answer
helpful?
Yes
No
Monday, May 24th, 2021 AT 7:07 PM (Merged)
Tiny
WRENCHTECH
  • MECHANIC
  • 20,761 POSTS
If this is the pin layout, there are plenty of generic models for sale that will work.

https://www.2carpros.com/images/external/Relay20Micro204pin.jpg
Was this
answer
helpful?
Yes
No
+1
Monday, May 24th, 2021 AT 7:07 PM (Merged)
Tiny
MELISSAJOHNSON
  • MEMBER
  • 1 POST
  • 2002 NISSAN ALTIMA
  • 2.5L
  • 4 CYL
  • AUTOMATIC
  • 195,162 MILES
Where is the exact location on my car listed above, A/C relay, so I can check it to be replaced?
Was this
answer
helpful?
Yes
No
Monday, May 24th, 2021 AT 7:07 PM (Merged)
Tiny
ASEMASTER6371
  • MECHANIC
  • 52,796 POSTS
Good evening,

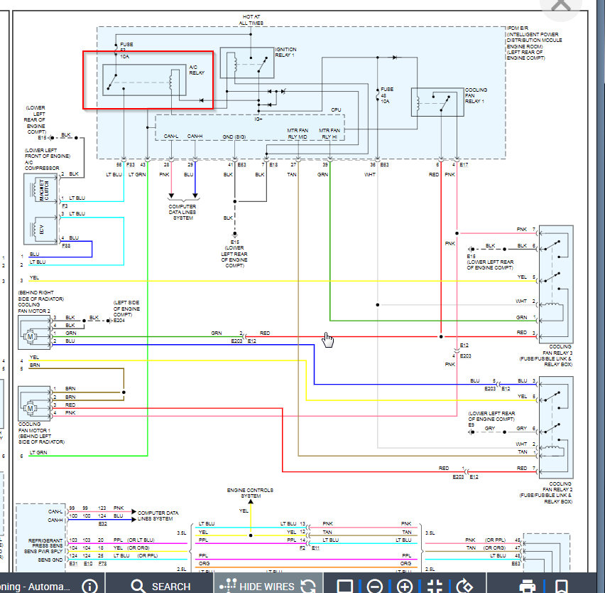
I attached a wiring diagram for you to view. Check the fuse in the fuse panel for power on both sides.

https://www.2carpros.com/articles/how-to-check-a-car-fuse

I also circled the location of the relay.

https://www.2carpros.com/articles/how-to-check-an-electrical-relay-and-wiring-control-circuit

https://www.2carpros.com/articles/how-to-check-wiring

Roy
Was this
answer
helpful?
Yes
No
Monday, May 24th, 2021 AT 7:07 PM (Merged)

Please login or register to post a reply.