What type of aftermarket engine for this truck

Tiny
RANGERSHANE
  • MEMBER
  • 2002 FORD RANGER
  • 4.0L
  • V6
  • 4WD
  • MANUAL
  • 200,000 MILES
My truck listed above has a different engine in it than what it had when it came from the factory and I am trying to figure out what engine it is so I can order the right parts. The engine has no balance shaft, from what I understand all of the Ford vehicles with 4x4 4.0 v6 engine From 01- 09 have balance shafts. Trying to figure out where I can look On the engine to find what the model is or what year it is to verify the parts I need before buying. One issue that occurred when taking the engine apart is the front jackshaft sprocket got stuck into place when I placed it back on to get the rear sprocket/bolt off. I believe some material may have been on the sprocket when I placed it back on the jackshaft. How can I safely remove this without damaging components, other than the sprocket which I will replace anyways. Any insight on either of my issues would be greatly appreciated. Also what’s a good easy way to clean head gasket sealing surfaces? Thanks
-Shane
Saturday, July 4th, 2020 AT 11:59 PM

7 Replies

Tiny
ASEMASTER6371
  • MECHANIC
  • 52,796 POSTS
Good morning,

Can I have the complete VIN number for the truck?

Roy
Was this
answer
helpful?
Yes
No
Sunday, July 5th, 2020 AT 2:37 AM
Tiny
RANGERSHANE
  • MEMBER
  • 46 POSTS
1FTZR45E72PA01763
Was this
answer
helpful?
Yes
No
Sunday, July 5th, 2020 AT 6:18 AM
Tiny
ASEMASTER6371
  • MECHANIC
  • 52,796 POSTS
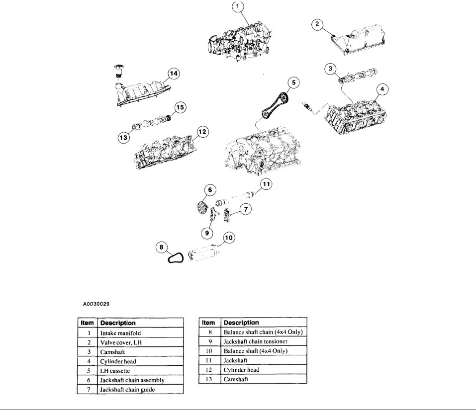
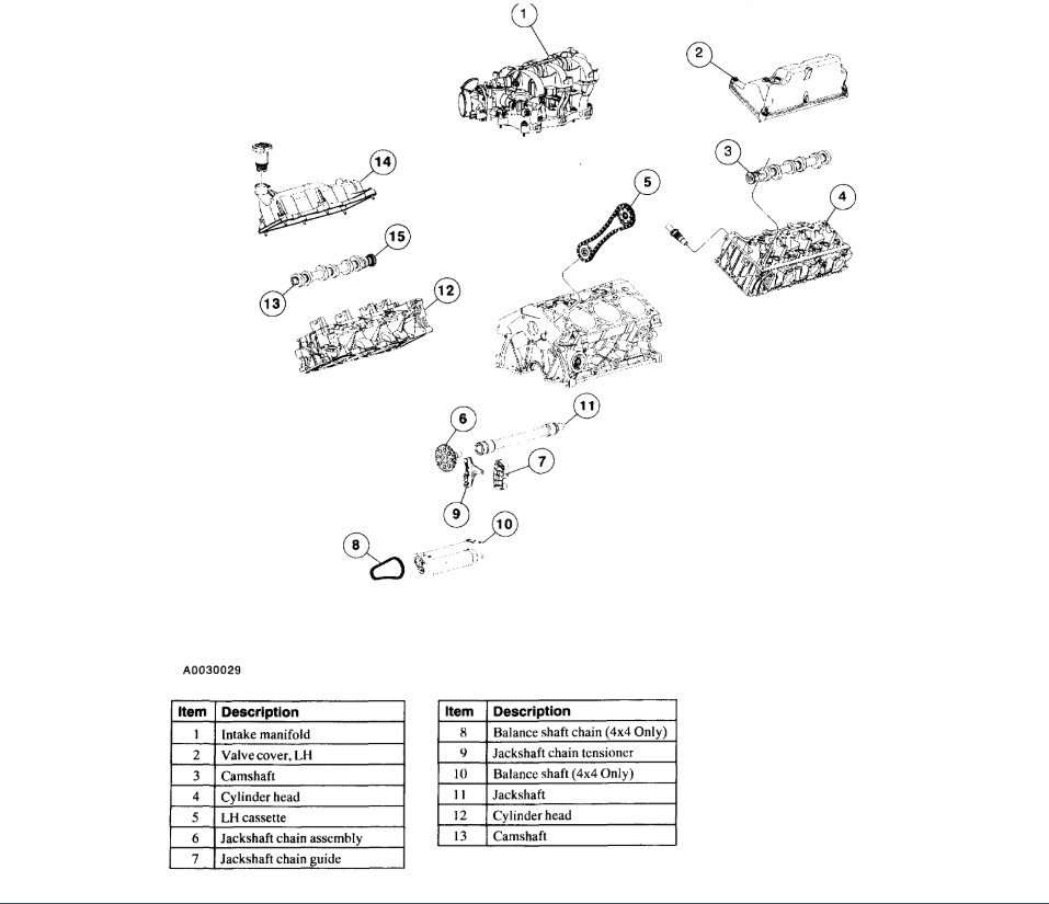
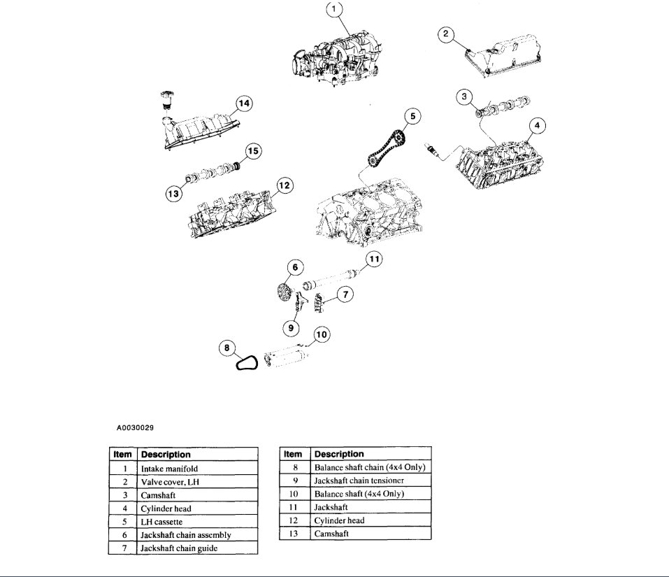
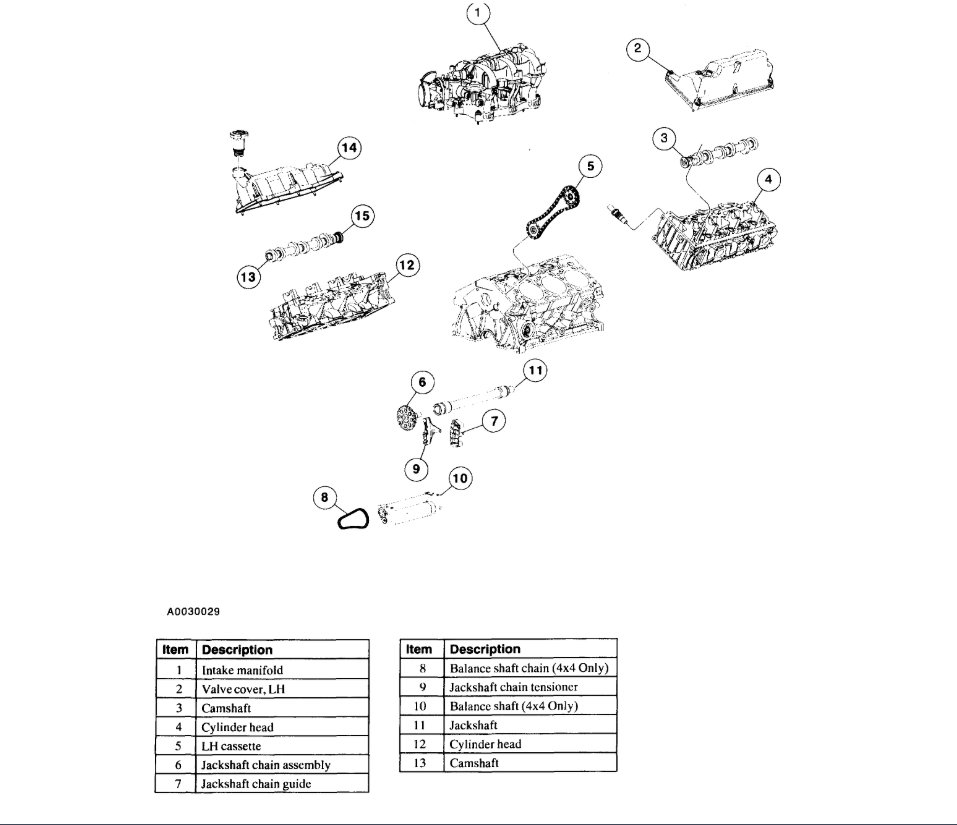
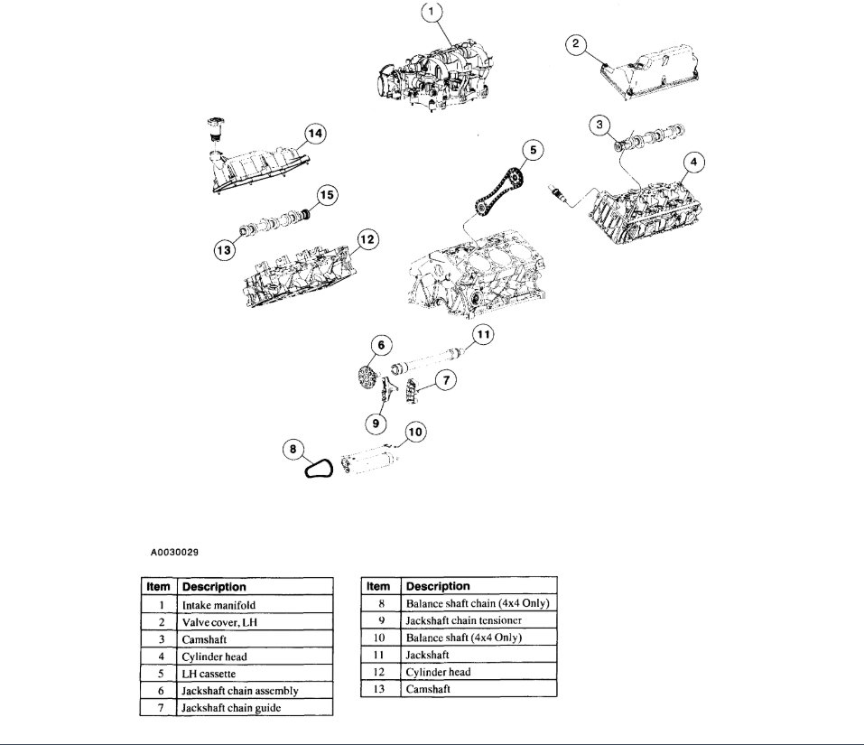
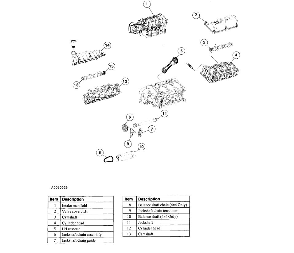
The sprocket should have pulled out with the balance shaft. If it does not, it may be seized in the bearing, which is not good.

In the one diagram, it shows the jack shaft for the VIN code E.

Do you have the thrust plate off for the jackshaft?

They make cookies for an electric or air drill for the head gasket leaning.

Roy
Was this
answer
helpful?
Yes
No
Sunday, July 5th, 2020 AT 6:34 AM
Tiny
RANGERSHANE
  • MEMBER
  • 46 POSTS
The plate is still on but still could remove it. There is also a little bit of back and forth play on the jack-shaft with that sprocket on but no side to side.
Was this
answer
helpful?
Yes
No
Sunday, July 5th, 2020 AT 6:56 AM
Tiny
ASEMASTER6371
  • MECHANIC
  • 52,796 POSTS
Back and forth is normal. It should be about.001.

Never side to side. That would be bad bearings. That clearance is.0015.

Roy
Was this
answer
helpful?
Yes
No
Sunday, July 5th, 2020 AT 6:58 AM
Tiny
RANGERSHANE
  • MEMBER
  • 46 POSTS
How should I remove this sprocket or will I have to order a new jack-shaft?
Was this
answer
helpful?
Yes
No
Sunday, July 5th, 2020 AT 7:00 AM
Tiny
ASEMASTER6371
  • MECHANIC
  • 52,796 POSTS
Remove the sprocket and remove the shaft.

Roy
Was this
answer
helpful?
Yes
No
Sunday, July 5th, 2020 AT 7:03 AM

Please login or register to post a reply.