What is the signal range on throttle position sensor?

Tiny
VSPINNET
  • MEMBER
  • 2003 MITSUBISHI OUTLANDER
  • 2.4L
  • 4 CYL
  • 2WD
  • AUTOMATIC
  • 130,000 MILES
I purchased a cheap throttle position sensor, and determined that the signal range with the key in the on position is 0.17V, and full open throttle is less than 3V. The sensor can be calibrated be turning it, but I had it turned as much as it would go to give the greatest voltage.

The 5v wire was tested to be 5V.

What should the signal voltage be with the key in the on position, and what should the voltage be at full open throttle on this vehicle?

Thank you.
Monday, May 15th, 2023 AT 8:42 PM

29 Replies

Tiny
AL514
  • MECHANIC
  • 5,584 POSTS
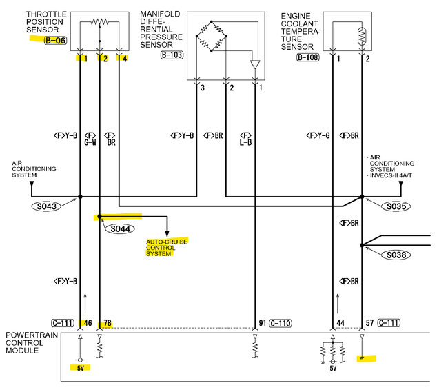
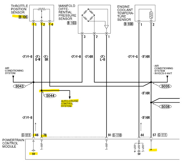
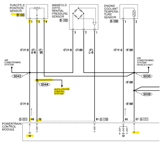
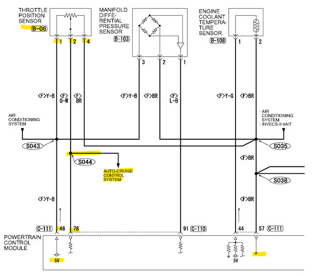
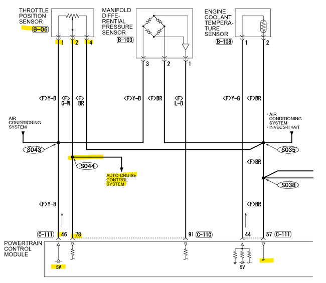
Hello, okay, service info on this is a bit iffy. According to the ECM connector voltage pinout, closed throttle should be 0.535-0.735 and wide-open throttle should be in the 4.5v range. I assume when you're checking the 5vRef you are using the sensor Ground or from battery ground?
The resistance check for the sensor is 3.5 to 6.5kOhms for pins 1 and 4. Pin 2 being the signal pin. And it looks to be a 4-pin connector, but I'm not sure if that's what you have.
And you're back probing the connector I assume, does the 5vRef stay at 5 volts connected to the sensor?
Were you getting any diagnostic trouble codes?
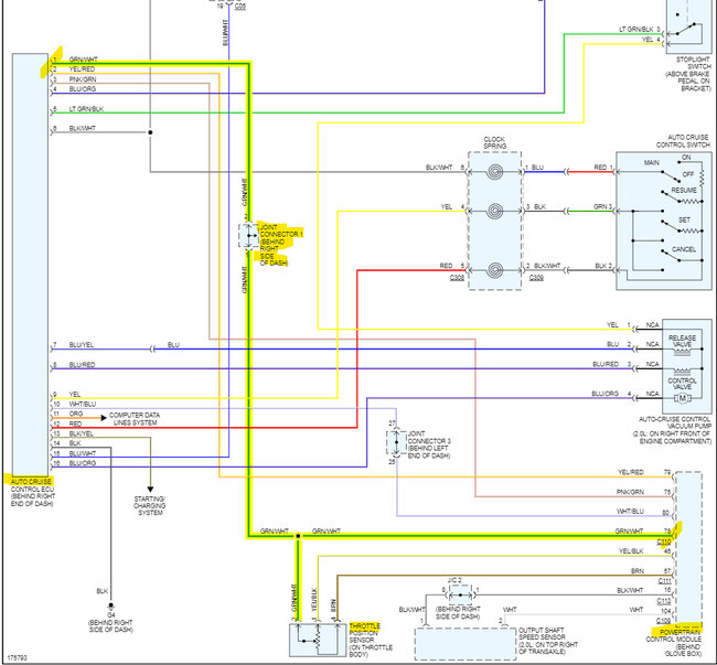
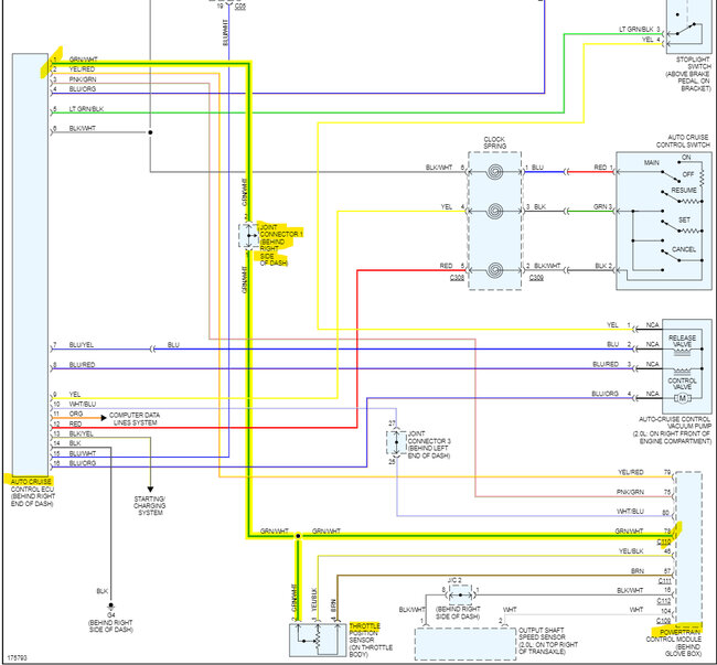
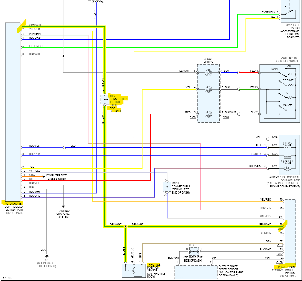
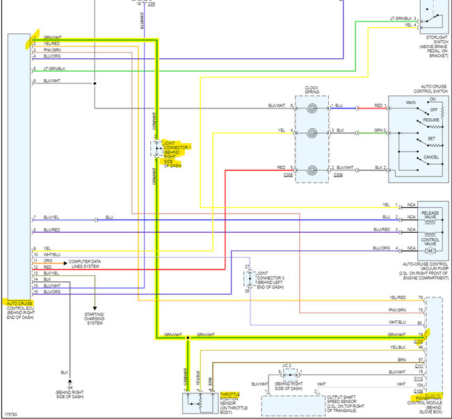
I'm just wondering if you have a bad sensor, or if something else is pulling the signal down, the pin 2 signal does go to the Cruise Control module as well.
There's also this joint connector (C16 blue) it runs through before getting to the cruise control module.
Was this
answer
helpful?
Yes
No
+1
Tuesday, May 16th, 2023 AT 11:15 AM
Tiny
VSPINNET
  • MEMBER
  • 19 POSTS
Thank you so much. That's a lot of great information.

"I assume when youre checking the 5vRef you are using the sensor Ground or from battery ground?"

Battery ground.

"And youre back probing the connector I assume, does the 5vRef stay at 5 volts connected to the sensor?"

Yes, I am. It stays at 5V, no matter the throttle.

"Were you getting any diagnostic trouble codes?"

Yes, I am. P0171: System Too Lean (Bank 1)

I'm thinking about rigging the TPS until the signal wire delivers 0.535-0.735v, then removing the trouble code, and finally starting the car without pressing the throttle, to see if the error code comes up during idle after a few engine starts.
Was this
answer
helpful?
Yes
No
Tuesday, May 16th, 2023 AT 5:18 PM
Tiny
AL514
  • MECHANIC
  • 5,584 POSTS
Did the resistance test come out to be higher that 6500 Ohms? If you've got low voltage on your signal wire, there has to be high resistance somewhere. It will most likely set a TPS low voltage code right away. 3 volts is too low. Id even go to a used parts yard and grab a used tps sensor, atleast it would be oem. But check that 5vRef using the Sensor ground and see if its a bad ground causing you issues. Unplug it and and just check across pins 1and 4. The sensor grounds through the ecm, so there could be an issue anywhere down the ground line. A bad ecm ground could even be causing the lean code, skewing sensor data.

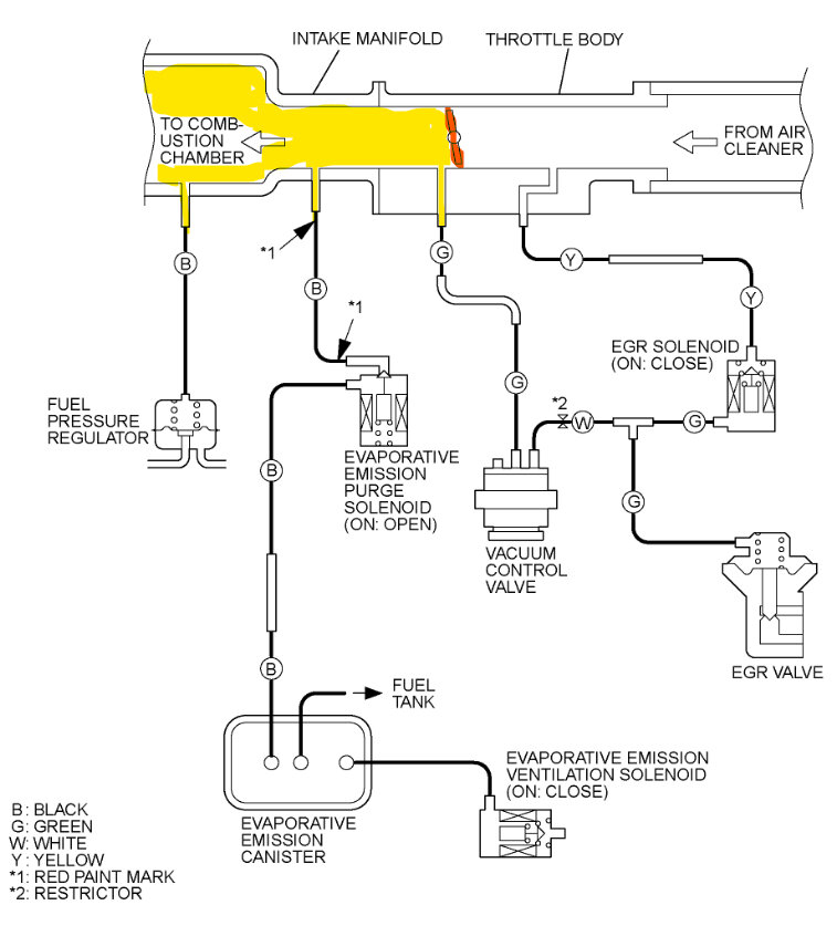
The Lean code is probably a vacuum leak, I see on the wiring diagrams there is a Volume Air flow sensor (mass air flow it looks like) and a Manifold pressure sensor, so as for manifold pressure and air intake, its pretty covered by having both of those sensors, most vehicles have one or the other. Assuming that works as a MAP sensor, its labelled a Manifold Differential pressure sensor, not a Manifold Absolute pressure sensor. But if you have one or both Oxygen sensors reading low voltage, ie 0.100-0.200volts, thats indicating a lean exhaust. Also Long Term and Short Term fuel trim numbers being positive at idle and then decreasing at 2500rpm points to a vacuum leak too.
Was this
answer
helpful?
Yes
No
+1
Tuesday, May 16th, 2023 AT 6:12 PM
Tiny
VSPINNET
  • MEMBER
  • 19 POSTS
"And its looks to be a 4 pin connector, but Im not sure if thats what you have."

It is a 4 pin connector, but pin position 3 has nothing.

"Did the resistance test come out to be higher that 6500 Ohms?"

Not even close. I have all 3 wires back probed. I did a resistance test on pins 1 (5vRef) and 4 (ground), and I got a 584 Ohms reading with the sensor connected, and 658 Ohms with the sensor removed. Does this mean I have a short?

"It will most likely set a TPS low voltage code right away."

I only have the P0171 code.

"The Lean code is probably a vacuum leak."

I have a gauge to check the vacuum pressure, but I haven't been able to test it since I've removed the TPS. It only takes two small screws to reinstall, but I hate putting it on after I've already dropped a screw, and I had to search for it for a few days in a difficult to get place on the car.

"I see on the wiring diagrams there is a Volume Air flow sensor (mass air flow it looks like) and a Manifold pressure sensor, so as for manifold pressure and air intake, its pretty covered by having both of those sensors, most vehicles have one or the other. Assuming that works as a MAP sensor, its labelled a Manifold Differential pressure sensor, not a Manifold Absolute pressure sensor."

I just replaced the MAF sensor after the car had crappy idle, and would stall just as you'd put it in gear. I believe I checked the "MAP" sensor, although, I think I only checked the voltage (and cleaned it). I plan on checking the Oxygen sensors as well, but I suspect I have to get under the vehicle to access it, to make sure they're working.

"But if you have one or both Oxygen sensors reading low voltage, ie 0.100-0.200volts, thats indicating a lean exhaust. Also Long Term and Short Term fuel trim numbers being positive at idle and then decreasing at 2500rpm points to a vacuum leak too."

I know my Long Term and Short Term fuel trim is over by 30%. I will test, and check these things.
Was this
answer
helpful?
Yes
No
Tuesday, May 16th, 2023 AT 11:49 PM
Tiny
AL514
  • MECHANIC
  • 5,584 POSTS
Okay, the resistance test on the TPS sensor unplugged should show its full resistance across pins 1 and 4 and should be 35 to 65 kOhms, if pins 1 and 4 only have 650 Ohms unplugged, that sensor is junk. But you have to unplug the sensor to do a resistance test,
With the fuel trims at positive 30 percent, raise the rpm to 2500 and see if the fuel trims come down to around 5 percent. That will indicate a vacuum leak. A gauge won't help you find a leak. Using a smoke machine on the intake is the best way. It can show you leaks besides the one that's setting the p0171. If the fuel trim numbers dent come down at 2500rpm then you know it's something else, possibly sensor related. Raising the rpm raises intake manifold pressure (opposite of vacuum) and is a quick way to tell if it's an actual leaking gasket, or a skewed sensor causing the ECM to increase the fuel due to incorrect data. Such as a stuck low voltage Oxygen sensor. This guide below on vacuum leaks shows using carb cleaner to find a vacuum leak, you just have to be super careful with this technique. Don't spray around ignition coils, or spark plug wires, if any of them are arcing, even slightly and you wouldn't see that, there can be a fire. Hence the reason I prefer the smoke machine, but if you don't have access to one I understand. They are expensive, that's why I built my own. But they are very effective, especially on Evap system leaks,
But let me know what the fuel trims do at higher RPMs..
What scan tool are using?

https://www.2carpros.com/articles/how-to-use-an-engine-vacuum-gauge
Was this
answer
helpful?
Yes
No
+1
Wednesday, May 17th, 2023 AT 2:38 PM
Tiny
VSPINNET
  • MEMBER
  • 19 POSTS
"What scan tool are using?"

ANCEL AD310 Classic Enhanced Universal OBD II Scanner Car Engine Fault Code Reader

"Ok the resistance test on the TPS sensor unplugged should show its full resistance across pins 1 and 4 and should be 35 to 65 kOhms, if pins 1 and 4 only have 650 Ohms unplugged, that sensor is junk. But you have to unplug the sensor to do a resistance test"

I was doing it wrong. I was checking the wire connector (no power), checking for a short in the wiring. I checked pins 1 and 4 on the disconnected TPS, and I only got 5.7 kOhms.

"With the fuel trims at positive 30 percent, raise the rpm to 2500 and see if the fuel trims come down to around 5 percent. That will indicate a vacuum leak."

I will do that.

"A gauge wont help you find a leak. Using a smoke machine on the intake is the best way. It can show you leaks besides the one thats setting the p0171."

I will see if I can get one. Despite not showing me where the leak is, will the gauge at least tell me there is, or is not a leak?

"If the fuel trim numbers dont come down at 2500rpm then you know its something else, possibly sensor related. Raising the rpm raises intake manifold pressure (opposite of vacuum) and is a quick way to tell if its an actual leaking gasket, or a skewed sensor causing the ecm to increase the fuel due to incorrect data. Such as a stuck low voltage Oxygen sensor. This guide below on vacuum leaks shows using carb cleaner to find a vacuum leak, you just have to be super careful with this technique. Dont spray around ignition coils, or spark plug wires, if any of them are arcing, even slightly and you wouldnt see that, there can be a fire. Hence the reason I prefer the smoke machine, but if you dont have access to one I understand. They are expensive, thats why I built my own. But they are very effective, especially on Evap system leaks,
But let me know what the fuel trims do at higher RPMs."

Thanks so much for all this information, and all your help. I will check as soon as I know my TPS is functioning properly. Is it a bad idea to test these things with a bad TPS?
Was this
answer
helpful?
Yes
No
Wednesday, May 17th, 2023 AT 6:54 PM
Tiny
AL514
  • MECHANIC
  • 5,584 POSTS
Yes, that resistance reading is low, 35 kOhms is the lowest it should be. It will just set a code for it, I don't know if it will go into any kind of low power (Limp) mode. The vacuum gauge is not really going to do much in this case. Just watch the fuel trim numbers, you'll know in a couple of minutes if the trim numbers start to drop down. If they stay at 30 percent, then we would start going over the sensor data to see why it's adding so much fuel. But it's probably an intake manifold gasket or a broken hose, stuck open purge valve, etc.
Was this
answer
helpful?
Yes
No
+1
Wednesday, May 17th, 2023 AT 7:49 PM
Tiny
VSPINNET
  • MEMBER
  • 19 POSTS
I connected the TPS to test Long Term and Short Term fuel trim at 2500 RPM. I first checked the troubleshooting codes and found P0122 Throttle Pedal/Position Sensor Ciruit Low, but the P0171 code was not there for some reason. I suspect my ODB2 reader is crap.

At idle, my Short Term fuel trim was 8%, and at 2500 RPMs it would keep alternating from 20% to -5%.
At idle, my Long Term fuel trim was 7%, and at 2500 RPMs it would drop to 0%.

I then noticed something while my RPMs are up (and car is warmed up). For example, if my RPMs are at 2500, every 2 to 3 seconds the RPM instantly drop 200+ RPMs, then goes right back up. As this was happening, I noticed that my Short Term fuel trim would alternate from 20% to -5%, in sync with the uncontrolled dropping and raising of RPMs. Could the TPS not working, or calibrated correctly cause this?

My oxygen sensors read/fluctuate (depending on RPMs) from 0.000V to 0.8V.
Was this
answer
helpful?
Yes
No
Thursday, May 18th, 2023 AT 4:29 PM
Tiny
AL514
  • MECHANIC
  • 5,584 POSTS
The short-term fuel trim is not a learned value like the long term is, short term is correction the ECM is constantly doing for any fault conditions. And yeah, having a correct working TPS is very important, the ECM needs to know where the throttle plates are to calculate its fuel strategy. Also, when replacing sensors, the ECM needs some time to learn its correct idle speed. So, get the TPS straightened out first and then clear all the codes and see how things run.
Was this
answer
helpful?
Yes
No
+1
Thursday, May 18th, 2023 AT 7:00 PM
Tiny
VSPINNET
  • MEMBER
  • 19 POSTS
Thank you. My TPS will be here May 22. I'll let you know how the test goes when it arrives.
Was this
answer
helpful?
Yes
No
Thursday, May 18th, 2023 AT 7:04 PM
Tiny
VSPINNET
  • MEMBER
  • 19 POSTS
I got another TPS, and it too was crap. The resistance checks for both sensors are within the 3.5 to 6.5kOhms range. I checked the signal voltage on the car, and I could not calibrate it any higher than 0.2V at idle, and the wide-open throttle voltage maxed out at only 3V. I then removed the TPS, and tested it outside the vehicle, avoiding any issues in the wiring/connectors, and got the same results. Now, I have to wait for them to send another. I'll get back to you when it's resolved.
Was this
answer
helpful?
Yes
No
Saturday, May 20th, 2023 AT 5:53 PM
Tiny
AL514
  • MECHANIC
  • 5,584 POSTS
What brand sensors are you getting? So, on the bench with 5volts and ground to the sensor you're still only getting a max of 3 volts at WOT? Are you using a basic multimeter for this testing? And is it possible there is a low battery in the meter? Just trying to think of other possibilities for your results.
Was this
answer
helpful?
Yes
No
+1
Saturday, May 20th, 2023 AT 7:04 PM
Tiny
VSPINNET
  • MEMBER
  • 19 POSTS
I'm using a Astroai Digital Multimeter TRMS 4000 which I just got. I'll try fresh batteries in the multimeter. If I get different readings, I'll let you know.

The TPS is only giving me 3V at WOT on the bench (on the vehicle as well). I should say, it tops out at 3V, and then the voltage begins a drop to zero as it's turned all the way. The brand is ISUMO: https://www.ebay.com/itm/181436237824

Was this
answer
helpful?
Yes
No
Sunday, May 21st, 2023 AT 2:21 AM
Tiny
AL514
  • MECHANIC
  • 5,584 POSTS
Yeah, that is definitely a cheap sensor, I think you're going to find any of those type of knock off aftermarket sensors are going to do the same thing, and if you do get one that works it will not last long, here is the manufacturer OEM part number for the TPS (diagram below). The OEM part is actually very expensive, $256. But try rockauto com, they have decent parts that will last. They have one for $99.00 that replaces the exact OEM part number (2nd diagram). Here is the link so you can check it out. I'm wondering with the cheap sensor are you getting that same voltage reading on your scan tool data? With the Key On engine off, you should be able to press the pedal wot, and get the same voltage reading you're seeing on your multimeter, which will at least verify it's a sensor issue. And that the ECM is seeing the same voltage. Check that just to be sure, I know it's going to set a low voltage code but clear the code and try that live data PID before the code sets again.
Looks like a decent meter, just turn off the auto range setting when bench testing the sensor, if it's on, see if anything changes then. Probably it won't make a difference, that's cool, they give you a temperature sensor with it.

https://www.rockauto.com/en/moreinfo.php?pk=2001386&cc=1434226&pt=5136&jsn=359
Was this
answer
helpful?
Yes
No
+1
Sunday, May 21st, 2023 AT 12:29 PM
Tiny
VSPINNET
  • MEMBER
  • 19 POSTS
I installed the TPS on the car, and then checked the live data with the engine off, and the TP read 0% with no throttle, and up to 100% with full throttle. I'm not getting the TPS low voltage code anymore, so I'm guessing either my voltage readings are wrong, or the ECM made it work anyway. However, at idle, the TP percentage reads between 0-0.4% which seems very low. I read that at idle, most cars should be between 5-20%.

At some point after the car has been warmed up, throttling up still has that problem of dropping RPMs, and then raising back up, but I noticed that the TP percentage wasn't also dropping, and raising, so I suspect that issue is unrelated to the TPS?

I've been getting inconsistent results @ 2500 RPMs, when car is warmed up.

One time:
During idle, the Short-Term fuel trim is 8% and the Long-Term fuel trim is 12.5%.
At 2500 RPMs, the Short-Term fuel trim is 0% and the Long-Term fuel trim is 0%.

Another time:
During idle, the Short-Term fuel trim is 0% and the Long-Term fuel trim is 12.5%.
At 2500 RPMs, the Short-Term fuel trim is 12.5% and the Long-Term fuel trim is 0%.

When the uncontrolled RPM lowering and raising issue kicks in:
During idle, the Short-Term fuel trim is 0-24% and the Long-Term fuel trim is 12.5%.
At 2500 RPMs, the Short-Term fuel trim is -5% or 24% (depending on uncontrolled RPMs raising or lowering) and the Long-Term fuel trim is 12.5%.

I think I'm going to get one of those smoke machines because most of the time the fuel trims drop to zero with the higher RPMs, RPM issue aside.
Was this
answer
helpful?
Yes
No
Sunday, May 21st, 2023 AT 9:44 PM
Tiny
AL514
  • MECHANIC
  • 5,584 POSTS
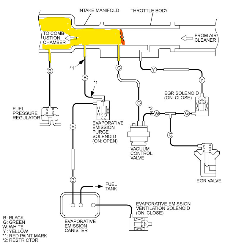
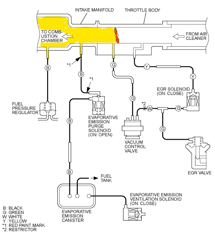
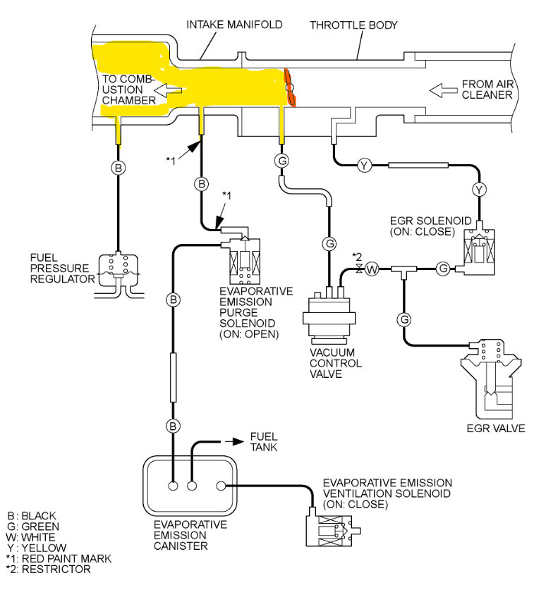
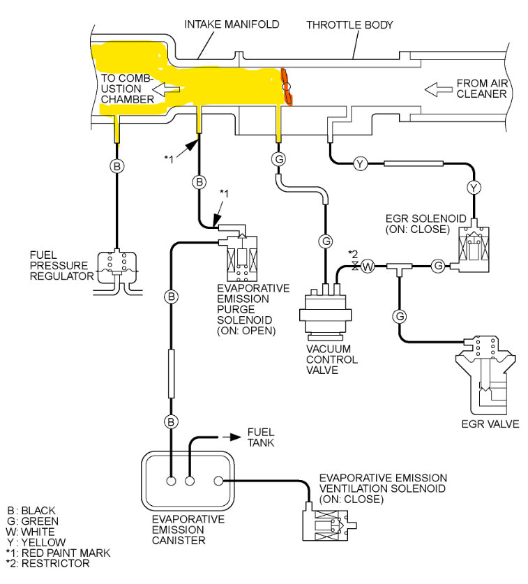
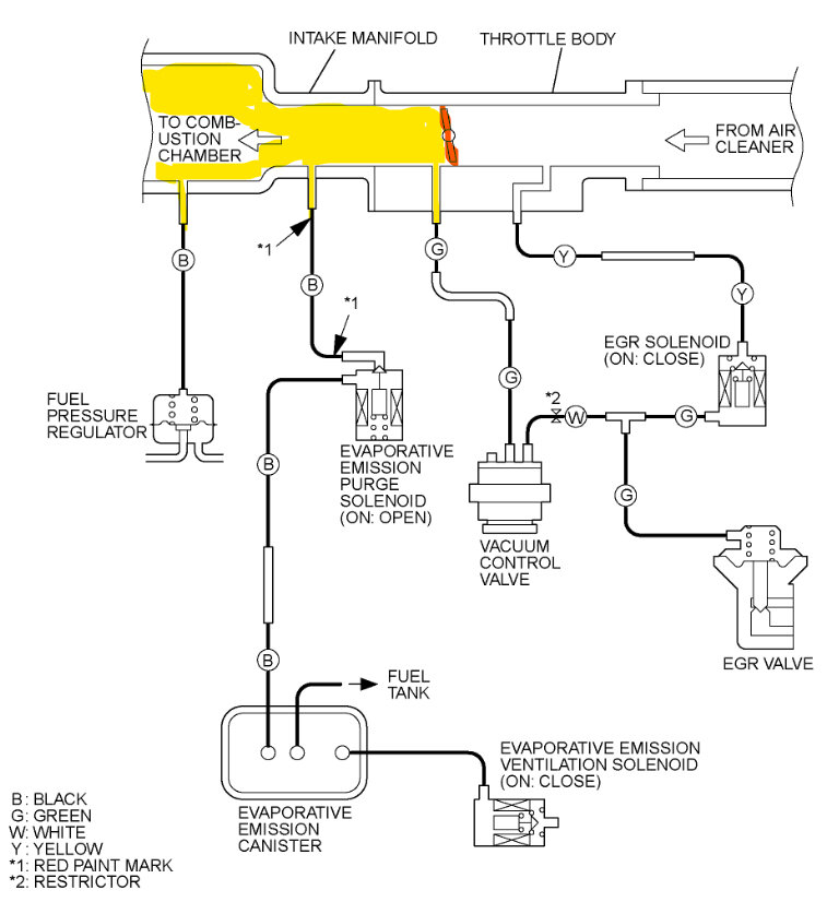
Okay, a couple things come to mind with odd readings like that, it might not be a ripped gasket type of vacuum leak, since those readings are opposite of each other at times, I'm wondering if the EGR solenoid or Evap Purge solenoid are part of the issue here. The EGR valve will be turned on when accelerating at the point where the cylinder temperatures are going to be at their hottest. The EGR allows a small amount of exhaust gases to be directed back into the intake manifold, this helps to prevent the cylinders from reaching these higher temperatures where the NOX gases are produced, it's an emissions related component. It is possible the EGR valve or control solenoid are leaking. Also, the Evap purge valve is another component that will turn on to pull fuel vapors from the gas tank into the intake manifold so they can be burned, this also helps in reducing emissions.
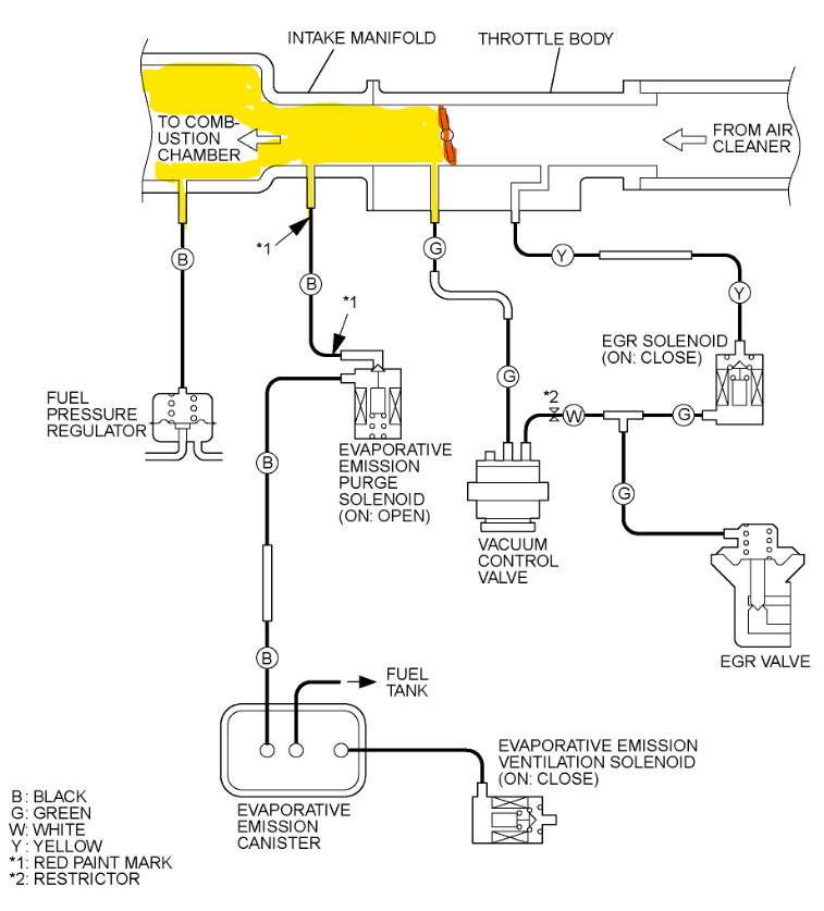
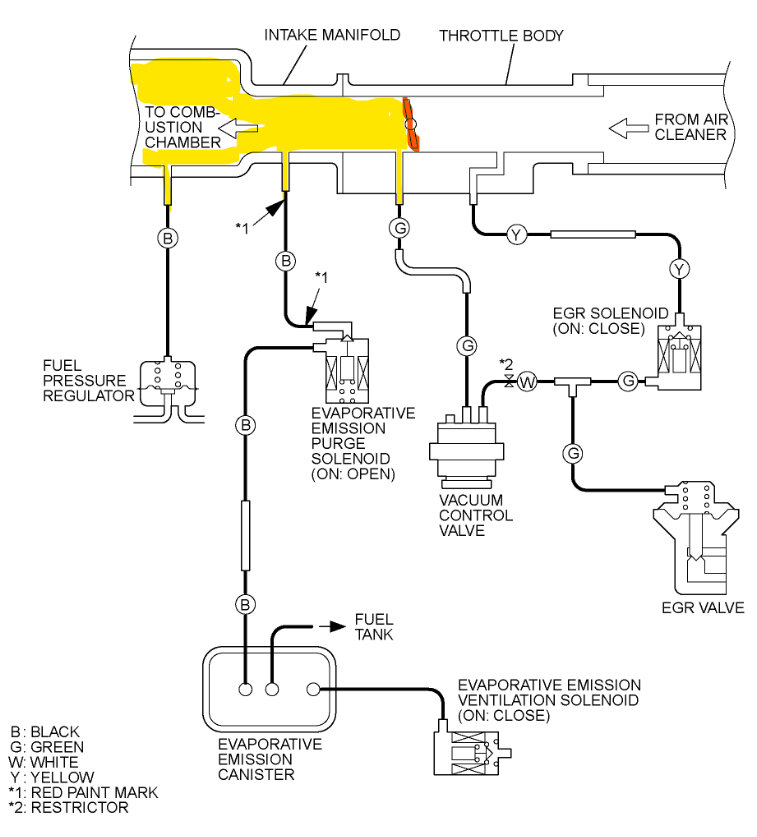
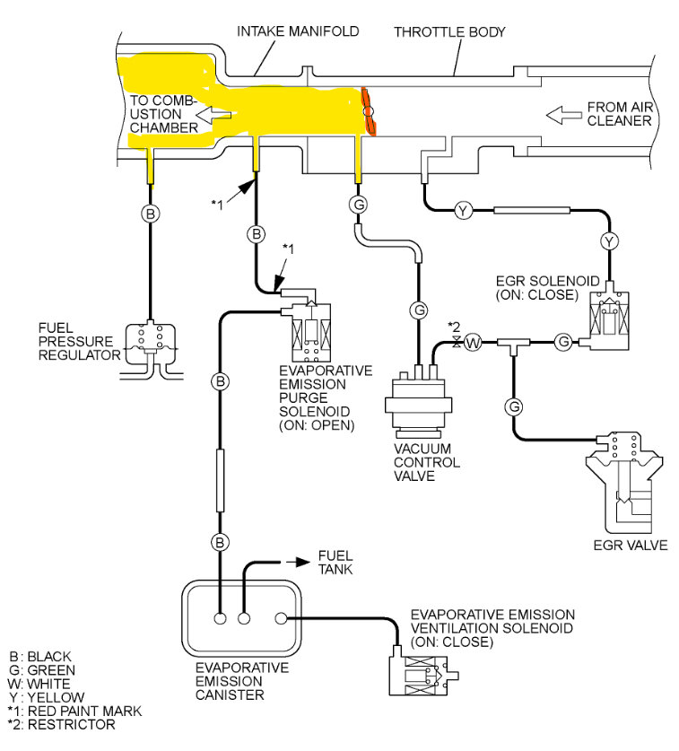
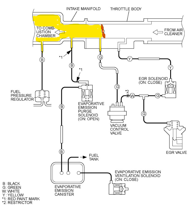
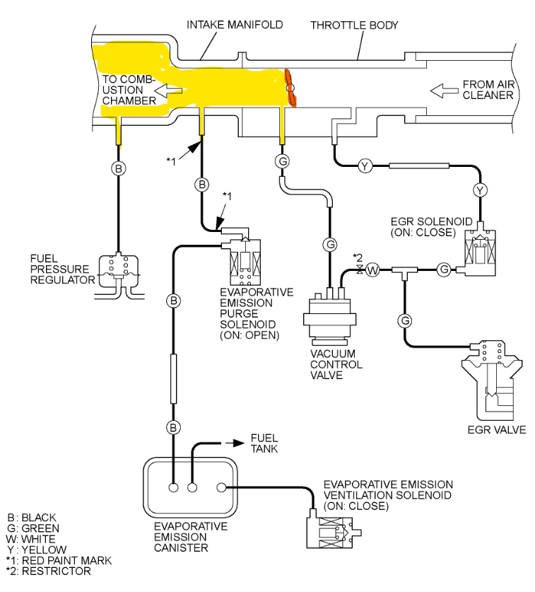
Try blocking off the EGR solenoid(yellow) and vacuum hoses going to it and also the ones going to the EGR valve which that solenoid controls. Do this one at a time and see if the Fuel trims stabilize at all. Then do the same to the Purge solenoid and its vacuum lines. From what I remember of this engine, I tried to mark out the other vacuum lines in light Blue, the darker Blue looks like part of the PCV hoses and in Orange is the MAP sensor, that takes a reading directly from the Intake manifold, that's why its bolted right to it, but it does have a rubber O-ring or gasket as well.,
For the vacuum lines, try to block them off at the point where they run into the intake manifold. When you find one that makes a change on your fuel trims, follow that hose and see what it controls. Manifold vacuum is at its highest point at idle when the throttle plates are closed. Some of the older systems use a ported vacuum to operate the EGR valve, ported vacuum is going to be right before the throttle plates, so when the throttle plates start to open, vacuum will be applied to that vacuum hose. You may not find this type of system on an 03', hence the solenoids for control. If the vacuum lines are not too brittle, you can just pinch them off with a pair of pliers or vice grips. Just try not to crush or damage the hoses. See what you get with these tests,
I'm not sure if you tried spraying water around the intake manifold gasket area yet, I may have missed that in your posts, but if the intake gasket is bad enough, you'll hear it will a spray bottle and water. I will see if I can find a vacuum hose diagram for your vehicle as well. Here is a diagram (diagram 2) of the vacuum hoses related to emissions components.
The 3rd diagram shows the area where manifold vacuum will be at its highest at idle, notice the throttle plates are closed

This might help too, smoke machines can be very expensive, some are almost $1,000.00, this video shows how to make one of your own, the trick here is you need to buy resistance wire, you can't use regular wire. This one also doesn't include a pressure gauge, but you can add a small tube and use your vacuum gauge if you have the type that reads vacuum as well as up to 10 PSI, I know harbor freight sells some vacuum/low pressure fuel gauge sets. I built one of these to see how well they work, and it was really good, you just can't over pressurize whatever system you're smoke testing. Just a few psi is usually enough to find any vacuum leaks on intake manifolds. The Evap system going to the gas tank cannot take more than 1-2 PSI, so you have to be very careful and monitor how much pressure you put into that system, so have a gauge on it is important. But this smoke machine you can build for really cheap. Just follow his instructions carefully, you'll need your multimeter to measure the 2.5 Ohms of resistance wire that goes inside, but if you don't have enough money to buy a real smoke machine this works good.

https://www.youtube.com/watch?v=tixozqgSwN0
Was this
answer
helpful?
Yes
No
+1
Monday, May 22nd, 2023 AT 9:28 AM
Tiny
VSPINNET
  • MEMBER
  • 19 POSTS
While performing your tests, the fuel trims did not stabilize.

When I was performing those tests, clamping the hoses, I noticed a hissing sound. It sounded as though it was coming from the exhaust manifold. I let the engine cool down, and then pumped air up the tail pipe with a shop vac. I sprayed soapy water on the manifold, and found no leaks, and then I sprayed the flange, and it began bubbling pretty good. I think I read somewhere that a leak in the exhaust manifold could skew the oxygen sensors. Do you think this may be the problem?

A long time ago, I had to remove an exhaust manifold, and if I recall correctly, it was difficult unbolting it. I think I even broke a bolt. Should I spray the bolts with something?

I really appreciate all the time and effort you given me, and I'm learning a lot along the way. Thank you so much.
Was this
answer
helpful?
Yes
No
Monday, May 22nd, 2023 AT 8:08 PM
Tiny
VSPINNET
  • MEMBER
  • 19 POSTS
I got underneath the car, and it looks like I'm going to need a dual exhaust pipe flange gasket. The nuts and flanges look like they're in great condition, so I suspect I won't have much of an issue. In the morning, I'm going to try to tighten the nuts first, and see if it stops the leak.
Was this
answer
helpful?
Yes
No
Tuesday, May 23rd, 2023 AT 1:48 AM
Tiny
AL514
  • MECHANIC
  • 5,584 POSTS
Yes absolutely, if there is a place where air is entering the exhaust the Oxygen sensor is going to read that as a lean condition, the ECM will enrich the mixture, but then either the other oxygen sensor will read incorrectly or other sensors will, and the ECM will just go back and forth not knowing what the correct mixture should be. Thats why your short-term fuel trim was dancing all over the place.
If you need to replace any gaskets, I will spray the bolts, or nuts with penetrating oil and let it sit overnight if I have the time, spray it again before doing the job. That helps a lot. Getting it hot sometimes will help, you just have to be extra careful not to get burned. Wear thick gloves. But it sounds like you're on track there. Your spark plugs might be carboned up somewhat because of the rich mixture, so you might want to take a look at them as well. Good idea with the shop vac, I've never pumped air up the tail pipe before. Thats thinking outside the box for sure. Exhaust leaks like that can be tricky. Nice work though.
Was this
answer
helpful?
Yes
No
+1
Tuesday, May 23rd, 2023 AT 1:49 PM
Tiny
VSPINNET
  • MEMBER
  • 19 POSTS
Wonderful. I hope that's it. I tried tightening to see if it would stop leaking, and it didn't work, so I just removed the gasket which came off with ease, especially after spraying it with penetrating oil. The auto parts store will have a gasket for me tomorrow. I'll let you know how it goes.

I will definitely check the spark plugs for carbon.
Was this
answer
helpful?
Yes
No
Tuesday, May 23rd, 2023 AT 7:50 PM

Please login or register to post a reply.