Saturday, July 18th, 2020 AT 10:01 PM
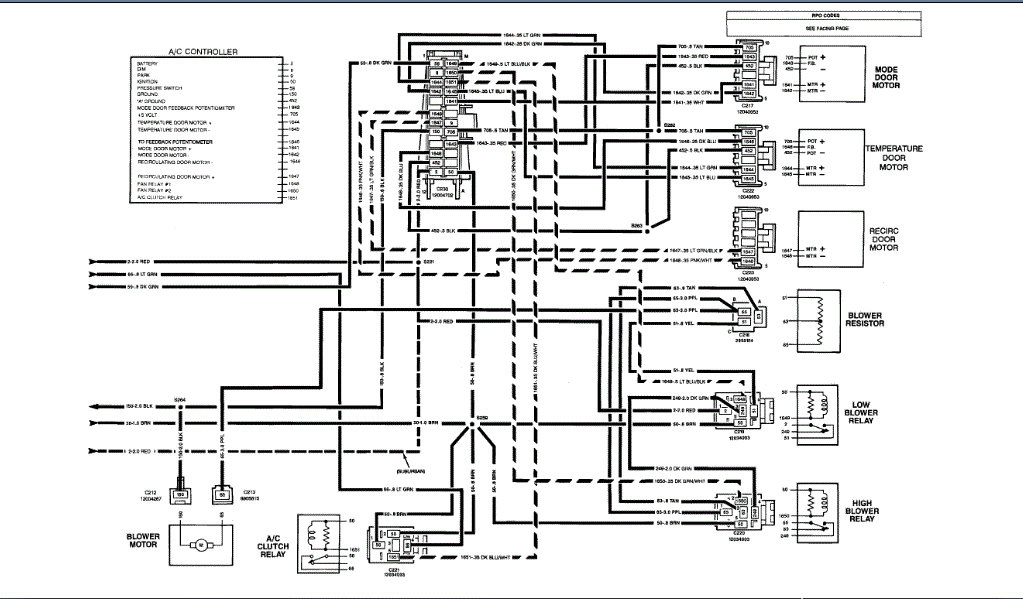
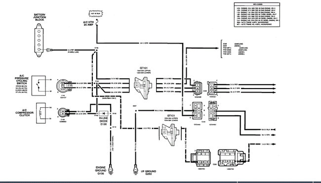
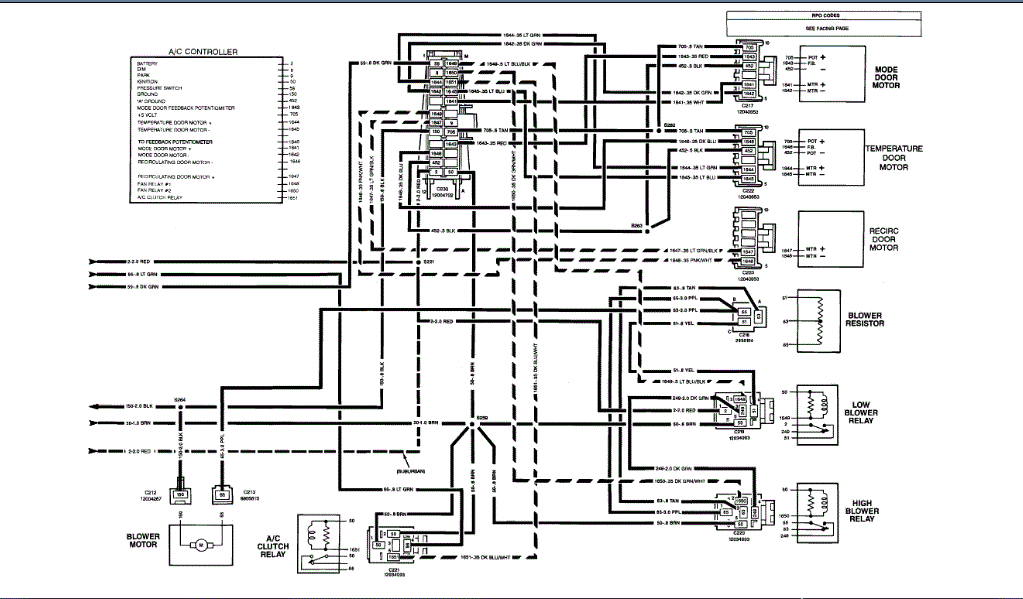
Truck listed above is a Cheyenne. With key off I can hit a button on the heater and fan comes on. Something is draining the battery so someone put a disconnect at the battery. When you throw the switch the blower fan comes on. You can pull the fuse by drivers left knee and the fan speed gets higher. I have looked under the dash and no bad wires that I can see. I jumpered the A/C compressor and it wont come on.







