Code P1509, what exactly are the three wires from the IAC valve supposed to read voltage wise?

Tiny
JAMESP9557
  • MEMBER
  • 1998 HONDA CIVIC
  • 1.6L
  • 4 CYL
  • 2WD
  • AUTOMATIC
  • 264,000 MILES
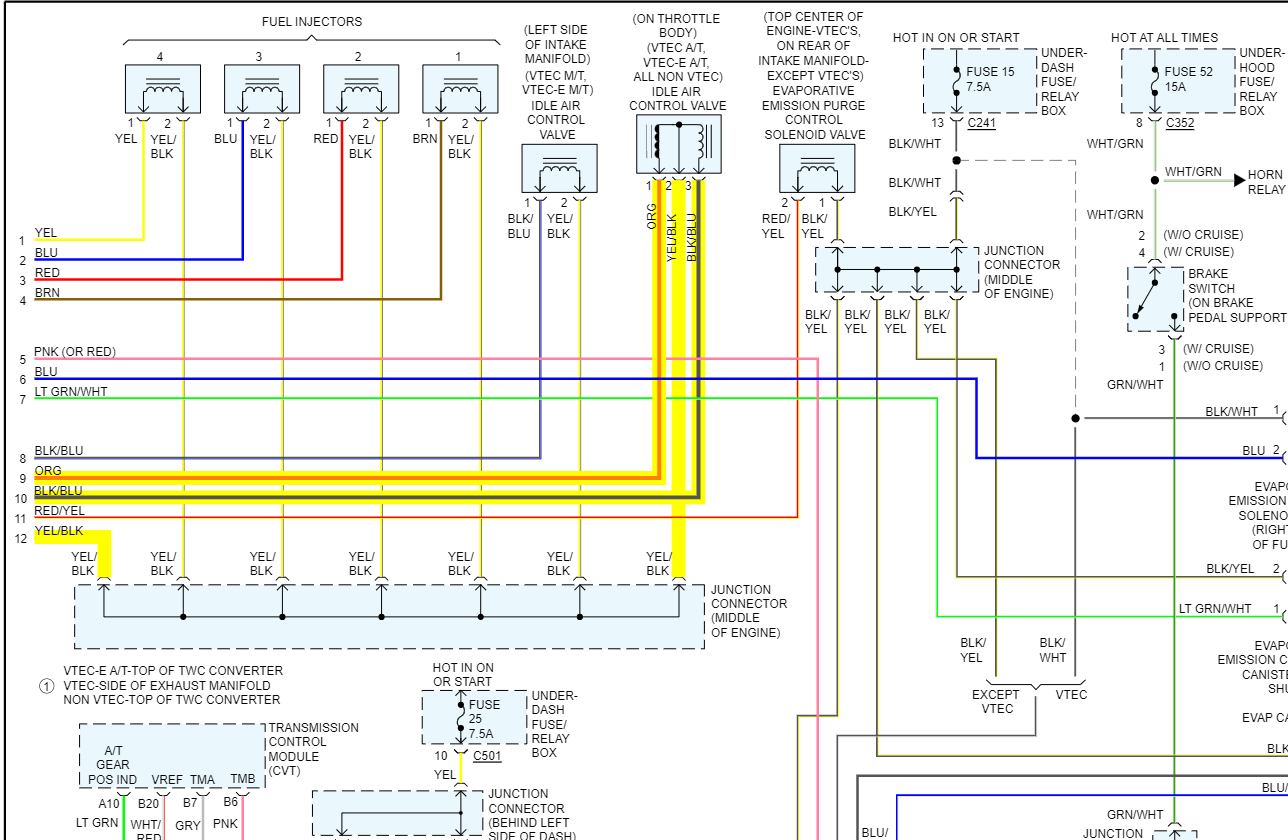
I cannot get rid of a p1509 CEL code. Surges at about 16-1700 RPMs. Other than that, it is fine. Code is defined as an "open or short in the IAC valve connection. I know the middle (yellow/black) is 'hot ' wire. But what are the 2 outer wires supposed to read at any given time? I tested each for continuity and each is good. The mid wire has battery voltage. But so does the orange wire, and the blue/black wire has nothing so far.

Testing so far done with engine off but key in ON position.

I need to pass smog ASAP.
Thanks for your help.
Saturday, July 22nd, 2023 AT 1:08 PM

1 Reply

Tiny
AL514
  • MECHANIC
  • 5,595 POSTS
Hello, yes, the middle Yellow/Black wire is the 12v feed. The other 2 wires are the PCM control wires, to close or open the valve more or less. I'll post the wiring diagrams for you and code criteria.
The first quick test you can do is to measure the resistance between IAC pins 1 and 2, and then 2 and 3, it should read 16 to 18 Ohms for each coil inside the IAC. If not replace the IAC,
There is also a flow chart for the code, to verify wire integrity to the PCM. Just remember to have the key Off before disconnecting any PCM connectors. I think what you're going to find is an open in one of the coils inside the IAC, because at key on engine off, the PCM shouldn't be commanding the IAC to any particular position. The PCM would need to ground either side of the outside pins to move the valve open or closed.

The valve is pulse width modulated by the PCM, so hopefully one of the internal IAC coils did not short out. You should follow the flow chart, but I would do the resistance check first, each side of the IAC is controlled by a transistor inside the PCM and when components short out sometimes the excessive current flow can burn out the PCM driver. Service info doesn't state if the IAC control is intentionally shutdown if a fault occurs. But I will post any other additional service info that is relevant.
Since these valves have coolant running through them, verify the hoses aren't clogged as well when replacing the valve.

One other thing, when testing you had 12v on the orange wire as well, was this back probing the IAC connector while plugged in, or was this unplugged key on?

https://www.2carpros.com/articles/idle-air-control-valve-service

https://www.2carpros.com/articles/how-to-replace-an-idle-speed-control-motor-iac
Was this
answer
helpful?
Yes
No
+1
Saturday, July 22nd, 2023 AT 6:22 PM

Please login or register to post a reply.