Interior lights for my gear shift and climate control do not work

2006 MITSUBISHI GALANT
207,000 MILES • 2.4L • 4 CYL • 2WD • AUTOMATIC
Avatar
MK7CASEY
  • MEMBER
  • 17 POSTS
My interior lights for my gear shift and climate control don’t seem to be working, only the lights behind the cluster seem to work, all other lights work, however.
Feb 9, 2022 at 9:04 PM
Advertisement
Avatar
KASEKENNY
  • CAR REPAIR CONTRIBUTOR
  • 18,907 POSTS
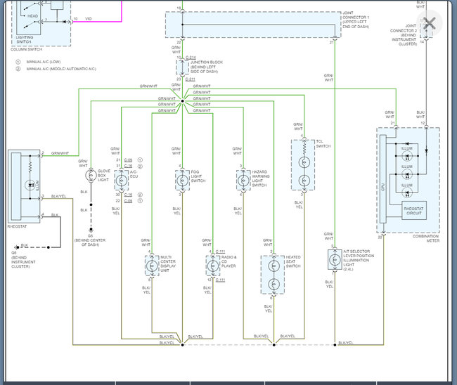
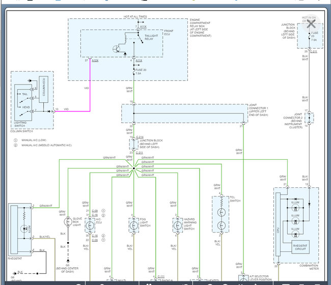
We need to start with checking power and ground at one of these bulbs. Basically, we need to find out if there is power and if so, we have a ground issue. If there is no power, then we have a wiring or power source issue.

Here is a guide that will help with this:

https://www.2carpros.com/articles/how-to-check-wiring

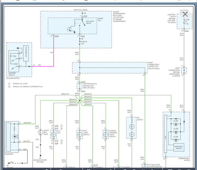
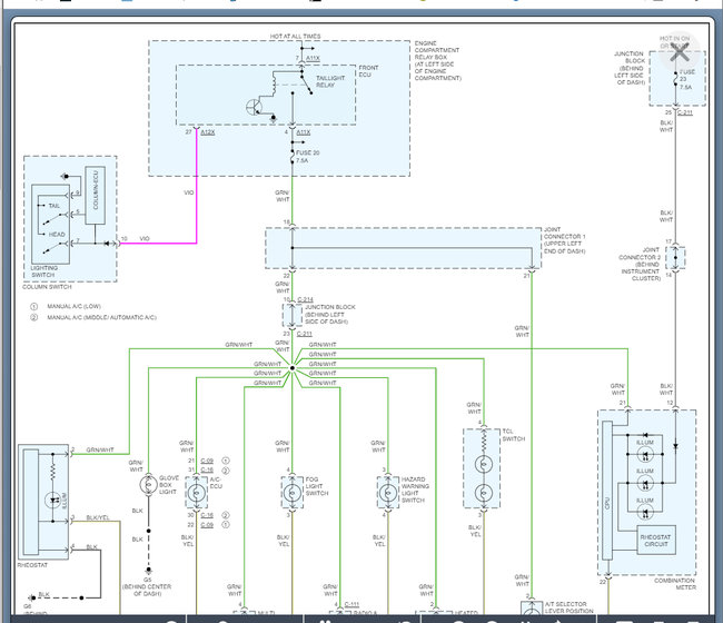
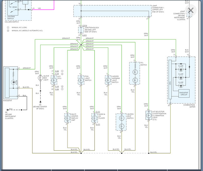
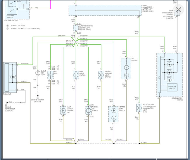
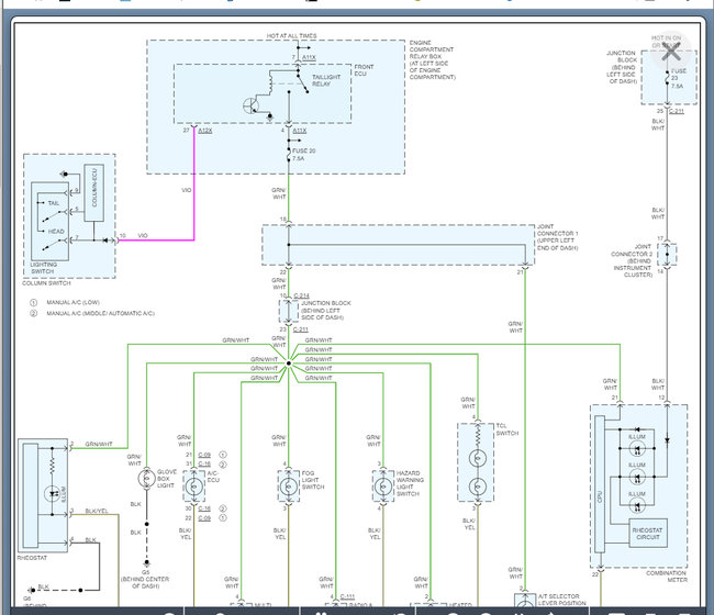
I am attaching the wiring diagram below and it appears all these lights are on the same circuit which means I would suggest we start with the fuse and relay.

https://www.2carpros.com/articles/how-to-check-a-car-fuse

Please run through this info and let me know what questions you have and what power you find at the lamps and then the fuse.

Thanks
Feb 11, 2022 at 8:56 AM
Advertisement
Repair Safety Notice: This information is for general instructional purposes only. Vehicle repair can be dangerous. Verify all information, follow manufacturer service procedures, use proper tools and safety equipment, and consult a qualified repair shop when needed.