HOME
ASK A QUESTION
REPAIR GUIDES
BECOME A MEMBER
LOG IN
Login with Facebook
OR
Remember me
NOT A MEMBER?
FORGOT PASSWORD?
CONTACT US
PRIVACY POLICY
TERMS AND CONDITIONS
☰
Home
Ford
F-250
Body
Window
Not Working
Passenger side electric window not working properly
JAMES74501
MEMBER
2000 FORD F-250
0.8L
V10
2WD
179,000 MILES
Window motor on passenger side will go up but not down. I replaced motor and switch.
Sunday, August 9th, 2020 AT 3:50 AM
3 Replies
ASEMASTER6371
MECHANIC
52,796 POSTS
Good morning,
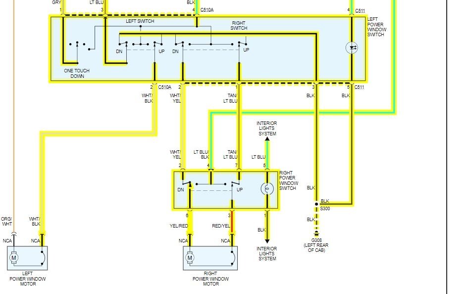
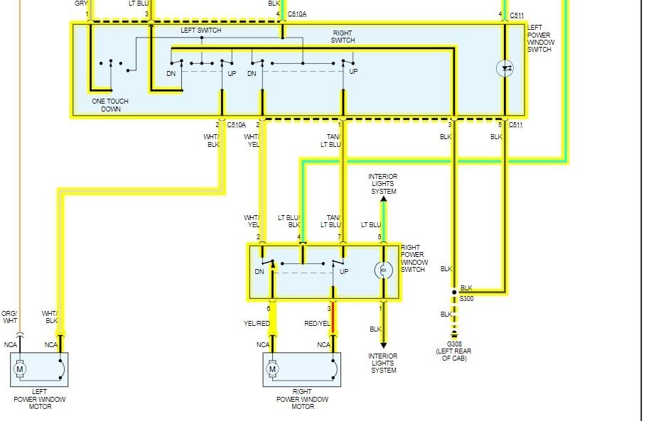
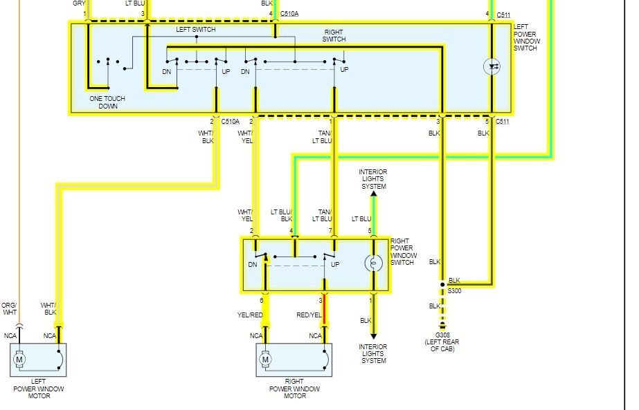
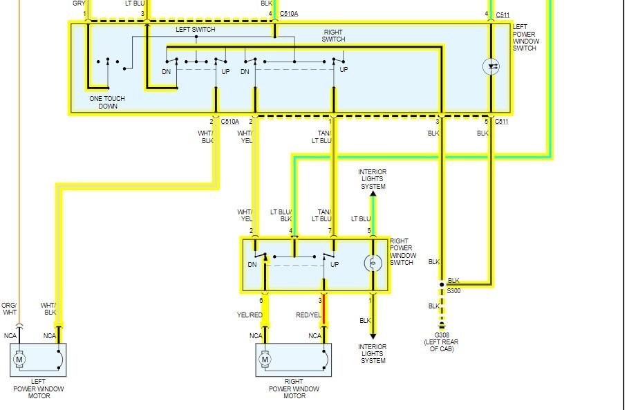
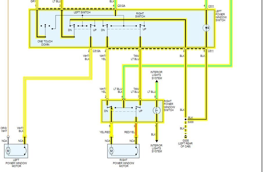
I attached a wiring diagram for you to view. Do you have a test light or voltmeter to do some testing?
https://www.2carpros.com/articles/replace-blend-door-motor
Roy
Image (Click to make bigger)
Was this
answer
helpful?
Yes
No
+1
Sunday, August 9th, 2020 AT 4:53 AM
JAMES74501
MEMBER
2 POSTS
Yes, I have both thanks.
Was this
answer
helpful?
Yes
No
Sunday, August 9th, 2020 AT 8:22 AM
ASEMASTER6371
MECHANIC
52,796 POSTS
Does the window work from the drivers side?
Can you check for voltage at the switch with the key on?
Roy
Was this
answer
helpful?
Yes
No
Sunday, August 9th, 2020 AT 8:24 AM
Please
login
or
register
to post a reply.
Related Window Not Working Content
Driver And Passenger Windows
Electric Windows On A Ford F250 Will Go Down But Wont Go Back Up So Unplugged Switches Hate It I Want My Windows To Work Again Its A Hassle...
Asked by
cindyjohn1
·
5 ANSWERS
3 IMAGES
1999
FORD F-250
2001 Ford F-250 Electric Windows Intermittently Work.
The Power Windows, This A Club Cab Pickup, Work Intermittently. I Have Replaced The Drivers Side Dual Switch And The Drivers Side Motor....
Asked by
cjslade
·
1 ANSWER
2001
FORD F-250
2006 Ford F250 Window Motor
Drivers Power Window Won't Go Up, I Unbolted Motor And Pushed Window Button, Motor Made Whining Noise But I Could See That Gear Was'nt...
Asked by
cckomos
·
1 ANSWER
2006
FORD F-250
89 Ford F250 Window
How Do You Replace A Window Of A 89 Ford F250 Driver Side Door?
Asked by
ToS_JoE
·
1 ANSWER
1989
FORD F-250
2003 Ford Taurus Wiper Problem
I Have A 2003 Ford Taurus With About 2500 Miles. When I Turn On The Windshield Wipers The Left Wiper Works Perfect But The Right Wiper Will...
Asked by
tesha
·
1 ANSWER
2003
FORD F-250
VIEW MORE
Ask a Car Question. It's Free!
Window Switch Replacement and Test
Door Panel Removal
Door Lock Replacement