What all is in the electrical circuit for the air conditioner?

Tiny
UHSNOEBIRD
  • MEMBER
  • 2005 KIA SORENTO
  • 100,000 MILES
Does this vehicle have a low pressure switch, relay and/or fuse that helps control this air condition circuit?
Thursday, June 24th, 2021 AT 12:50 PM

8 Replies

Tiny
JACOBANDNICKOLAS
  • MECHANIC
  • 110,194 POSTS
Hi,

There are several fuses related to the system and there is a triple pressure switch which is located at the top of the receiver dryer. Additionally, there are relays to consider.

I'm not sure what is happening to the vehicle, so I can't suggest what to check. If it isn't working in general, take a look through this link and see if it helps:

https://www.2carpros.com/articles/car-air-conditioner-not-working-or-is-weak

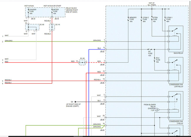
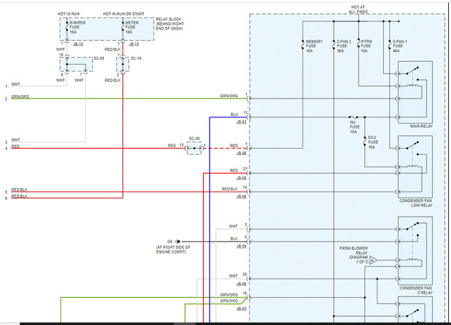
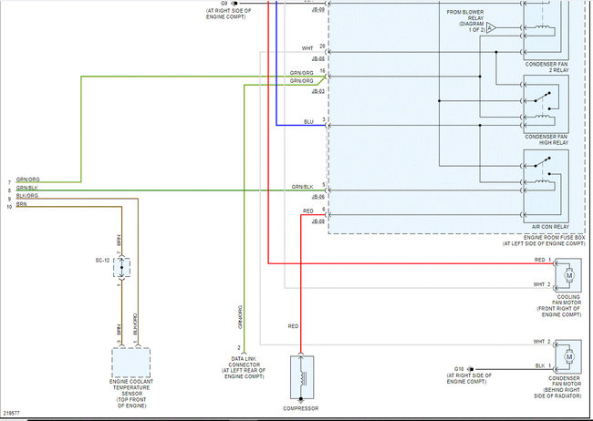
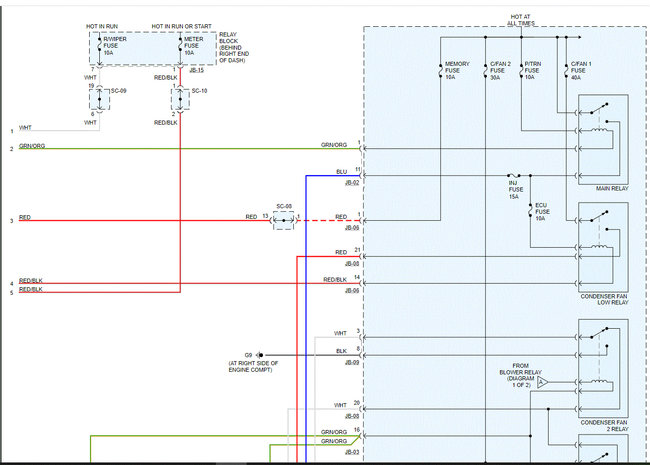
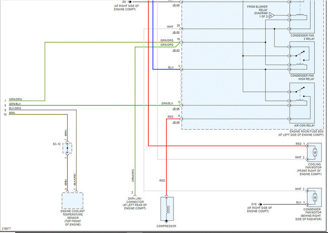
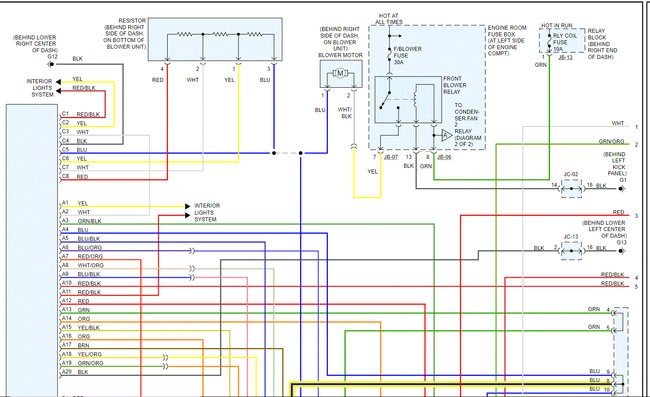
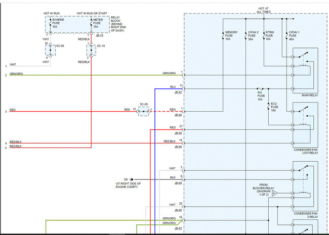
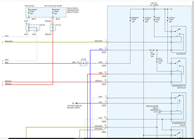
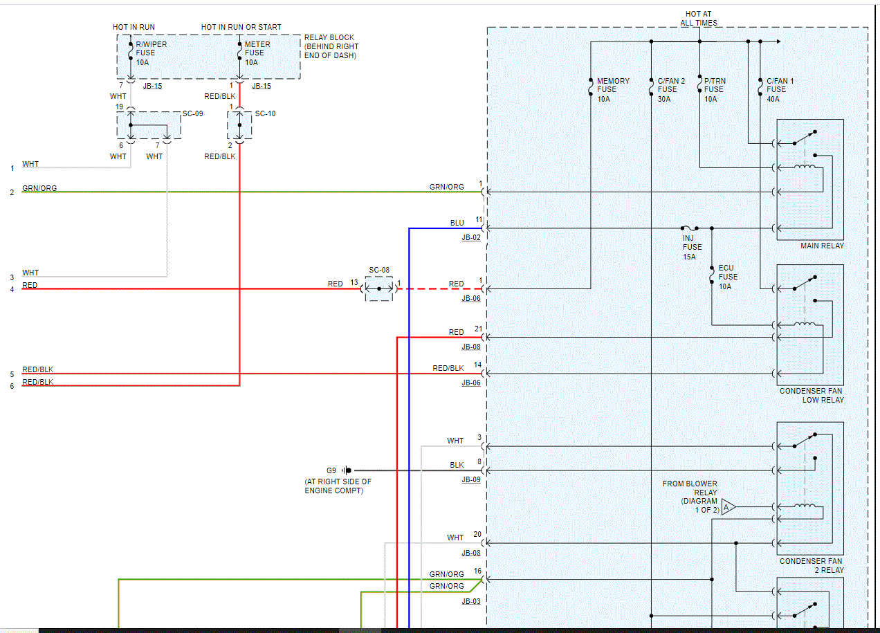
Also, I attached the entire wiring schematic below for the manual AC system. If you have automatic temperature control, let me know and I'll get you those schematics.

Here is a link you may find helpful if you need to check the wiring:

https://www.2carpros.com/articles/how-to-check-wiring

Let me know if this helps.

Take care,

Joe
Was this
answer
helpful?
Yes
No
Thursday, June 24th, 2021 AT 9:26 PM
Tiny
UHSNOEBIRD
  • MEMBER
  • 342 POSTS
Thanks
Was this
answer
helpful?
Yes
No
Friday, June 25th, 2021 AT 5:05 AM
Tiny
UHSNOEBIRD
  • MEMBER
  • 342 POSTS
I think it has automatic air control for the air condition. See if you have anything on that.
Was this
answer
helpful?
Yes
No
Friday, June 25th, 2021 AT 7:21 PM
Tiny
JACOBANDNICKOLAS
  • MECHANIC
  • 110,194 POSTS
Hi,

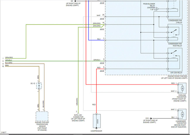
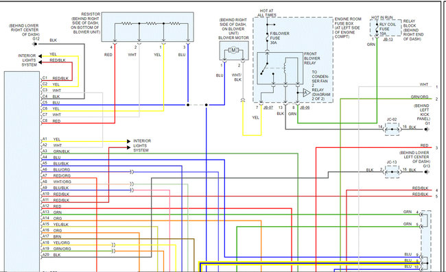
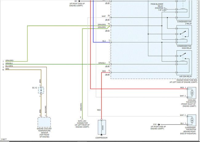
No problem. I attached the schematics below for the automatic system. Again, I had to cut the pics in half to make them readable, but I did overlap them.

Take care and I hope this helps.

Joe

See pics below.
Was this
answer
helpful?
Yes
No
Friday, June 25th, 2021 AT 7:52 PM
Tiny
UHSNOEBIRD
  • MEMBER
  • 342 POSTS
How much voltage should I get from the trinary switch that is in picture 2 that you sent me?
How do I check this trinary switch?
I think it's for high pressure a low pressure.
Was this
answer
helpful?
Yes
No
Tuesday, June 29th, 2021 AT 2:22 PM
Tiny
JACOBANDNICKOLAS
  • MECHANIC
  • 110,194 POSTS
Hi,

I believe you are referring to the triple pressure switch. There should be a 5v reference to it via the orange wire at connectors one and three.

In the manual, they are not showing a test procedure but reading through the schematics, that is what I getting from them.

Let me know.

Joe
Was this
answer
helpful?
Yes
No
Tuesday, June 29th, 2021 AT 7:45 PM

Please login or register to post a reply.