Water pump replacement instructions

Tiny
PHILLIP TUCKER
  • MEMBER
  • 2013 FORD TAURUS
  • 3.5L
  • V6
  • 2WD
  • AUTOMATIC
  • 112,000 MILES
I need to replace the water pump. I am trying to come up with a list of all the parts I need to replace during the process. I also am confused does the motor have to be pulled or can I get away with just loosening the motor mount jacking the motor up so I can gain access to the water pump?
Monday, May 27th, 2019 AT 5:02 AM

22 Replies

Tiny
SCGRANTURISMO
  • MECHANIC
  • 4,897 POSTS
Hello,

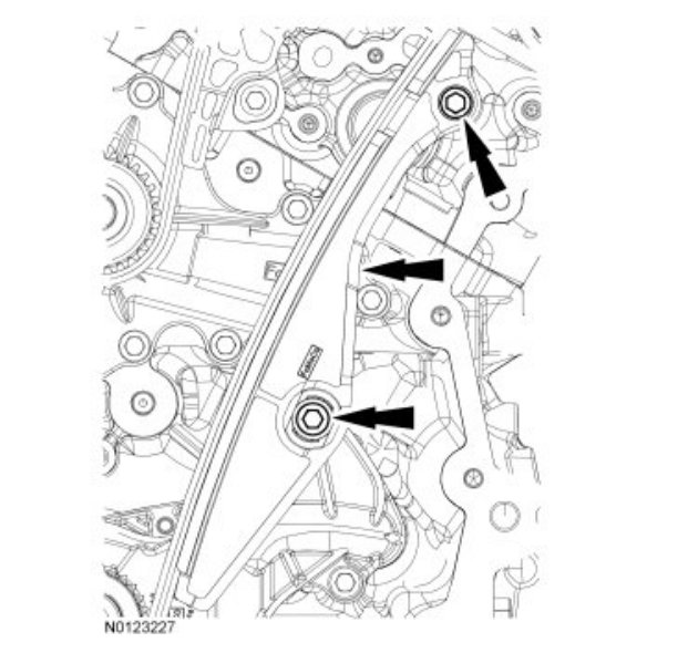
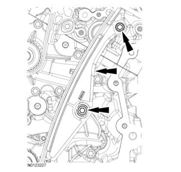
I have included in the diagrams down below the first part of the directions for the removal and installation of your vehicle's water pump. The directions are quite extensive, so I am sending along the first 50 diagrams below. I will sent the remainder in the next reply that I send to you.

Thanks,
Alex
2CarPros
Was this
answer
helpful?
Yes
No
+2
Monday, May 27th, 2019 AT 8:00 AM
Tiny
SCGRANTURISMO
  • MECHANIC
  • 4,897 POSTS
Hello again,

Here is the rest of the instructions for the removal and installation of your vehicle's water pump. They are in the diagrams down below. Please go through them and get back to us with how everything turns out.

Thanks,
Alex
2CarPros
Was this
answer
helpful?
Yes
No
Tuesday, May 28th, 2019 AT 4:19 AM
Tiny
PHILLIP TUCKER
  • MEMBER
  • 10 POSTS
What other fliuds and other items should be changed out while it's disassembled?
Was this
answer
helpful?
Yes
No
Thursday, June 13th, 2019 AT 3:33 PM
Tiny
SCGRANTURISMO
  • MECHANIC
  • 4,897 POSTS
Hello again,

I would recommend replacing the gasket, and then doing a flush and fill. As always, make sure you use the proper antifreeze in the cooling system to keep electrosis from happening. I have included in the diagrams down below the specs for your vehicle's cooling system.

Thanks,
Alex
2CarPros
Was this
answer
helpful?
Yes
No
Friday, June 14th, 2019 AT 8:49 PM
Tiny
BUBBA6791
  • MEMBER
  • 1 POST
  • 2011 FORD TAURUS
  • 3.5L
  • 6 CYL
  • 2WD
  • AUTOMATIC
  • 162,000 MILES
Replaced my water pump and timing components (all chains, guides and tensioners). Got everything back together and the car started right up and drives with zero performance issues. However, there is a whining noise on acceleration or just revving the engine in park. New belts were installed and a new power steering pump since I dented the pulley and further damaged the pump trying to replace the pulley. Everything was torqued to specs and cam tools were used to ensure timing was correct. Did all of the work myself since I can't afford a mechanic and I'm afraid I will have to tear the whole thing apart again. Is there something I should check before assuming I did something wrong inside the motor?
Was this
answer
helpful?
Yes
No
Monday, February 15th, 2021 AT 2:41 PM (Merged)
Tiny
JACOBANDNICKOLAS
  • MECHANIC
  • 110,194 POSTS
Welcome to 2CarPros.

Does the noise sound like it could be the power steering pump? Did you bleed the new pump? Take a look through these directions for purging the power steering pump. I would suggest trying this. Most likely this is where the noise is coming from. I will also tell you that from experience, aftermarket or re-manufactured pumps commonly make noise.

__________________________________________
The attached pictures correlate with these directions.
Power Steering System Purging
Vehicle Steering and Suspension Steering Power Steering Power Steering Bleeding Service and Repair Procedures Power Steering System Purging
POWER STEERING SYSTEM PURGING
Power Steering System Purging

picture 1

picture 2

NOTICE: If the air is not purged from the power steering system correctly, premature power steering pump failure may result. The condition may occur on pre-delivery vehicles with evidence of aerated fluid or on vehicles that have had steering component repairs.

1. NOTE: A whine heard from the power steering pump can be caused by air in the system. The power steering purge procedure must be carried out prior to any component repair for which power steering noise complaints are accompanied by evidence of aerated fluid.

Remove the power steering reservoir cap. Check the fluid.

2. Raise the front wheels off the floor. Refer to the appropriate information for the procedure.

3. Tightly insert the Power Steering Evacuation Cap into the reservoir and connect the Vacuum Pump Kit.

Picture 3
4. Start the engine.

5. Using the Vacuum Pump Kit, apply vacuum and maintain the maximum vacuum of 68-85 kPa (20-25 in-Hg).
- If the Vacuum Pump Kit does not maintain vacuum, check the power steering system for leaks before proceeding. For additional information, refer to Power Steering Fluid Leak Test. See: Steering > Component Tests and General Diagnostics > Component Tests

6. If equipped with Hydro-Boost(R), apply the brake pedal 4 times.

7. NOTICE: Do not hold the steering wheel against the stops for an extended amount of time. Damage to the power steering pump may occur.

Cycle the steering wheel fully from stop-to-stop 10 times.

8. Stop the engine.

9. Release the vacuum and remove the Vacuum Pump Kit and the Power Steering Evacuation Cap.

10. NOTE: Do not overfill the reservoir.

Fill the reservoir as needed with the specified fluid.

11. Start the engine.

12. Install the Power Steering Evacuation Cap and the Vacuum Pump Kit. Apply and maintain the maximum vacuum of 68-85 kPa (20-25 in-Hg).

Picture 4

13. NOTICE: Do not hold the steering wheel against the stops for an extended amount of time. Damage to the power steering pump may occur.

Cycle the steering wheel fully from stop-to-stop 10 times.

14. Stop the engine, release the vacuum and remove the Vacuum Pump Kit and the Power Steering Evacuation Cap.

15. NOTE: Do not overfill the reservoir.

Fill the reservoir as needed with the specified fluid and install the reservoir cap.

16. Visually inspect the power steering system for leaks.

____________________________________

Let me know if this helps.

Take care,
Joe
Was this
answer
helpful?
Yes
No
-1
Monday, February 15th, 2021 AT 2:41 PM (Merged)
Tiny
RPWORDWIDE
  • MEMBER
  • 1 POST
  • 2003 FORD TAURUS
  • 6 CYL
  • FWD
  • AUTOMATIC
  • 49,000 MILES
I replaced the water pump on my moms 2003 aurus and now the part th belt goes around won't spin. Please Help!
Was this
answer
helpful?
Yes
No
Monday, February 15th, 2021 AT 2:42 PM (Merged)
Tiny
JASONRAY
  • MECHANIC
  • 213 POSTS
Like even if you try to turn it by hand? It's locked up? If that's the case, either it's installed incorrectly or it's the wrong water pump. It sounds like the impeller is against something. What about a mounting bolt for the water pump? One of them is not hitting the pulley is it? Does the pulley bolt on or did it come with the new water pump? If it bolts on, make sure you used the right bolts to put it back on the new pump. I've done that before. I bolted a pulley on a water pump with a bolt that was too long and it dug into the water pump housing. That's probably what happened. Try taking the pulley bolts out, one at a time and see if the pump will turn. Get back with me and let me know what you find.
Was this
answer
helpful?
Yes
No
Monday, February 15th, 2021 AT 2:42 PM (Merged)
Tiny
TONYLK51
  • MEMBER
  • 1 POST
  • 2003 FORD TAURUS
  • 3.0L
  • 6 CYL
  • 2WD
  • AUTOMATIC
  • 190,000 MILES
Leaking water pump is shot.
Was this
answer
helpful?
Yes
No
Monday, February 15th, 2021 AT 2:42 PM (Merged)
Tiny
ASEMASTER6371
  • MECHANIC
  • 52,796 POSTS
Good afternoon,

https://www.2carpros.com/articles/water-pump-replacement

Below is the procedure and some pictures

Roy

Water Pump-3.0L (2V)

Removal
1. Drain the engine cooling system.

imageOpen In New TabZoom/Print

2. Loosen the water pump pulley.
3. Remove the accessory drive belt.
4. Remove the degas bottle.
5. Disconnect the battery ground cable.

imageOpen In New TabZoom/Print

6. Disconnect the generator B+ cable and the voltage regulator electrical connector.

imageOpen In New TabZoom/Print

7. Remove the nut, the bolt and the generator brace.

imageOpen In New TabZoom/Print

8. Remove the generator mounting bolt and the generator.

imageOpen In New TabZoom/Print

9. Remove the bolt and the nut, and position the roll restrictor bracket out of the way.

imageOpen In New TabZoom/Print

10. Remove the bolt and the accessory drive belt tensioner.

imageOpen In New TabZoom/Print

11. Remove the nut, the bolt and the support bracket.

imageOpen In New TabZoom/Print

12. Remove the bolts and the water pump pulley.

imageOpen In New TabZoom/Print

13. Disconnect the water pump inlet hose and the crankshaft position sensor electrical connector.

imageOpen In New TabZoom/Print

14. Remove the bolts and the water pump, and clean the sealing surfaces.
Was this
answer
helpful?
Yes
No
+1
Monday, February 15th, 2021 AT 2:42 PM (Merged)
Tiny
JENERC
  • MEMBER
  • 1 POST
  • 2003 FORD TAURUS
  • 6 CYL
  • FWD
  • AUTOMATIC
  • 62,000 MILES
How hard is it to replace a water pump in my 2003 ford taurus? Is there anything I should know before tackling the problem?
Was this
answer
helpful?
Yes
No
Monday, February 15th, 2021 AT 2:42 PM (Merged)
Tiny
BLACKOP555
  • MECHANIC
  • 10,386 POSTS
Your looking at about a 2-3 hour job dependent on skill, if your good with mechanical thigns you should have no problem at all. Its a pretty straightforward job.
Was this
answer
helpful?
Yes
No
Monday, February 15th, 2021 AT 2:42 PM (Merged)
Tiny
2CP-ARCHIVES
  • MEMBER
  • 4,540 POSTS
  • 2002 FORD TAURUS
  • 92,000 MILES
Would changing the water pump on a 2002 taurus have anything to do with my check engine light to staying on
Was this
answer
helpful?
Yes
No
Monday, February 15th, 2021 AT 2:43 PM (Merged)
Tiny
JACOBANDNICKOLAS
  • MECHANIC
  • 110,194 POSTS
Chances are you left something disconnected. Double check your work. The pump replacement itself will not cause a light to come on. If you can't find a problem, have the computer scanned to identify trouble codes that will point you in the right direction of the problem.
Was this
answer
helpful?
Yes
No
+1
Monday, February 15th, 2021 AT 2:43 PM (Merged)
Tiny
JORDAND1986
  • MEMBER
  • 1 POST
  • 2001 FORD TAURUS
  • 150 MILES
I am getting ready to replace a water pump that has been leaking fluid out of the weep hole. I am wondering. Are there any other components (besides the belt) that would be convient and beneficial to replace at this time? It looks like I will have to pull out several other components (like the altenator) to get to the water pump. Is that the correct way to go about it as well?

Thank you for your help and suggestions.
Was this
answer
helpful?
Yes
No
Monday, February 15th, 2021 AT 2:43 PM (Merged)
Tiny
JACOBANDNICKOLAS
  • MECHANIC
  • 110,194 POSTS
The belt is really the only thing to replace. The other components you will simply remove and then replace them. The only other thing I would suggest is to replace the thermostat and flush the cooling system at this time.
Was this
answer
helpful?
Yes
No
Monday, February 15th, 2021 AT 2:43 PM (Merged)
Tiny
JMRT0569
  • MEMBER
  • 1 POST
  • 2001 FORD TAURUS
  • 6 CYL
  • 2WD
  • AUTOMATIC
  • 145,000 MILES
I need a manual for repair on my 2001 ford taurus waterpump
Was this
answer
helpful?
Yes
No
Monday, February 15th, 2021 AT 2:44 PM (Merged)
Tiny
BMRFIXIT
  • MECHANIC
  • 19,053 POSTS
WATER PUMP
Removal
Disconnect negative battery cable. Drain cooling system. Loosen water pump pulley bolts. Remove accessory drive belts.
Remove automatic tensioner. Disconnect coolant hoses from water pump. Remove retaining bolts, water pump and gasket. .
Installation
To install, reverse removal procedure. Lightly oil all bolt and stud threads, except bolt requiring Thread Sealant (D8AZ-19554-A), before installing. Apply Contact Adhesive (D7AZ-19B508-AA) on gasket and install on water pump.
Tighten bolts/nuts to specification. Refill cooling system. Check for leaks when finished.


https://www.2carpros.com/forum/automotive_pictures/99387_Graphic1_309.jpg

Was this
answer
helpful?
Yes
No
Monday, February 15th, 2021 AT 2:44 PM (Merged)
Tiny
MARK GAINES
  • MEMBER
  • 1 POST
  • 2001 FORD TAURUS
  • 6 CYL
  • FWD
  • AUTOMATIC
  • 10,700 MILES
I have a 01 Ford Taurus that the water pump is leaking on. The car has 107,000 miles on it and I can't figure out how to get it out. Could you help me with this?
Was this
answer
helpful?
Yes
No
Monday, February 15th, 2021 AT 2:44 PM (Merged)
Tiny
BMRFIXIT
  • MECHANIC
  • 19,053 POSTS
3.0L V6 - VIN U & 2 -2001 Ford Taurus

WATER PUMP

Removal
1.Disconnect negative battery cable. Drain cooling system. Loosen water pump pulley bolts. Remove accessory drive belts.
2.Remove automatic tensioner. Disconnect coolant hoses from water pump. Remove retaining bolts, water pump and gasket. See Fig.

Installation
1.To install, reverse removal procedure. Lightly oil all bolt and stud threads, except bolt requiring Thread Sealant (D8AZ-19554-A), before installing. Apply Contact Adhesive on gasket and install on water pump. 2.Tighten bolts/nuts to specification.
Refill cooling system. Check for leaks when finished.

3.0L V6 - VIN S & 1 -2001 Ford Taurus

WATER PUMP

Removal
Disconnect negative battery cable. Drain cooling system. Release drive belt tensioner. Remove drive belt. Remove radiator hose and heater hose from water pump. Remove A/C compressor-to-water pump brace (if equipped). Remove water pump bolts and remove water pump.

Installation
Clean gasket mating surfaces. Tighten water pump bolts to specification.
To complete installation, reverse removal procedure. Tighten bolts to specification. Fill cooling system. Start engine and check for leaks.


https://www.2carpros.com/forum/automotive_pictures/99387_Graphic1_70.jpg

Was this
answer
helpful?
Yes
No
-1
Monday, February 15th, 2021 AT 2:44 PM (Merged)

Please login or register to post a reply.