Washer fluid pump is not working, is it the fuse?

2012 VOLKSWAGEN PASSAT
71,000 MILES • 5 CYL • 2WD • AUTOMATIC
Avatar
SHOEE246
  • MEMBER
  • 2 POSTS
It just stopped working and when you pull the handle you hear no noise.
Mar 23, 2022 at 7:04 AM
Repair Safety Notice: This information is for general instructional purposes only. Vehicle repair can be dangerous. Verify all information, follow manufacturer service procedures, use proper tools and safety equipment, and consult a qualified repair shop when needed.
Advertisement
Avatar
KASEKENNY
  • CAR REPAIR CONTRIBUTOR
  • 18,907 POSTS
It could be a fuse, but it could also be the pump, switch, or a wiring issue.

So, let's start by checking this wiring diagram for the fuses and see if there is a fuse issue:

https://www.2carpros.com/articles/how-to-check-a-car-fuse

If the fuses are okay, then we need to go to the motor and push the switch to see if you have 12 volts.

https://www.2carpros.com/articles/how-to-check-wiring

If you do, then the pump is the issue. If you don't then we need to go to the switch and see if you have voltage coming out of it. If not, then the switch is the likely issue.

Please run through this and let us know what questions you have on this.

Thanks
Mar 23, 2022 at 4:59 PM
Advertisement
Avatar
JACOBANDNICKOLAS
  • CAR REPAIR CONTRIBUTOR
  • 110,190 POSTS
Hi,

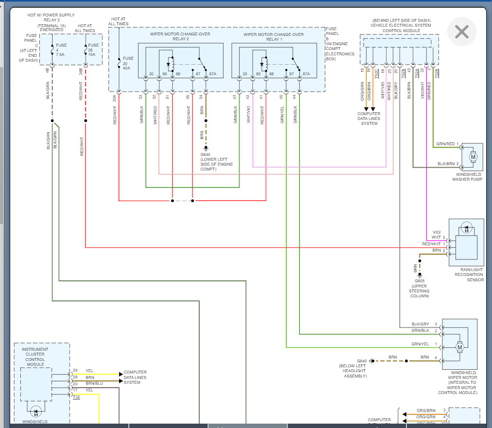
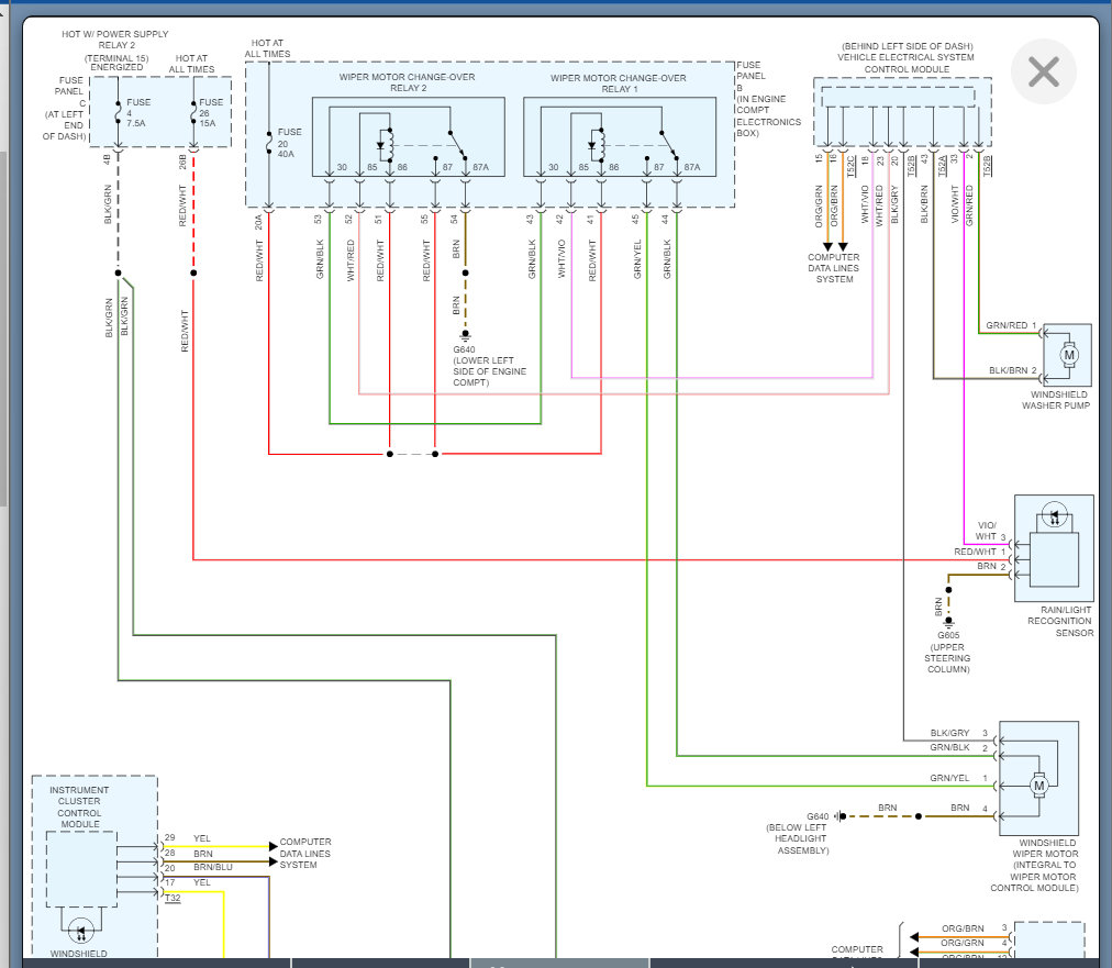
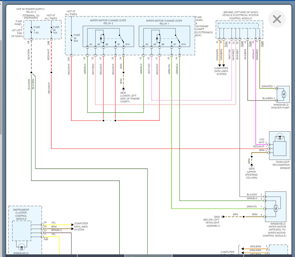
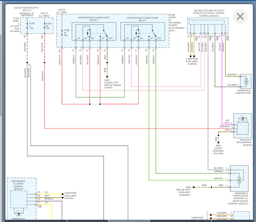
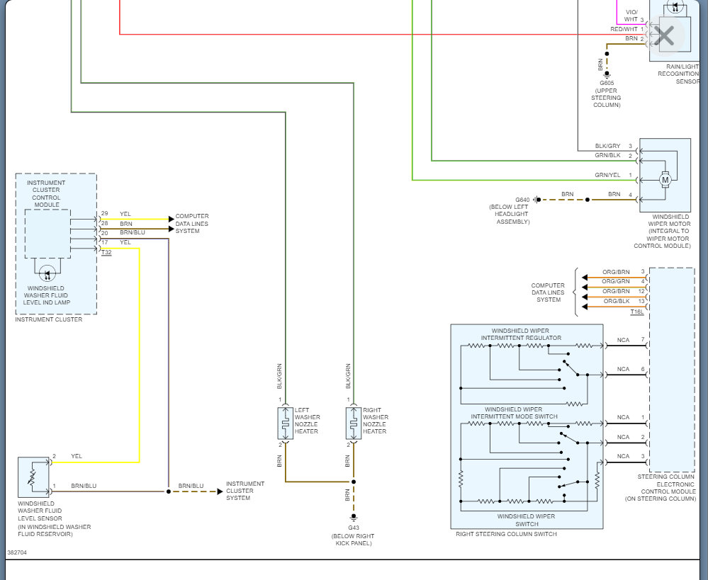
I attached the wiring schematic for the washer pump motor below. Note it receives power from fuse 20 in fuse panel B (under the hood).

The fuse certainly causes a problem. If you look at pic 2, I attached a pic showing what fuse to check. In addition to checking the fuse, also confirm there is power to and from it. Here is a link that explains how it's done:

https://www.2carpros.com/articles/how-to-check-a-car-fuse

Let me know what you find or if you have other questions.

Take care,

Joe

See pics below.
Mar 23, 2022 at 5:07 PM
Avatar
SHOEE246
  • MEMBER
  • 2 POSTS
Where is it located in the passenger cabin or under the hood and what amperage is it?
Mar 25, 2022 at 3:41 PM (Merged)
Avatar
BORIS K
  • CAR REPAIR CONTRIBUTOR
  • 836 POSTS
Hello,

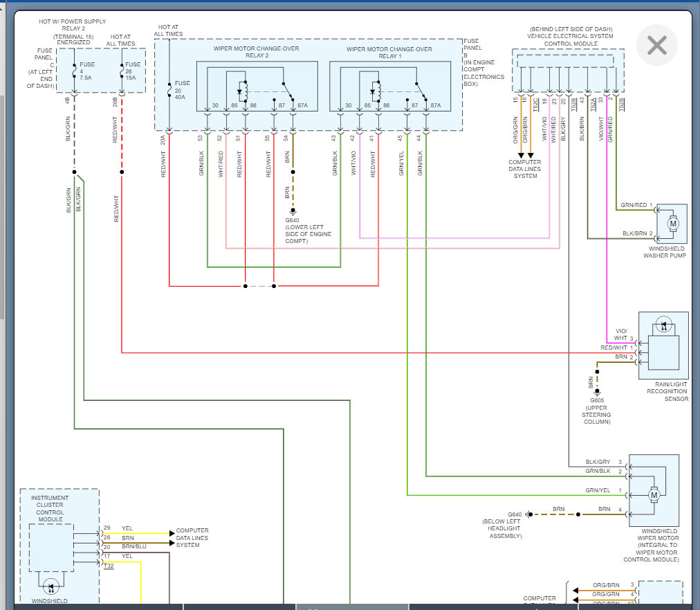
The windscreen washer pump does not have a fuse.
It is directly powered by the vehicle electrical system control module, see diagram below.
The output is switched for either windscreen or rear window operation.
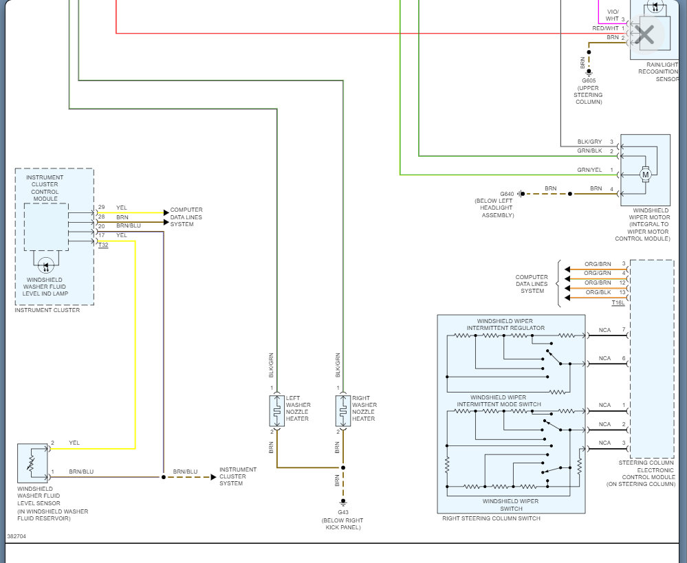
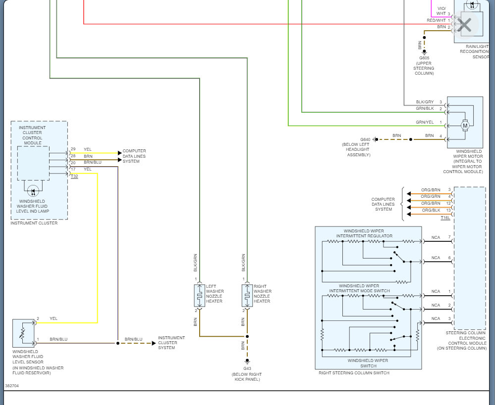
To test the power supply to the pump you will need to locate the washer pump at the bottom of the washer fluid reservoir, see image 2 below
Next disconnect the connector and, using a test light, probe either circuit or activate the pump from inside the vehicle.

How to use a test light.
https://www.2carpros.com/articles/how-to-use-a-test-light-circuit-tester

If voltage is given when activating the pump, then the pump itself is most likely faulty.

Please let us know how you get along.

Cheers, Boris
Mar 25, 2022 at 3:41 PM (Merged)