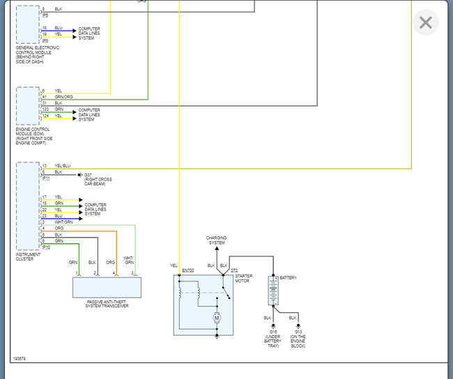
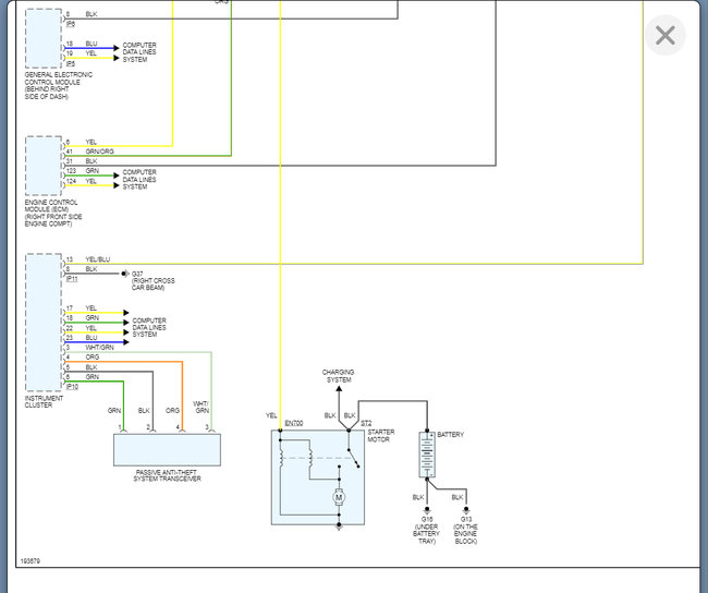
Saturday, February 22nd, 2020 AT 9:47 AM
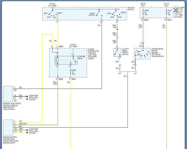
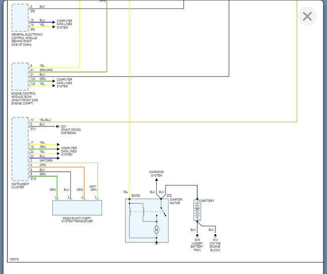
The battery died and I have replaced it with a new one, but I now have warnings for gearbox fault, ABS fault, dsc fault, limiter not available etc. Along with warning lights. When I try to start the engine the information/radio screen goes blank but the dash remains in full operation. Any suggestions?




