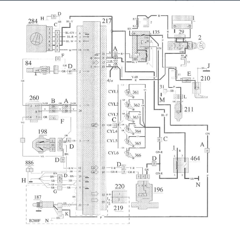
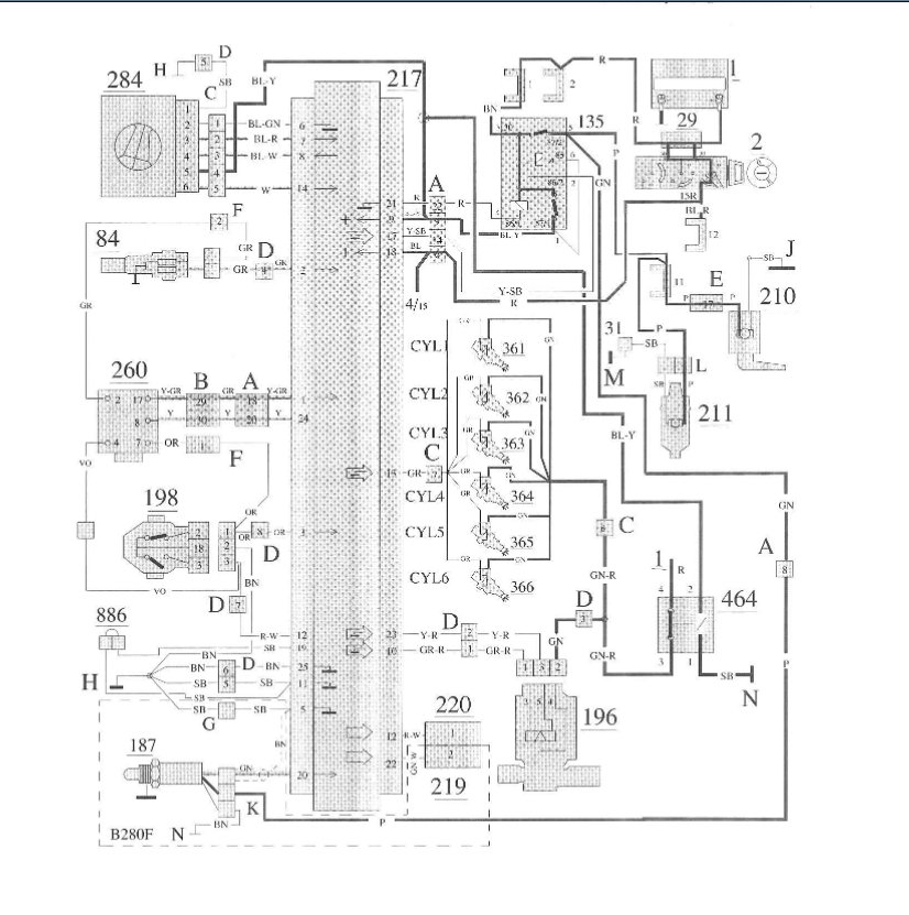
1. Fuel pressure is 38 to 42 PSIG at fuel rail
2. Relay 464 radio interference suppression -
With power (relay energized) on 12.7vdc to the 376 ballast resistor as well to the green leads at the fuel injectors
3. 0.7 ohms from any one of the 4 injector connectors to pin 13 at 217 Control unit
4. Does NOT receive a signal to ground at the injectors for pin 13 to injectors
5. Obviously all the fuel pump fuses are good (good fuel pressure) as well as a satisfactory fuel pump relay as the fuel pumps (both in tank and main pump) are operational.
I would appreciate any suggestions – perhaps the engine control module is defective?
Thank you
Dave
Friday, September 12th, 2008 AT 5:57 PM








