Information display stopped working

2012 NISSAN ALTIMA
97,000 MILES • 2.5L • 4 CYL • 2WD • AUTOMATIC
Avatar
TURK RAGRETS
  • MEMBER
  • 1 POST
Information display went dark. I've read your answer about the fuse in the 19 slot under the steering wheel.
There is no fuse in the 19 slot, there never was a fuse there. The guide sticker on the inside of the cover, even has slot 19 empty on the diagram.
How will putting a fuse in the 19 slot help and what amp fuse, 10,15 or 20 fuse?
Aug 11, 2021 at 11:59 AM
Repair Safety Notice: This information is for general instructional purposes only. Vehicle repair can be dangerous. Verify all information, follow manufacturer service procedures, use proper tools and safety equipment, and consult a qualified repair shop when needed.
Advertisement
Avatar
KASEKENNY
  • CAR REPAIR CONTRIBUTOR
  • 18,907 POSTS
Not sure which post you were referring to, but the fuse in terminal 19 would be for the cluster so we just need to make sure we are counting from the correct direction.

When you are looking at the fuse block, the numbering starts on the right so if counting from the opposite direction, it could land you on an empty cavity.

https://www.2carpros.com/articles/how-to-check-a-car-fuse

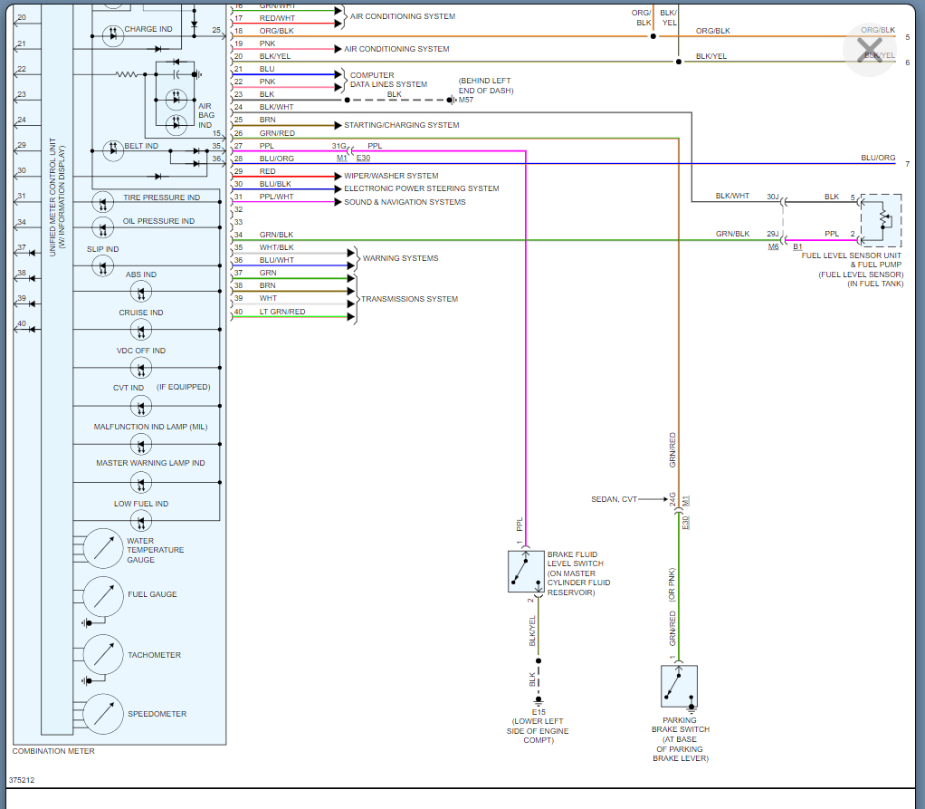
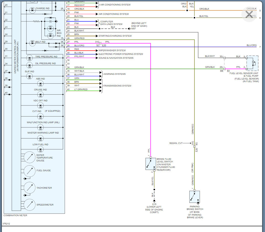
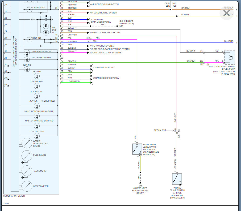
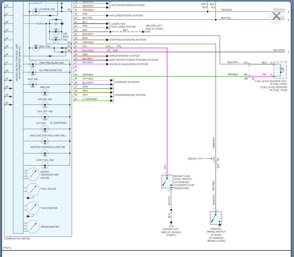
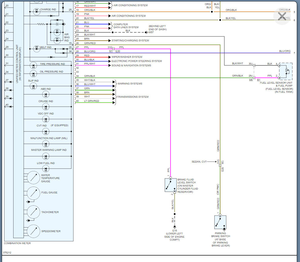
Please see the wiring diagram and fuse layout below.

What I would suggest is just checking and making sure there is voltage at the cluster on the circuits that are fed from the fuses. Each of these needs to have 12 volts. If you don't have that then this could explain the issue.

https://www.2carpros.com/articles/how-to-check-wiring

However if you have power to the cluster then the issue is most likely on the circuit board of the cluster which means it would need replaced.

Please run through this info and let us know if you have questions.

Thanks
Aug 12, 2021 at 1:40 PM
Advertisement